电脑桌面
添加小米粒文库到电脑桌面
安装后可以在桌面快捷访问

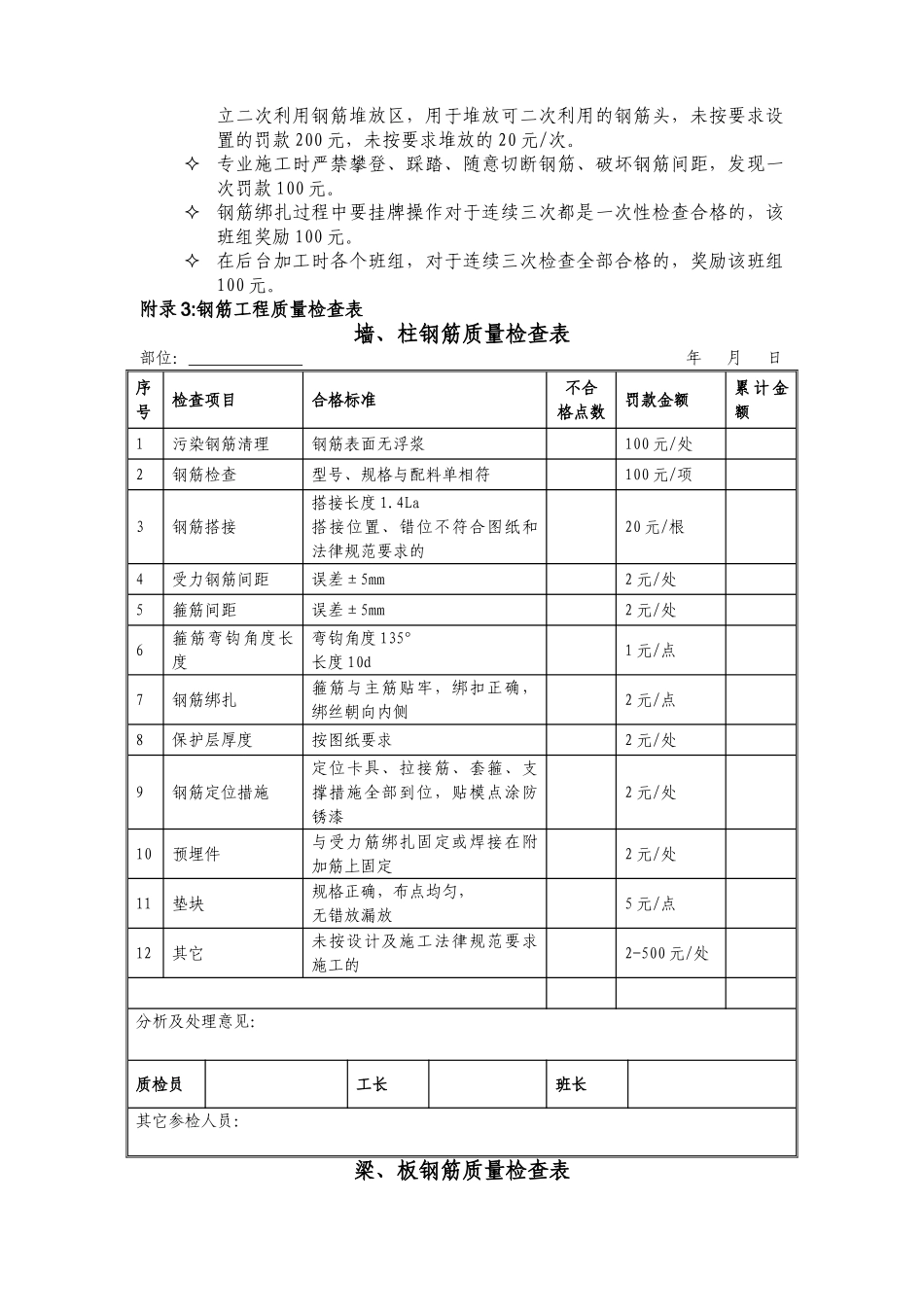
钢筋加工制作管理措施

钢筋加工制作管理措施_第1页
1/3
钢筋加工制作管理措施_第2页
2/3
钢筋加工制作管理措施_第3页
3/3
钢筋工程施工管理措施对于各种标识牌,故意破坏的 50 元/次,如发现标识牌被破坏而不及时告之总包方钢筋工长的 20 元/次。后台加工的钢筋工如用没有总包方钢筋工长签字的下料单,而私自下料的 500 元/次。假如总包方钢筋工长在审查下料单时,同分包方的钢筋工长未能认真检查而造成材料浪费的双方都按所下材料的原价罚款。钢筋下料时假如使用待检钢筋 100 元/次。在加工钢筋的过程中未根据技术交底的要求操作,每次 500 元。由此造成材料浪费的按浪费量的 5 倍罚款。钢材、半成品等应按规格、品种、构件分别堆放整齐,码放高度必须符合规定,否则 50 元次。电动机具使用前必须经审核验收合格后方能投入使用,否则 200 元/次。钢筋的吊运过程中未根据技术交底的要求操作的 100 元/次。钢筋下料长度超出技术交底要求的误差范围者,每根处以5元罚款。I级钢筋弯钩平直段不得弯曲,如出现弯曲每处罚款5元,平直段长度不足,每处罚款10元,长度超过允许偏差范围的,每处罚款5元。钢筋搭接长度 :若有不足罚款20元/根,超出 1cm 的每处罚款5元。保护层厚度:若超过允许偏差范围的,每处罚款 5 元。定位钢筋未用切割机切割,未刷防锈漆的 20 元/次。钢筋移位:每发现一处(以根计)罚款 5 元(移位5 mm-10 mm 以内),位移超过10 mm,每处罚款 5 0元。绑扣松动:每5个罚款2元,每面墙体发现15个以上松动,罚款 50元。箍筋与主筋不垂直,每个箍筋罚款10元,双肢不等长、不平行,每个箍筋罚款10元;绑扎时没满足间距要求的(过大或者过小),10元/处。梁、柱、剪力墙的钢筋在浇注混凝土前未调直的,100 元/处。钢筋上水泥浆未及时清理(继续绑扎钢筋前),罚款 100 元。现场发现浪费钢筋现象,根据量的大小罚款50-5000 元。埋件位置和标高不符合要求的,每个埋件罚款5元。暗柱箍筋放置,每四个箍筋弯钩分别位于暗柱四角。每发现一处不正确罚款10元。。柱、墙钢筋绑扎时,临时脚手架的搭设必须符合安全规定的要求,未按要求搭设的 100 元/次。绑扎钢筋时,火烧丝未按要求使用的:串用的 20 元/次,过长的每 5根 1 元;。绑丝头朝向:如未弯向钢筋里侧,2 元/个。 垫块、梯子筋、马凳铁未按技术交底要求放置的 5 元/次;未按施工方案制作的 50 元/个。每天绑扎、下料收工时,现场必须清理洁净,做到活完脚下清,未按要 ...

1、当您付费下载文档后,您只拥有了使用权限,并不意味着购买了版权,文档只能用于自身使用,不得用于其他商业用途(如 [转卖]进行直接盈利或[编辑后售卖]进行间接盈利)。
2、本站所有内容均由合作方或网友上传,本站不对文档的完整性、权威性及其观点立场正确性做任何保证或承诺!文档内容仅供研究参考,付费前请自行鉴别。
3、如文档内容存在违规,或者侵犯商业秘密、侵犯著作权等,请点击“违规举报”。

碎片内容

钢筋加工制作管理措施

一二三四传媒+ 关注
实名认证
内容提供者

大量资料供您选择,没有合适的可以联系小二。

确认删除?
VIP
微信客服
  • 扫码咨询
会员Q群
  • 会员专属群点击这里加入QQ群
客服邮箱
回到顶部