电脑桌面
添加小米粒文库到电脑桌面
安装后可以在桌面快捷访问

钢筋混凝土课程设计

钢筋混凝土课程设计_第1页
1/11
钢筋混凝土课程设计_第2页
2/11
钢筋混凝土课程设计_第3页
3/11
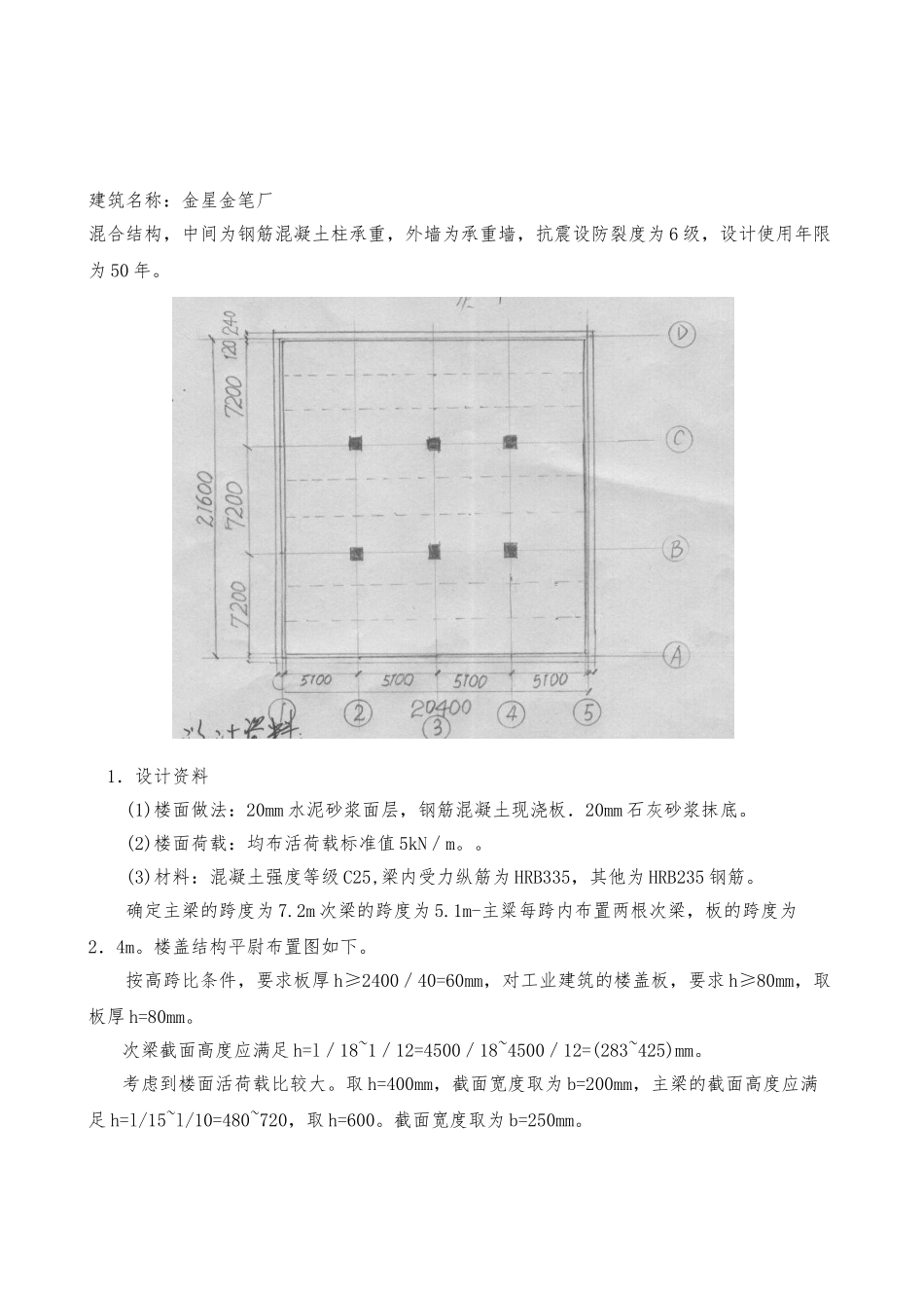
建筑名称:金星金笔厂混合结构,中间为钢筋混凝土柱承重,外墙为承重墙,抗震设防裂度为 6 级,设计使用年限为 50 年。 1.设计资料 (1)楼面做法:20mm 水泥砂浆面层,钢筋混凝土现浇板.20mm 石灰砂浆抹底。 (2)楼面荷载:均布活荷载标准值 5kN/m。。 (3)材料:混凝土强度等级 C25,梁内受力纵筋为 HRB335,其他为 HRB235 钢筋。 确定主梁的跨度为 7.2m 次梁的跨度为 5.1m-主粱每跨内布置两根次梁,板的跨度为2.4m。楼盖结构平尉布置图如下。 按高跨比条件,要求板厚 h≥2400/40=60mm,对工业建筑的楼盖板,要求 h≥80mm,取板厚 h=80mm。次梁截面高度应满足 h=l/18~1/12=4500/18~4500/12=(283~425)mm。考虑到楼面活荷载比较大。取 h=400mm,截面宽度取为 b=200mm,主梁的截面高度应满足 h=l/15~l/10=480~720,取 h=600。截面宽度取为 b=250mm。2.板的设计 (1)荷载板的恒荷载标准值: 20mm 水泥砂浆面层 0.02×20=0.4kN/m 80mm 钢筋混凝土板 0.08×25=2kN/m 20mm 板底石灰砂浆 0.02×17=0.34kN/m 小计 2.74KN/m 板的活荷载标准值: 5kN/m2 恒荷载分项系数取 1.2;因为是工业建筑楼盖且楼面活荷载标准值大 4.0kN/m3,所以活荷载分项系数取 1.3。于是板的 恒荷载设计值 g=2.74×1.2=3.29kN/m2。 活荷载设计值 q=5×1.3=6.5kN/m2。 荷载总设计值 g+q=9.79kN/m,近似取为 q+g=9.8kN/m:(2)计算简图 次梁截面为 200mm×400mm.现浇板在墙上的支承长度不小于 100mm。取板在墙上的支承长度为 120mm。按内力重分布设计,板的计算跨度:边跨 l01=ln+h/2=2400-100-120+80/2=2220m<1.025ln=2460mm,取 l01=2220mm中间跨 l02=ln=2400-200=2200mm 因跨度相差小于 10%,可按等跨连续板计算。取 lm 宽板带作为计算单元,计算简图如图所示。 (3)弯矩设计值 由表 12 1 可查得,板的弯矩系数 αm分别为:边跨跨中,1/11;离端第二支座,-1/11;中间跨跨中,1/16;中间支座,-1/14。故 M1=-MB=(g+q)l201/11=9.8×2.222/11=4.4kN·m MC=-(g+q) l202/1 4=9.8×2.22/14=-3.39kN·m M2= (g+g) l202/16=9.8×2.22/16=-2.96kN·m (4)正截面受弯承载力计算 板厚 80mm,h0=80-20=60mm,C25 混凝土. α1=1,fc=11.9kN/mm。;HRB235 钢筋,fy=210kN/mm2。板配筋计算的过程列于下表。 对轴线②~④间的板带.其跨内截面 2、3 和支座截面的弯矩设计值可...

1、当您付费下载文档后,您只拥有了使用权限,并不意味着购买了版权,文档只能用于自身使用,不得用于其他商业用途(如 [转卖]进行直接盈利或[编辑后售卖]进行间接盈利)。
2、本站所有内容均由合作方或网友上传,本站不对文档的完整性、权威性及其观点立场正确性做任何保证或承诺!文档内容仅供研究参考,付费前请自行鉴别。
3、如文档内容存在违规,或者侵犯商业秘密、侵犯著作权等,请点击“违规举报”。

碎片内容

钢筋混凝土课程设计

确认删除?
VIP
微信客服
  • 扫码咨询
会员Q群
  • 会员专属群点击这里加入QQ群
客服邮箱
回到顶部