电脑桌面
添加小米粒文库到电脑桌面
安装后可以在桌面快捷访问

钢结构课程设计(PKPM出图-节点验算)

钢结构课程设计(PKPM出图-节点验算)_第1页
1/8
钢结构课程设计(PKPM出图-节点验算)_第2页
2/8
钢结构课程设计(PKPM出图-节点验算)_第3页
3/8
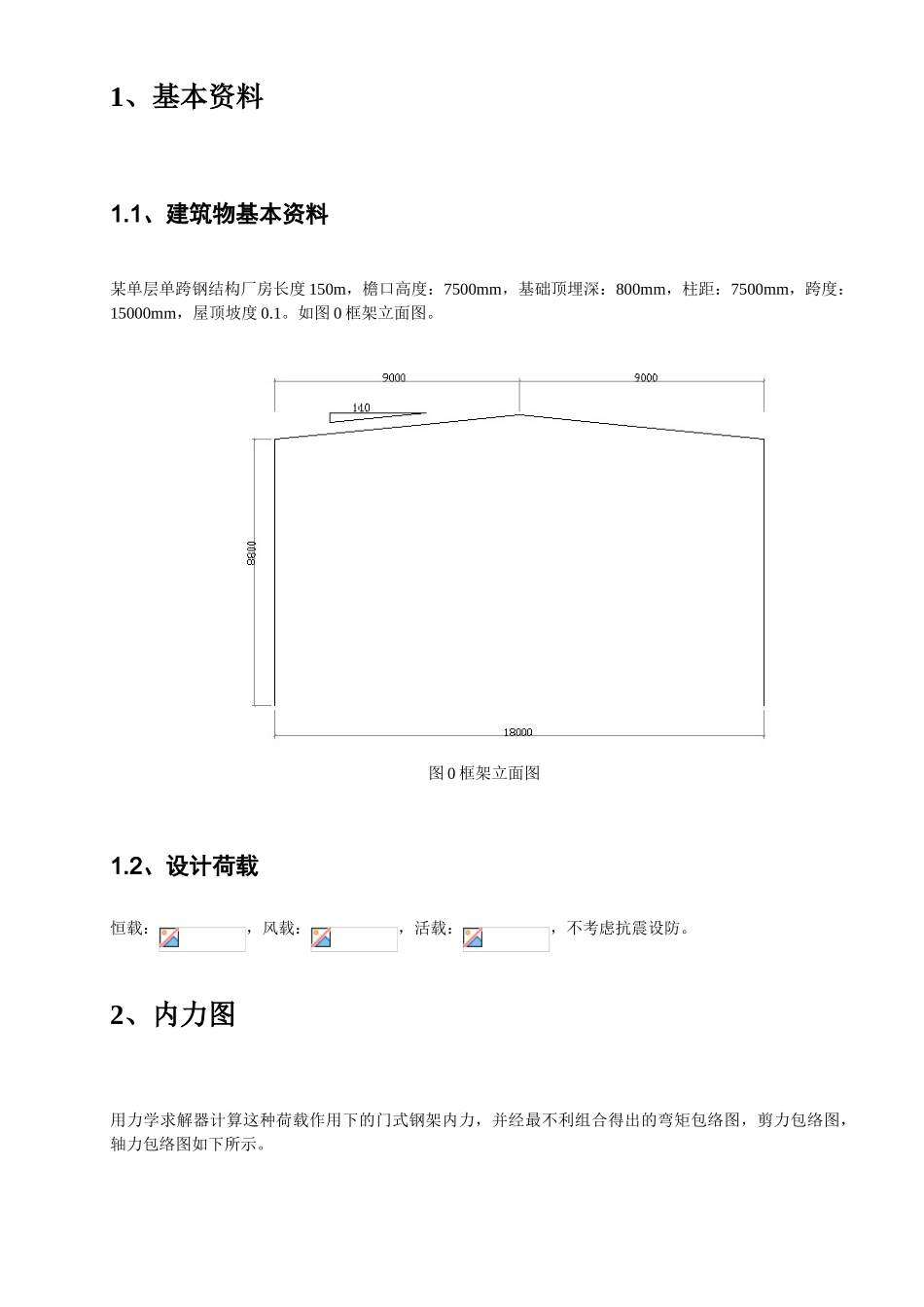
目录1、基本资料21.1、建筑物基本资料21.2、设计荷载22、 内力图23、 钢材级别和梁柱截面44、 焊接方法和焊条型号55、 节点设计55.1 梁柱节点55.1.1 柱节点螺栓强度验算55.1.2 端板厚度验算6 5.1.3 梁柱节点域剪应力验算65.1.4 螺栓处腹板强度验算65.2 梁梁节点65.2.1 梁梁节点螺栓强度验算65.2.2 端板厚度验算7 5.2.3 螺栓处腹板强度验算76、 施工图8参考文献81、基本资料1.1、建筑物基本资料某单层单跨钢结构厂房长度 150m,檐口高度:7500mm,基础顶埋深:800mm,柱距:7500mm,跨度:15000mm,屋顶坡度 0.1。如图 0 框架立面图。图 0 框架立面图1.2、设计荷载恒载:,风载:,活载:,不考虑抗震设防。2、内力图用力学求解器计算这种荷载作用下的门式钢架内力,并经最不利组合得出的弯矩包络图,剪力包络图,轴力包络图如下所示。图 1 弯矩包络图 (单位:KN·M)图 2 剪力包络图 (单位:KN)图 3 轴力包络图 (单位:KN)3、钢材级别和梁柱截面本门式钢架采纳碳素结构钢,牌号表达为 Q235 钢。经 PKPM 软件计算得出钢材截面。由图 2 可知截面大小,梁采纳焊接 H 型钢 HM234×180×6×8,柱采纳焊接 H 型钢 HM480×250×6×8。 (a) (b)图 4 截面示意图 (a)梁截面;(b)柱截面4、焊接方法和焊条型号焊接方法选用设备简单,操作灵活方便的手工电弧焊。钢板及型钢为 Q235 钢,焊条型号选用 E43 型。对接焊质量等级不低于二级。5、节点设计5.1 梁柱节点梁节点连接采纳 10.9 级 M27 高强摩擦型螺栓。构件接触面采纳喷砂处理,摩擦面抗滑移系数 0.45。每个高强度螺栓的预拉力按课本表 3.8 为 290KN,见图 5,连接处传递的内力值 N=23KN,M=147.2KN· ,V=61.5KN。5.1.1 柱节点螺栓强度验算连接受剪承载力设计值计算:按比例关系可求得:验算受剪承载力设计值:图 5 梁柱节点示意图5.1.2 端板厚度验算端板厚度取为 t=22mm,宽度 b=250mm。按伸臂类端板计算:经计算,端板厚度能满足要求。5.1.3 梁柱节点域剪应力验算经计算,节点域剪应力能满足要求。5.1.4 螺栓处腹板强度验算按下式计算:经计算,螺栓处腹板强度能满足要求。5.2 梁梁节点节点连接采纳 10.9 级 M22 高强摩擦型螺栓。构件接触面采纳喷砂处理,摩擦面抗滑移系数 0.5。每个高强度螺栓的预拉力按课本表 3.8 为 155KN,见图 5,连接处传递的内力值 N= 17KN M=77.9KN· V=5.2KN5.2.1 梁梁...

1、当您付费下载文档后,您只拥有了使用权限,并不意味着购买了版权,文档只能用于自身使用,不得用于其他商业用途(如 [转卖]进行直接盈利或[编辑后售卖]进行间接盈利)。
2、本站所有内容均由合作方或网友上传,本站不对文档的完整性、权威性及其观点立场正确性做任何保证或承诺!文档内容仅供研究参考,付费前请自行鉴别。
3、如文档内容存在违规,或者侵犯商业秘密、侵犯著作权等,请点击“违规举报”。

碎片内容

钢结构课程设计(PKPM出图-节点验算)

您可能关注的文档

确认删除?
VIP
微信客服
  • 扫码咨询
会员Q群
  • 会员专属群点击这里加入QQ群
客服邮箱
回到顶部