电脑桌面
添加小米粒文库到电脑桌面
安装后可以在桌面快捷访问

阀门井检验批质量验收记录表

阀门井检验批质量验收记录表_第1页
1/8
阀门井检验批质量验收记录表_第2页
2/8
阀门井检验批质量验收记录表_第3页
3/8
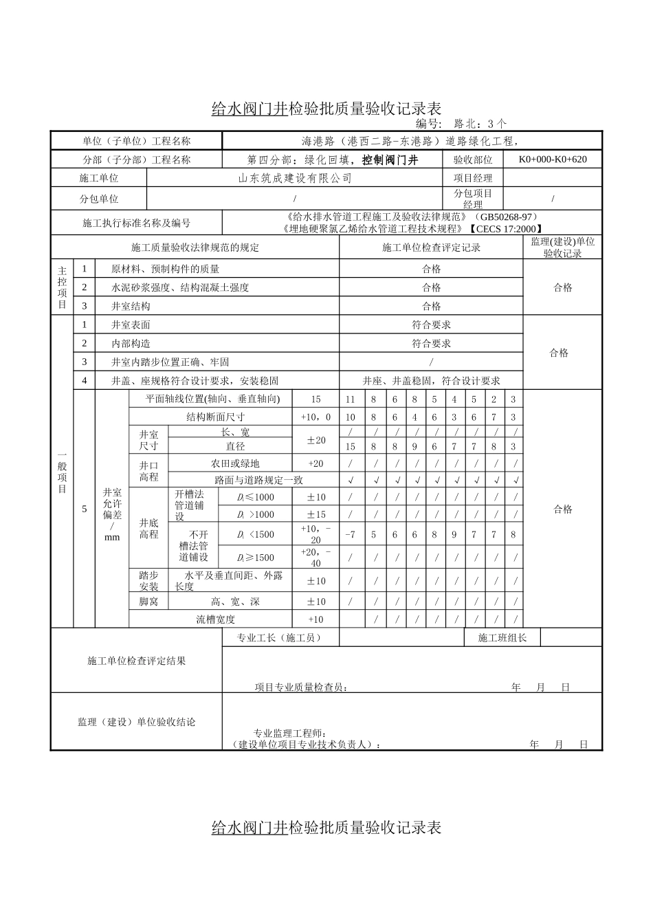
给水阀门井检验批质量验收记录表编号: 路北:3 个 单位(子单位)工程名称海港路(港西二路-东港路)道路绿化工程, 分部(子分部)工程名称第四分部:绿化回填,控制阀门井 验收部位K0+000-K0+620施工单位山东筑成建设有限公司项目经理 分包单位/分包项目经理/施工执行标准名称及编号《给水排水管道工程施工及验收法律规范》(GB50268-97)《埋地硬聚氯乙烯给水管道工程技术规程》【CECS 17:2000】施工质量验收法律规范的规定施工单位检查评定记录监理(建设)单位验收记录主控项目1原材料、预制构件的质量合格合格2水泥砂浆强度、结构混凝土强度合格3井室结构合格一般项目1井室表面符合要求合格2内部构造符合要求3井室内踏步位置正确、牢固/4井盖、座规格符合设计要求,安装稳固井座、井盖稳固,符合设计要求5井室允许偏差/mm平面轴线位置(轴向、垂直轴向)151186854523合格结构断面尺寸+10,01086463673井室尺寸长、宽±20/////////直径1588967783井口高程农田或绿地+20/////////路面与道路规定一致√√√√√√√√√井底高程开槽法管道铺设Di≤1000±10/////////Di >1000±15/////////不开槽法管道铺设Di <1500+10,-20-756689778Di≥1500+20,-40/////////踏步安装水平及垂直间距、外露长度±10/////////脚窝高、宽、深±10/////////流槽宽度+10////////施工单位检查评定结果专业工长(施工员)施工班组长项目专业质量检查员: 年 月 日 监理(建设)单位验收结论专业监理工程师:(建设单位项目专业技术负责人): 年 月 日给水阀门井检验批质量验收记录表 编号: 路南 2 个单位(子单位)工程名称海港路(港西二路-东港路)道路绿化工程, 分部(子分部)工程名称第四分部:绿化回填,控制阀门井 验收部位K0+000-K0+620 施工单位山东筑成建设有限公司项目经理 分包单位/分包项目经理/施工执行标准名称及编号《给水排水管道工程施工及验收法律规范》(GB50268-97)《埋地硬聚氯乙烯给水管道工程技术规程》【CECS 17:2000】施工质量验收法律规范的规定施工单位检查评定记录监理(建设)单位验收记录主控项目1原材料、预制构件的质量合格合格2水泥砂浆强度、结构混凝土强度合格3井室结构合格一般项目1井室表面符合要求合格2内部构造符合要求3井室内踏步位置正确、牢固/4井盖、座规格符合设计要求,安装稳固井座、井盖稳固,符合设计要求5井室...

1、当您付费下载文档后,您只拥有了使用权限,并不意味着购买了版权,文档只能用于自身使用,不得用于其他商业用途(如 [转卖]进行直接盈利或[编辑后售卖]进行间接盈利)。
2、本站所有内容均由合作方或网友上传,本站不对文档的完整性、权威性及其观点立场正确性做任何保证或承诺!文档内容仅供研究参考,付费前请自行鉴别。
3、如文档内容存在违规,或者侵犯商业秘密、侵犯著作权等,请点击“违规举报”。

碎片内容

阀门井检验批质量验收记录表

您可能关注的文档

确认删除?
VIP
微信客服
  • 扫码咨询
会员Q群
  • 会员专属群点击这里加入QQ群
客服邮箱
回到顶部