电脑桌面
添加小米粒文库到电脑桌面
安装后可以在桌面快捷访问

防水导墙技术交底

防水导墙技术交底_第1页
1/3
防水导墙技术交底_第2页
2/3
防水导墙技术交底_第3页
3/3
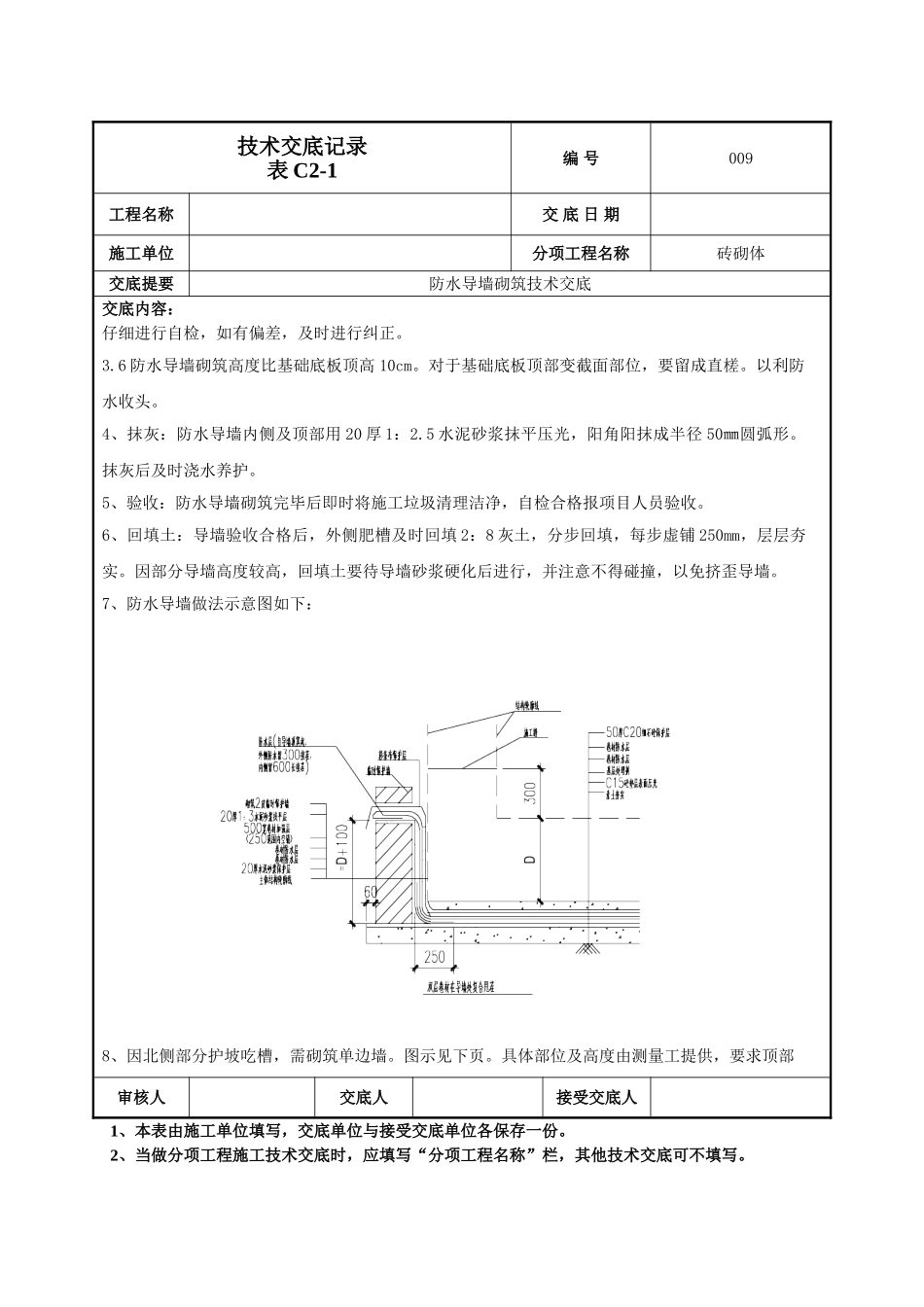
技术交底记录表 C2-1编 号009工程名称交 底 日 期施工单位分项工程名称砖砌体交底提要防水导墙砌筑技术交底交底内容: 一、材料要求页岩砖、中砂、P.O32.5 水泥、水二、主要机具大铲、刨锛、瓦刀、托线板、线坠、卷尺、铁水平尺、皮数杆、水桶、灰槽、扫帚等。三、作业条件:1、基础垫层施工完毕,达到可上人强度(1.2Map 以上)。2、在垫层上弹好导墙内边线,并经验收完毕。3、按标高要求立好皮数杆,皮数杆的间距 15-20m。四、操作工艺1、工艺流程:放线→施工准备→搅拌砂浆→砌筑→抹灰→验收→回填土2、砂浆搅拌:砌筑砂浆配合比为水泥:砂=1:3(重量比),采纳人工拌制,搅拌均匀。3、砌筑:3.1 防水导墙为 240 厚砖墙,采纳页岩砖砌筑,一顺一丁砌筑法。3.2 防水导墙沿高度方向分为两部分:永久保护墙和临时保护墙。永久保护墙砌筑高度比基础底板顶高出 100mm,待做完导墙防水后,将卷材甩茬上卷至永久保护墙顶部,上砌两皮砖作为临时保护墙。做外墙防水时将临时保护墙拆除。3.3 砌筑前两小时将砖洒水润湿,一般以水浸入砖内 15mm 为宜,含水率为 10%~15%。3.4 导墙从垫层上皮起砌筑,砌筑时层层挂线,当几个人共使用一根通线,中间应设几个支线点,小线要拉紧,每层砖都要穿线看平,使平直通顺。3.5 砌砖采纳一铲灰、一块砖、一挤揉的“三一”砌砖法,即满铺、满挤操作法。砌砖一定要跟线, “上跟线,下跟棱,左右相邻要对平”。水平灰缝和竖向灰缝厚在 8-10mm 之间。要求在做作过程中审核人交底人接受交底人1、本表由施工单位填写,交底单位与接受交底单位各保存一份。2、当做分项工程施工技术交底时,应填写“分项工程名称”栏,其他技术交底可不填写。技术交底记录表 C2-1编 号009工程名称交 底 日 期施工单位分项工程名称砖砌体交底提要防水导墙砌筑技术交底交底内容: 仔细进行自检,如有偏差,及时进行纠正。3.6 防水导墙砌筑高度比基础底板顶高 10cm。对于基础底板顶部变截面部位,要留成直槎。以利防水收头。4、抹灰:防水导墙内侧及顶部用 20 厚 1:2.5 水泥砂浆抹平压光,阳角阳抹成半径 50㎜圆弧形。抹灰后及时浇水养护。5、验收:防水导墙砌筑完毕后即时将施工垃圾清理洁净,自检合格报项目人员验收。6、回填土:导墙验收合格后,外侧肥槽及时回填 2:8 灰土,分步回填,每步虚铺 250mm,层层夯实。因部分导墙高度较高,回填土要待导墙砂浆硬化后进行,并注意不得碰撞,以免挤歪导...

1、当您付费下载文档后,您只拥有了使用权限,并不意味着购买了版权,文档只能用于自身使用,不得用于其他商业用途(如 [转卖]进行直接盈利或[编辑后售卖]进行间接盈利)。
2、本站所有内容均由合作方或网友上传,本站不对文档的完整性、权威性及其观点立场正确性做任何保证或承诺!文档内容仅供研究参考,付费前请自行鉴别。
3、如文档内容存在违规,或者侵犯商业秘密、侵犯著作权等,请点击“违规举报”。

碎片内容

防水导墙技术交底

不二商店+ 关注
实名认证
内容提供者

我是你的不二选择

确认删除?
VIP
微信客服
  • 扫码咨询
会员Q群
  • 会员专属群点击这里加入QQ群
客服邮箱
回到顶部