电脑桌面
添加小米粒文库到电脑桌面
安装后可以在桌面快捷访问

防水节点深化设计

防水节点深化设计_第1页
1/10
防水节点深化设计_第2页
2/10
防水节点深化设计_第3页
3/10
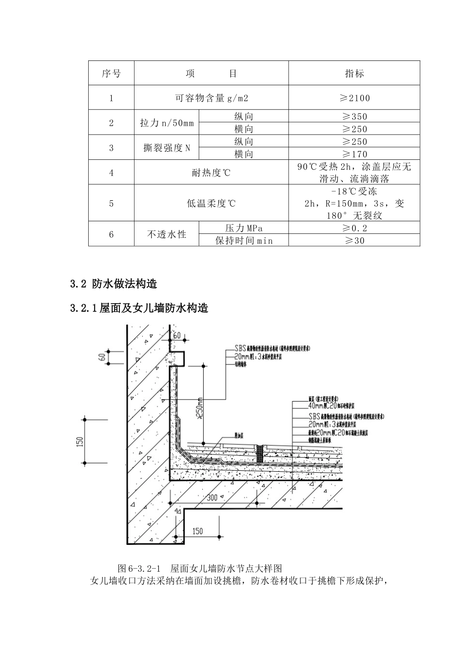
第三章 防水节点深化设计 在原有设计基础上,根据本工程特点, 911 非焦油聚氨酯防水涂料、SBS 高聚物改性沥青防水卷材防水系统的特点和现场条件,对整个防水分包工程进行了详细的设计,力求满足设计师的设计意图,达到良好的防水效果。3.1 根据防水设计要求,防水材料的选用 地下室底板、侧墙、拟采纳 1.5mm 厚 SBS 高聚物改性沥青防水卷材为主要防水材料; 卫生间、水池防水采纳 2mm 厚 911 非焦油聚氨酯防水涂膜防水材料;屋面防水拟采纳 1.5mm 厚 SBS 高聚物改性沥青防水卷材为主要防水材料。3.1.1 SBS 高聚物改性沥青防水卷材 SBS 改性沥青防水卷材是以热塑性弹性体为改性剂,将石油沥青改性后作浸渍涂盖材料,以玻纤毡或聚酯毡等增强材料为胎体,以塑料薄膜、矿物粒、片料等作为防粘隔离层,经过选材、配料、共熔、浸渍、复合成型、卷曲、检验、分卷、包装等工序加工而制成的一种柔性中、高档的可卷曲的片状防水材料,属弹性体沥青防水卷材中有代表性的品种。1. 主要特点有综合性能强,具有良好的耐高温柔低温以及耐老化性能,施工简便。本品加入 10%—15%的 SBS 热塑性弹性体,使之具有橡胶和塑料的双重特性。在常温下,具有橡胶状弹性,在高温下又像塑料那样具有熔融流动性能,是塑料、沥青等脆性材料的增韧剂,经过 SBS 这种热塑性弹性体材料改性后沥青作防水卷材的浸渍涂盖层,从而提高了卷材的弹性和耐疲劳性,延长了卷材的使用寿命,增强了卷材的综合性能。3.1.2 911 非焦油聚氨酯防水涂料911 非焦油聚氨酯防水涂料是双组份固化反应型防水涂料。甲组份是以聚醚树脂和二异氰酸酯等经聚合反应制成的预聚物;乙组份由硫化剂、催化剂、树脂等多种辅助剂精制而成。甲、乙组份按一定比例配合搅拌均匀,涂在基面上,经固化反应后形成整体而具有橡胶状弹性的防水膜。 1. 主要特点① 液态施工,常温固化,操作方便,工期短。② 粘结力强、延伸性好、抗拉强度高。③ 产品固体含量高,性能稳定,耐候性好,防水性能可靠。④ 可在稍潮湿的基面上施工(含水率<10%)。⑤ 冷施工作业,操作安全。2. 技术性能指标序号项 目指标1可容物含量 g/m2≥21002拉力 n/50mm纵向≥350横向≥2503撕裂强度 N纵向≥250横向≥1704耐热度℃90℃受热 2h,涂盖层应无滑动、流淌滴落5低温柔度℃-18℃受冻2h,R=150mm,3s,变180°无裂纹6不透水性压力 MPa≥0.2保持时间 min≥303.2 防水做法构造3.2.1 屋面及女儿墙防水...

1、当您付费下载文档后,您只拥有了使用权限,并不意味着购买了版权,文档只能用于自身使用,不得用于其他商业用途(如 [转卖]进行直接盈利或[编辑后售卖]进行间接盈利)。
2、本站所有内容均由合作方或网友上传,本站不对文档的完整性、权威性及其观点立场正确性做任何保证或承诺!文档内容仅供研究参考,付费前请自行鉴别。
3、如文档内容存在违规,或者侵犯商业秘密、侵犯著作权等,请点击“违规举报”。

碎片内容

防水节点深化设计

一帆文传+ 关注
实名认证
内容提供者

欢迎光临店铺,各类公文供您挑选。

确认删除?
VIP
微信客服
  • 扫码咨询
会员Q群
  • 会员专属群点击这里加入QQ群
客服邮箱
回到顶部