电脑桌面
添加小米粒文库到电脑桌面
安装后可以在桌面快捷访问

项目工程管理体系

项目工程管理体系_第1页
1/5
项目工程管理体系_第2页
2/5
项目工程管理体系_第3页
3/5
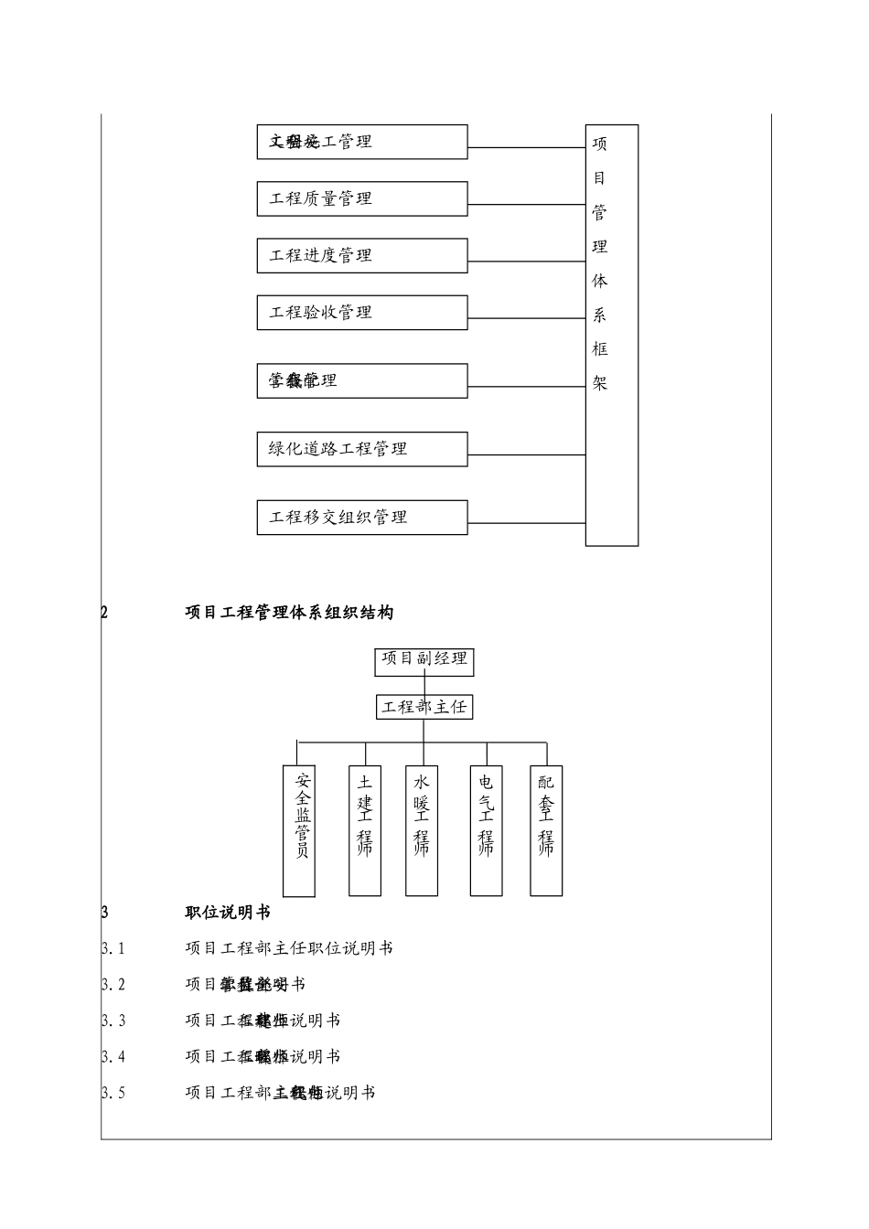
项目工程管理体系受控状态:____受控_________发放编号:________________生效日期:___2025-04-02 ____版本/修改次第更改页次/章节编制审核批准生效日期1项目工程管理体系框架 安全监管员土建工程师电气工程师 水暖工程师配套工程师2项目工程管理体系组织结构3职位说明书3.1项目工程部主任职位说明书3.2项目工程部安全监管员职位说明书3.3项目工程部土建工程师职位说明书3.4项目工程部水暖工程师职位说明书3.5项目工程部主任电气工程师职位说明书项 目 管 理 体 系 框 架工程安全文明施工管理工程质量管理工程进度管理工程验收管理管线配套工程管理绿化道路工程管理工程移交组织管理项目副经理工程部主任安全监管员土建工程师水暖工程师电气工程师配套工程师3.6项目工程部配套工程师职位说明书44.14.24.34.44.54.64.74.84.94.104.114.124.13项目工程管理体系工作程序项目安全文明施工管理程序 (BT-XM-GC--101)项目工程质量管理程序 (BT-XM-GC-102)项目施工进度管理工作程序(BT-XM-GC-103)项目工程竣工验收备案程序(BT-XM-GC-104)单体楼座施工管理程序(BT-XM-GC-105)道路绿化工程管理程序(BT-XM-GC-106)配套工程施工管理程序(BT-XM-GC-107)测绘放线、竣工测量工作程序 (BT-XM-GC-108)竣工工程移交管理程序(BT-XM-GC-109)技术资料管理程序(BT-XM-GC-110)环境工程设计管理程序(BT-XM-GC-111)工程款拨付管理程序(BT-XM-GC-112)工程物资采购工作程序(BT-XM-GC-113)55.15.25.35.45.55.6项目工程管理体系各项管理规定建筑工程安全生产管理制度(项目)(BT-XM-GC-201)建筑工程质量管理制度(项目)(BT-XM-GC-202)建筑工程施工进度控制管理制度(项目)(BT-XM-GC-203)建筑工程移交管理规定(BT-XM-GC-204)建筑工程施工现场技术资料管理规定(BT-XM-GC-205)建筑工程竣工验收及备案管理规定(BT-XM-GC-206)6项目工程管理体系的改进和提升项目工程工作人员应注意随时收集有关建筑工程管理方面的信息,国家有关安全、质量方面的新法律规范和法规,积极参加有关部门组织的学习,不断提高自身综合素养。根据日常工作中发现的问题,及时修正管理体系中存在的问题,不断改进工作方法,提高工作能力。77.17.27.37.47.57.67.7项目工程管理体系相关表格开工前文件审查表(BT-XM-GC-301)施工过程内业资料审查表(BT-XM-GC-302)建筑施工安全检查表(系列表格)(BT-XM-GC-303)建筑施工质量检查表(系列表格)(BT-XM-GC-304)施工进度核查记录(系列表格)(BT-XM-GC-305)月度资金拨付计划表(BT-XM-GC-306)罚款通知单(BT-XM-GC-307)注: 1 持有本文件者应严格按此文件要求执行。2 若认为本文件有不合理之处应及时向本文件的审核人提出修改意见。

1、当您付费下载文档后,您只拥有了使用权限,并不意味着购买了版权,文档只能用于自身使用,不得用于其他商业用途(如 [转卖]进行直接盈利或[编辑后售卖]进行间接盈利)。
2、本站所有内容均由合作方或网友上传,本站不对文档的完整性、权威性及其观点立场正确性做任何保证或承诺!文档内容仅供研究参考,付费前请自行鉴别。
3、如文档内容存在违规,或者侵犯商业秘密、侵犯著作权等,请点击“违规举报”。

碎片内容

项目工程管理体系

确认删除?
VIP
微信客服
  • 扫码咨询
会员Q群
  • 会员专属群点击这里加入QQ群
客服邮箱
回到顶部