电脑桌面
添加小米粒文库到电脑桌面
安装后可以在桌面快捷访问

项目抹灰施工方案编制审批要点

项目抹灰施工方案编制审批要点_第1页
1/4
项目抹灰施工方案编制审批要点_第2页
2/4
项目抹灰施工方案编制审批要点_第3页
3/4
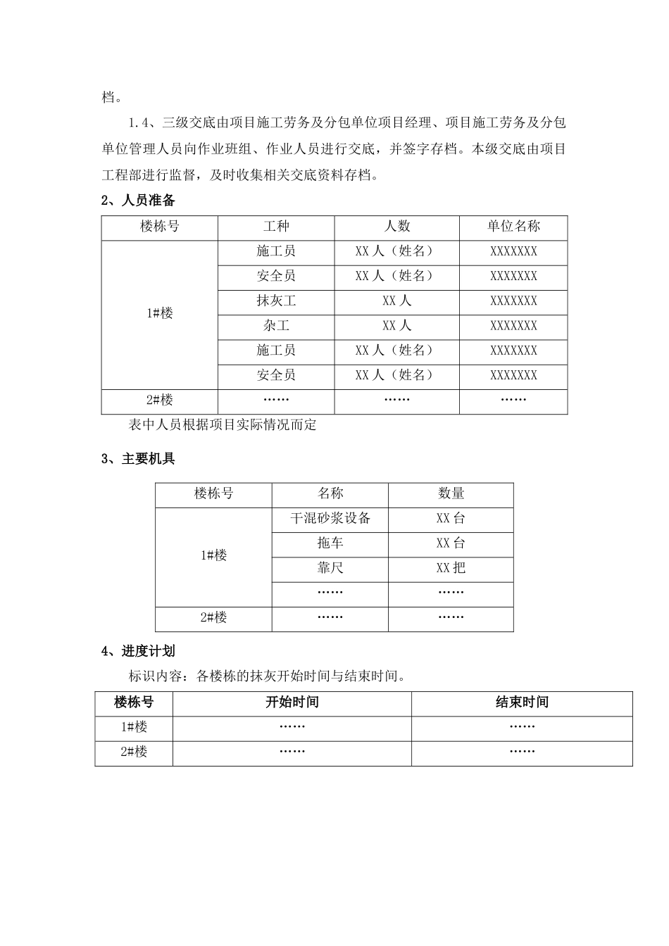
XX 项目抹灰施工方案编制、审核要点一、工程概况至少介绍如下内容:1.常规建筑概况:包括工程地理位置,建筑面积,栋号数建筑高度等;2.根据图纸装修做法表,列出各部位对应抹灰做法;二、编制依据(至少包括以下依据)编号类别名称编号1国家标准建筑工程施工质量统一验收标准GB50300-20252建筑装饰装修工程质量验收法律规范GB50210-20253…………4行业标准建筑施工安全检查标准JGJ59-20255建筑构造用料做法11ZJ-0016建筑施工高处作业安全技术法律规范JGJ80-20257…………8地方标准…………9其他XX 项目施工组织设计10XX 项目施工图纸12…………(注:编制依据应不限于以上内容,请查阅资料尽可能搜集齐全)三、施工准备及计划(至少应包括以下内容)1、技术准备1.1、编制《XX 项目抹灰专项施工方案》。1.2、方案编制人员作为交底人,向方案中所涉及的项目主要管理人员、项目施工劳务及分包单位主要管理人员进行交底,被交底人签字存档。1.3、项目主要管理人员(项目工程部、质量部、安全部)向项目施工劳务及分包单位项目经理、项目施工劳务及分包单位管理人员进行交底,并签字存档。1.4、三级交底由项目施工劳务及分包单位项目经理、项目施工劳务及分包单位管理人员向作业班组、作业人员进行交底,并签字存档。本级交底由项目工程部进行监督,及时收集相关交底资料存档。2、人员准备楼栋号工种人数单位名称1#楼施工员XX 人(姓名)XXXXXXX安全员XX 人(姓名)XXXXXXX抹灰工XX 人XXXXXXX杂工XX 人XXXXXXX施工员XX 人(姓名)XXXXXXX安全员XX 人(姓名)XXXXXXX2#楼………………表中人员根据项目实际情况而定3、主要机具楼栋号名称数量1#楼干混砂浆设备XX 台拖车XX 台靠尺XX 把…………2#楼…………4、进度计划标识内容:各楼栋的抹灰开始时间与结束时间。 楼栋号开始时间结束时间1#楼…………2#楼…………5、作业条件抹灰前砌体验收合格、洒水、方向等准备工作。四、施工方法1、砂浆制作2、内墙抹灰工艺1.1、工艺流程弹方正控制线→搭设脚手架→基层处理→挂贴钢丝网→吊垂直、套方、找规矩、贴灰饼→抹底层砂浆→修抹预留孔洞、配电箱、槽、盒→抹面层砂浆(罩面)→养护1.2、内墙抹灰施工工艺3、顶棚抹灰工艺1.1、工艺流程搭设脚手架→基层处理→套方、找规矩、贴灰饼→抹底层砂浆→抹面层砂浆(罩面)→养护1.2、顶棚抹灰施工工艺4、特别部位要求五、质量保证措施(至少应包含以下内容)1、抹灰用砂浆运输和在楼层存放要求2、空...

1、当您付费下载文档后,您只拥有了使用权限,并不意味着购买了版权,文档只能用于自身使用,不得用于其他商业用途(如 [转卖]进行直接盈利或[编辑后售卖]进行间接盈利)。
2、本站所有内容均由合作方或网友上传,本站不对文档的完整性、权威性及其观点立场正确性做任何保证或承诺!文档内容仅供研究参考,付费前请自行鉴别。
3、如文档内容存在违规,或者侵犯商业秘密、侵犯著作权等,请点击“违规举报”。

碎片内容

项目抹灰施工方案编制审批要点

确认删除?
VIP
微信客服
  • 扫码咨询
会员Q群
  • 会员专属群点击这里加入QQ群
客服邮箱
回到顶部