电脑桌面
添加小米粒文库到电脑桌面
安装后可以在桌面快捷访问

高空、大跨度悬挑外脚手架搭设QC方案

高空、大跨度悬挑外脚手架搭设QC方案_第1页
1/9
高空、大跨度悬挑外脚手架搭设QC方案_第2页
2/9
高空、大跨度悬挑外脚手架搭设QC方案_第3页
3/9
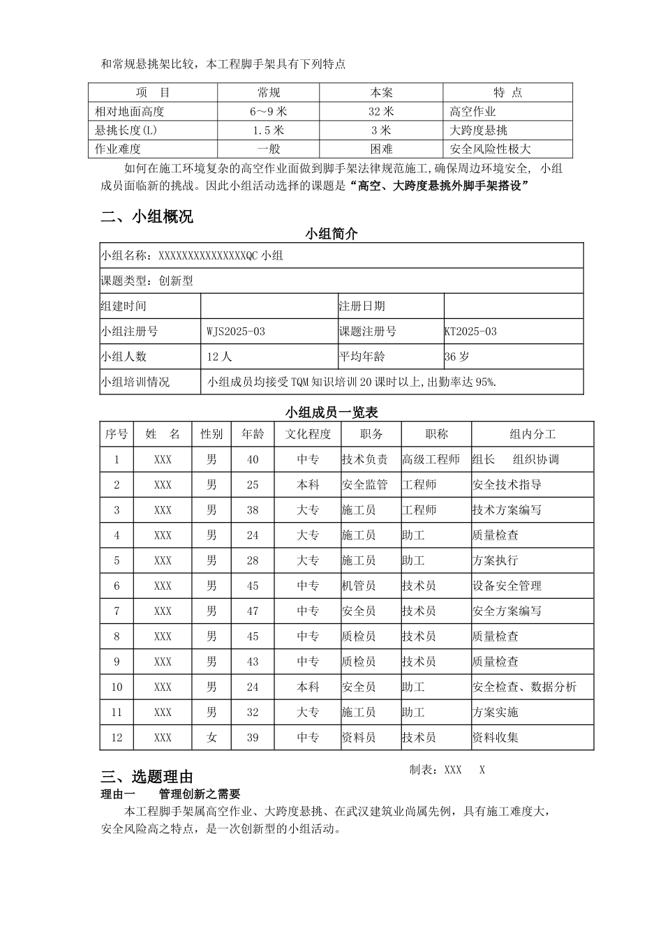
高空、大跨度悬挑外脚手架搭设XXXXXXXXXXXXXXXQC 小组一、 工程概况由我公司承建的 XXXXXXXXXXX 工程位于汉口解放大道,武汉国际会展中心东侧,地上三十层,建筑高度 110 米。本工程原设计一至七层裙楼为商业建筑(现 SOGO 百货),主楼部分为高档酒店,1997 年主体结构完工后成为“烂尾楼”闲置多年。2025 年,重新接手该工程的开发商拟将八~三十层主楼改造为小户型酒店式公寓,并对现有结构进行改扩建。 扩建方法主要为:现有结构植筋、加大梁柱截面、混凝土现浇沿外墙四周水平扩宽 1.6 米。根据改扩建方案,施工前必须搭设防护脚手架,为不影响商场正常营业,脚手架只能实行从九层楼面悬挑搭设的方式,并要留出扩建施工的操作面。主楼扩建平面示意图扩建结构制图:XXX 扩建示意图脚手架搭设示意图和常规悬挑架比较,本工程脚手架具有下列特点如何在施工环境复杂的高空作业面做到脚手架法律规范施工,确保周边环境安全, 小组成员面临新的挑战。因此小组活动选择的课题是“高空、大跨度悬挑外脚手架搭设”二、小组概况小组简介小组名称:XXXXXXXXXXXXXXXQC 小组课题类型:创新型组建时间注册日期小组注册号WJS2025-03课题注册号KT2025-03小组人数12 人平均年龄36 岁小组培训情况小组成员均接受 TQM 知识培训 20 课时以上,出勤率达 95%.小组成员一览表序号姓 名性别年龄文化程度职务职称组内分工1XXX男40中专技术负责高级工程师组长 组织协调2XXX男25本科安全监管工程师安全技术指导3XXX男38大专施工员工程师技术方案编写4XXX男24大专施工员助工质量检查5XXX男28大专施工员助工方案执行6XXX男45中专机管员技术员设备安全管理7XXX男47中专安全员技术员安全方案编写8XXX男45中专质检员技术员质量检查9XXX男43中专质检员技术员质量检查10XXX男24本科安全员助工安全检查、数据分析11XXX男32大专施工员助工方案实施12XXX女39中专资料员技术员资料收集三、选题理由理由一 管理创新之需要 本工程脚手架属高空作业、大跨度悬挑、在武汉建筑业尚属先例,具有施工难度大,安全风险高之特点,是一次创新型的小组活动。项 目常规本案特 点相对地面高度6~9 米32 米高空作业悬挑长度(L)1.5 米3 米大跨度悬挑作业难度一般困难安全风险性极大制表:XXX X理由二 技术创新之需要作为承重体系的水平钢梁悬挑跨度大,结构受力复杂,必须先从理论上创建合理的计算模型,通过受力分析、结构计算,为方案实施提供可靠的依据,是技术创新...

1、当您付费下载文档后,您只拥有了使用权限,并不意味着购买了版权,文档只能用于自身使用,不得用于其他商业用途(如 [转卖]进行直接盈利或[编辑后售卖]进行间接盈利)。
2、本站所有内容均由合作方或网友上传,本站不对文档的完整性、权威性及其观点立场正确性做任何保证或承诺!文档内容仅供研究参考,付费前请自行鉴别。
3、如文档内容存在违规,或者侵犯商业秘密、侵犯著作权等,请点击“违规举报”。

碎片内容

高空、大跨度悬挑外脚手架搭设QC方案

确认删除?
VIP
微信客服
  • 扫码咨询
会员Q群
  • 会员专属群点击这里加入QQ群
客服邮箱
回到顶部