电脑桌面
添加小米粒文库到电脑桌面
安装后可以在桌面快捷访问

009--高墩翻模技术交底

009--高墩翻模技术交底_第1页
1/8
009--高墩翻模技术交底_第2页
2/8
009--高墩翻模技术交底_第3页
3/8
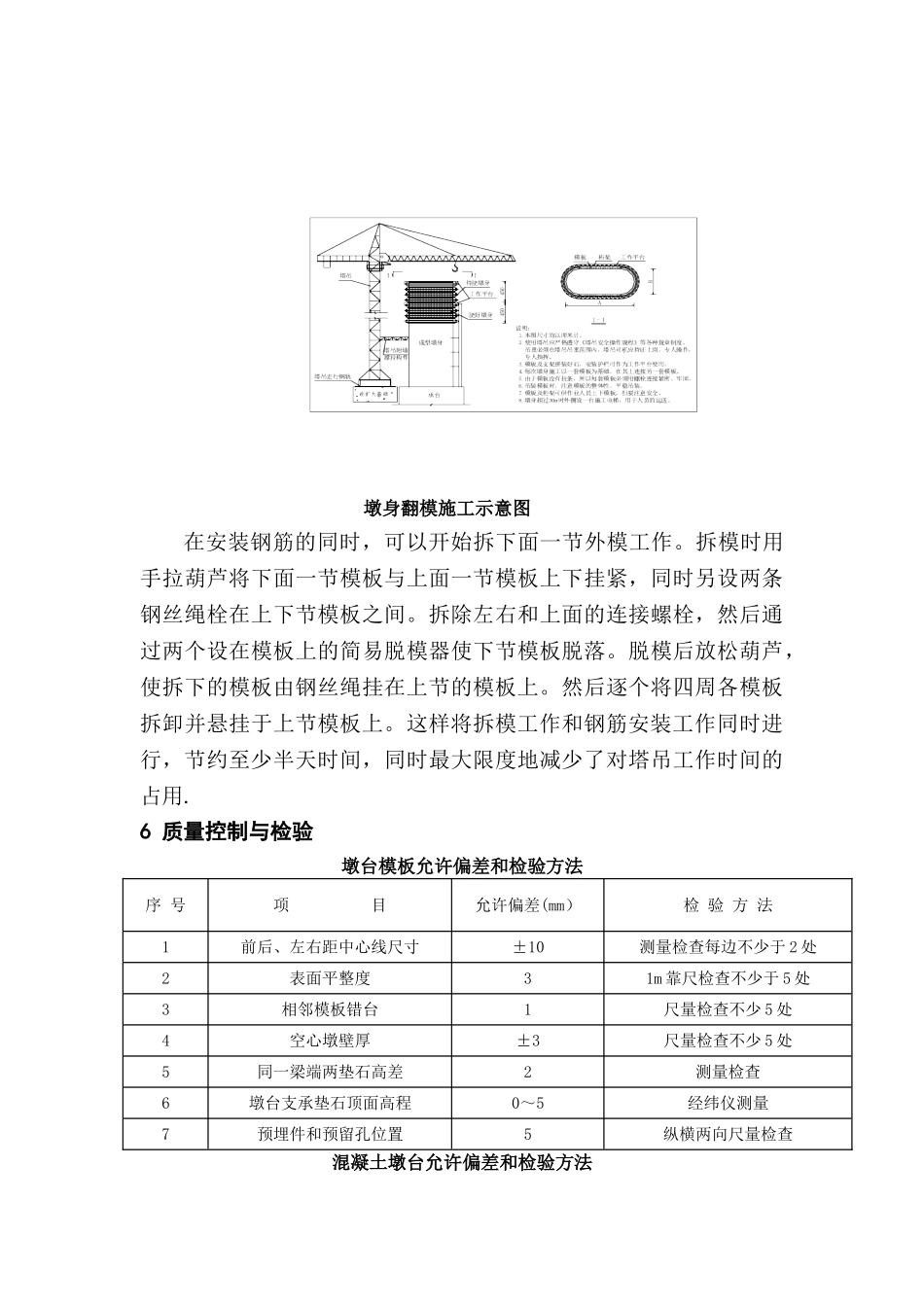
高墩翻模作业指导书1 工艺概况明确高墩翻模施工作业的工艺流程、操作要点和相应的工艺标准,指导、法律规范高墩施工。翻模施工技术适用于圆端形、矩形等各种截面形式的高墩施工。但对于收坡高墩,且同类型桥墩数量较多的,应采纳大块成套钢模,分段支立、浇灌,在不同墩位间倒用。本作业指导书适用于中铁十四局沪昆铁路客运专线贵州段CKGZTJ—7 标段桥梁工程 25m 以上的空心墩施工。2 编制依据《 客 运 专 线 铁 路 桥 涵 工 程 施 工 质 量 验 收 暂 行 标 准 》 铁 建 设[2025]160 号《客运专线铁路桥涵工程施工技术指南》TZ213—7005《沪昆铁路客运专线施工图设计文件》3 作业内容高墩翻模施工的作业内容主要有承台找平、支立调整段模板、浇筑墩身、达到设计高度后搭设脚手架平台、组装翻模提升平台、安装液压设备、插入顶杆、支立翻模模板、分层浇筑墩身砼、缓慢提升平台、分次完成剩余收坡量、平台提升就位,锁定抗风柱连接、终凝后接长钢筋,拆除单元下层翻模模板、安装内模,模板提升、安装外模、千斤顶收坡。4 材料要求选用的钢筋、水泥及粗、细骨料等原材料应符合设计要求,并按相关规定进行检验。混凝土配合比应满足设计要求,并严格根据监理批复的施工配合比施工。5 施工工艺流程及工艺要求5。1 吊机提升法5.1。1 施工特点翻模是由上、下二组同样规格的模板组成,随着混凝土的连续灌筑,下层混凝土达到拆模强度后,用吊机配合自下而上将模板拆除,接续支立,如此循环往复,完成桥墩的灌注施工。5。2.2 施工方法及工艺要求(以圆端形薄壁空心墩为例)1、墩身模板外模分上、下两节,一次支立而成,接缝采纳阴阳锲接头,模板制作精度如下:尺寸误差小于 2mm,倾斜角偏差小于 1。5mm,孔位误差小于 1mm。为确保工程质量,在工厂内统一加工.模板用槽钢骨架与 6mm 钢板组焊成整体。施工过程中,两节模板交替轮番往上安装,每一节都立在已浇筑混凝土的模板上。内模采纳组合钢模拼装,内外模间设带内纹的对拉螺栓,以利于拆模和避开墩身混凝土内形成孔洞。墩身内腔每隔一定高度预设型钢作支撑梁,上面搭设门式脚手架作为装拆内模和浇筑混凝土工作平台之用。安装和拆卸模板,提升工作平台以及钢筋等物品的垂直运输均由塔吊完成。每块外模背面沿墩身上升方向焊接两条带孔钢轨,并使上、下节模板的钢轨对齐,工作平台利用插销固定在钢轨上.安装好上节外模后,可取下插销,利用塔吊将平台沿钢轨向上滑升到上节固定...

1、当您付费下载文档后,您只拥有了使用权限,并不意味着购买了版权,文档只能用于自身使用,不得用于其他商业用途(如 [转卖]进行直接盈利或[编辑后售卖]进行间接盈利)。
2、本站所有内容均由合作方或网友上传,本站不对文档的完整性、权威性及其观点立场正确性做任何保证或承诺!文档内容仅供研究参考,付费前请自行鉴别。
3、如文档内容存在违规,或者侵犯商业秘密、侵犯著作权等,请点击“违规举报”。

碎片内容

009--高墩翻模技术交底

您可能关注的文档

津创媒+ 关注
实名认证
内容提供者

欢迎交流文创,小店资料希望满足您的需要。

确认删除?
VIP
微信客服
  • 扫码咨询
会员Q群
  • 会员专属群点击这里加入QQ群
客服邮箱
回到顶部