电脑桌面
添加小米粒文库到电脑桌面
安装后可以在桌面快捷访问

EHS-A04三级安全生产教育卡

EHS-A04三级安全生产教育卡_第1页
1/1
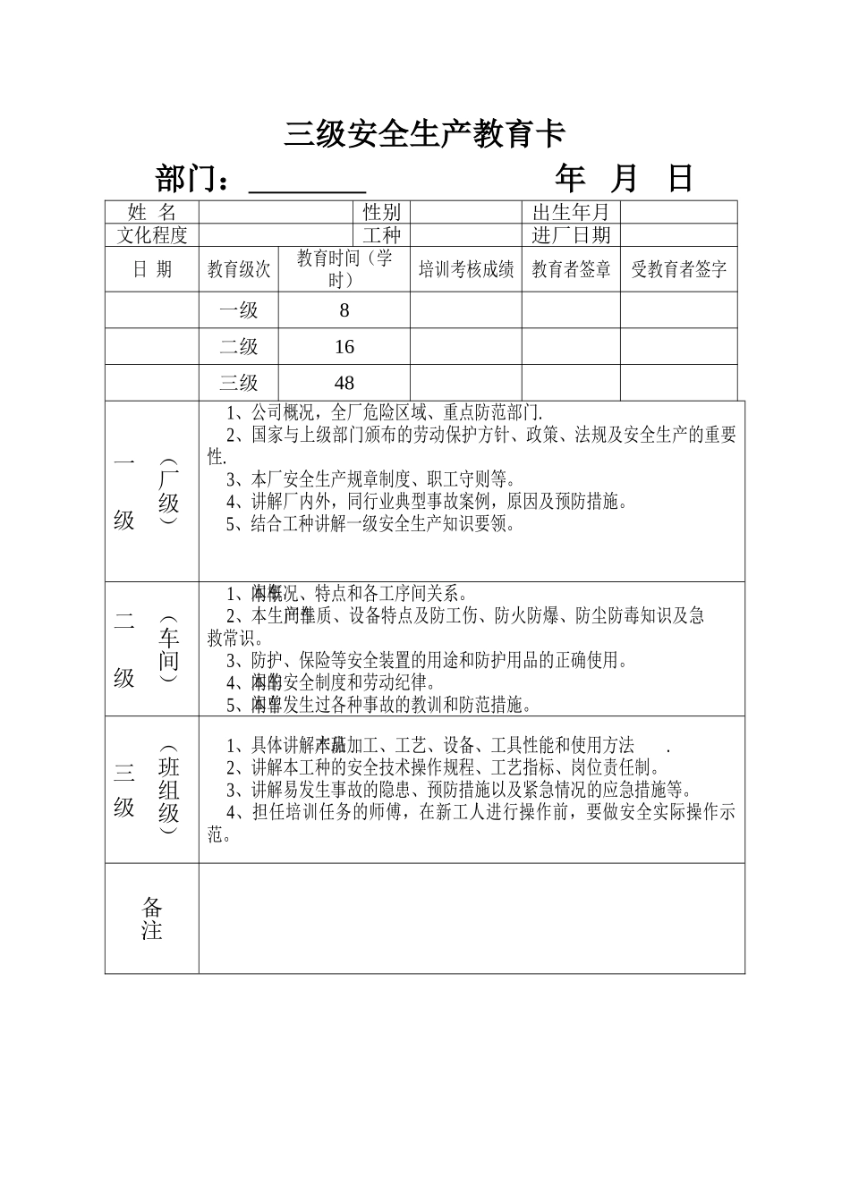
三级安全生产教育卡部门: 年 月 日姓 名性别出生年月文化程度工种进厂日期日 期教育级次教育时间(学时)培训考核成绩教育者签章受教育者签字一级8二级16三级48(厂级)一 级1、公司概况,全厂危险区域、重点防范部门.2、国家与上级部门颁布的劳动保护方针、政策、法规及安全生产的重要性.3、本厂安全生产规章制度、职工守则等。4、讲解厂内外,同行业典型事故案例,原因及预防措施。5、结合工种讲解一级安全生产知识要领。(车间)二 级1、本车间概况、特点和各工序间关系。2、本生产车间性质、设备特点及防工伤、防火防爆、防尘防毒知识及急救常识。3、防护、保险等安全装置的用途和防护用品的正确使用。4、本车间的安全制度和劳动纪律。5、本车间曾发生过各种事故的教训和防范措施。(班组级)三 级1、具体讲解本班产品加工、工艺、设备、工具性能和使用方法.2、讲解本工种的安全技术操作规程、工艺指标、岗位责任制。3、讲解易发生事故的隐患、预防措施以及紧急情况的应急措施等。4、担任培训任务的师傅,在新工人进行操作前,要做安全实际操作示范。备注

1、当您付费下载文档后,您只拥有了使用权限,并不意味着购买了版权,文档只能用于自身使用,不得用于其他商业用途(如 [转卖]进行直接盈利或[编辑后售卖]进行间接盈利)。
2、本站所有内容均由合作方或网友上传,本站不对文档的完整性、权威性及其观点立场正确性做任何保证或承诺!文档内容仅供研究参考,付费前请自行鉴别。
3、如文档内容存在违规,或者侵犯商业秘密、侵犯著作权等,请点击“违规举报”。

碎片内容

EHS-A04三级安全生产教育卡

确认删除?
VIP
微信客服
  • 扫码咨询
会员Q群
  • 会员专属群点击这里加入QQ群
客服邮箱
回到顶部