电脑桌面
添加小米粒文库到电脑桌面
安装后可以在桌面快捷访问

GB50300-2025最新全套表格Word版

GB50300-2025最新全套表格Word版_第1页
1/89
GB50300-2025最新全套表格Word版_第2页
2/89
GB50300-2025最新全套表格Word版_第3页
3/89
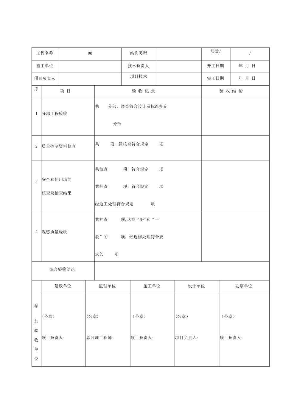
表H。0.1—1 单位工程质量竣工验收记录工程名称00结构类型层数//施工单位技术负责人开工日期年 月 日项目负责人项目技术完工日期年 月 日序项 目验 收 记 录验 收 结 论1分部工程验收共 分部,经查符合设计及标准规定分部2质量控制资料核查共 项,经核查符合规定 项3安全和使用功能核查及抽查结果共核查 项,符合规定 项共抽查 项,符合规定 项经返工处理符合规定 项4观感质量验收共抽查 项,达到“好"和“一般”的 项,经返修处理符合要求的 项综合验收结论参加验收单位建设单位监理单位施工单位设计单位勘察单位(公章)项目负责人:(公章)总监理工程师:(公章)项目负责人:(公章)项目负责人:(公章)项目负责人:注:单位工程验收时,验收签字人员应由相应单位法人代表书面授权.表H。0.1—4 单位工程观感质量检查记录注:12工程名称00施工单位序号项 目抽 查 质 量 状 况质量评价1建筑与结构主体结构外观共查 点,好 点,一般 点,差 点2室外墙面共查 点,好 点,一般 点,差 点3变形缝、雨水管共查 点,好 点,一般 点,差 点4屋面共查 点,好 点,一般 点,差 点5室内墙面共查 点,好 点,一般 点,差 点6室内顶棚共查 点,好 点,一般 点,差 点7室内地面共查 点,好 点,一般 点,差 点8楼梯、踏步、护栏共查 点,好 点,一般 点,差 点9门窗共查 点,好 点,一般 点,差 点10雨罩、台阶、坡道、散共查 点,好 点,一般 点,差 点1给排水与管道接口、坡度、支架共查 点,好 点,一般 点,差 点2卫生器具、支架、阀门共查 点,好 点,一般 点,差 点3检查口、扫除口、地漏共查 点,好 点,一般 点,差 点4散热器、支架共查 点,好 点,一般 点,差 点1通风与空风管、支架共查 点,好 点,一般 点,差 点2风口、风阀共查 点,好 点,一般 点,差 点3风机、空调设备共查 点,好 点,一般 点,差 点4管道、阀门、支架共查 点,好 点,一般 点,差 点5水泵、冷却塔共查 点,好 点,一般 点,差 点6绝热共查 点,好 点,一般 点,差 点1建筑电配电箱、盘、板、接线共查 点,好 点,一般 点,差 点2设备器具、开关、插座共查 点,好 点,一般 点,差 点3防雷、接地、防火共查 点,好 点,一般 点,差 点1智能建机房设备安装及布局共查 点,好 点,一般 点,差 点2现场设备安装共查 点,好 点,一般 点,差 点...

1、当您付费下载文档后,您只拥有了使用权限,并不意味着购买了版权,文档只能用于自身使用,不得用于其他商业用途(如 [转卖]进行直接盈利或[编辑后售卖]进行间接盈利)。
2、本站所有内容均由合作方或网友上传,本站不对文档的完整性、权威性及其观点立场正确性做任何保证或承诺!文档内容仅供研究参考,付费前请自行鉴别。
3、如文档内容存在违规,或者侵犯商业秘密、侵犯著作权等,请点击“违规举报”。

碎片内容

GB50300-2025最新全套表格Word版

确认删除?
VIP
微信客服
  • 扫码咨询
会员Q群
  • 会员专属群点击这里加入QQ群
客服邮箱
回到顶部