电脑桌面
添加小米粒文库到电脑桌面
安装后可以在桌面快捷访问

QE工程师绩效考核制度最终

QE工程师绩效考核制度最终_第1页
1/2
QE工程师绩效考核制度最终_第2页
2/2
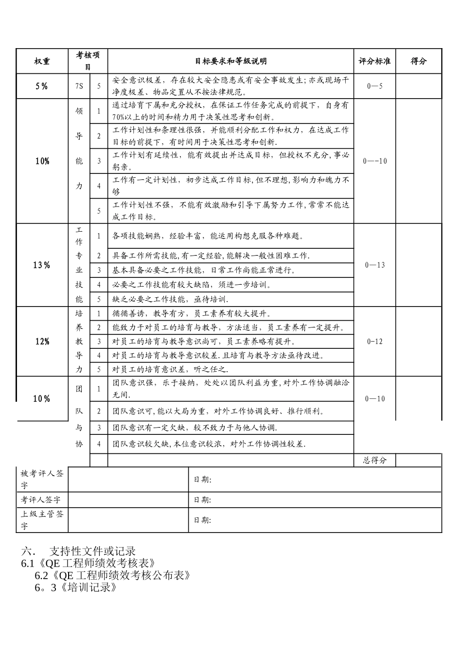
品质部 QE 工程师绩效考核制度一、目的量化工程师工作绩效,公平公开的考核工作成果,以做到奖优罚劣,充分激发其工作积极性与团队协作精神。二、范围本制度适用于品质部所有工程师.三、职责电源部门领导负责考核的落实,考核结果与绩效挂钩。四、程序 4.1、此考核每月进行一次,月末由相关人员整理、计算各个工程师的绩效总分并予以公布;4.2、考核方式分问题点(投诉次数)考核方式、满意度调查考核方式、绩效目标考核方式;4。3、问题点考核方式以服务对象的投诉次数为考核依据,每投诉一次扣绩效分数 5 分;4。4、满意度调查考核方式以服务对象的评价为考核依据.;4。5、绩效目标考核方式以量化后考核指标是否达到目标为依据,达到目标得分,达不到目标扣绩效分数;4.6、以上三种考核方式得分汇总后的分数即为各个工程师当月的绩效分数;4.7、绩效分数与绩效系数对应关系见下表:绩效得分绩效系数90 分以上2.080-90 分1.570—79 分1.060—69 分0.9560 分以下0。9五. 考核细则(见下表)月 度 绩 效 考 核 标 准 及 评 分 表QE 工程师考核用被考评人: 部门:品质部岗位:QE 工程师日期:2025 年 月 权重考核项目围绕公司年度总体目标,个人依据部门工作目标(部门 KPI 指标达成状况,内容要具体、量化)必要时可用附件。本月考核工作项目本月考核工作项目目标值达成状况得分50%月份1檢驗標准完整性90%工作2退貨處理及時性95%达成3質量改進跟進及時性98%结果4客訴處理及時性99%权重考核项目目标要求和等级说明评分标准得分5%7S5安全意识极差,存在较大安全隐患或有安全事故发生;亦或现场干净度极差、物品定置从不按法律规范。0—510%领1通过培育下属和充分授权,在保证工作任务完成的前提下,自身有70%以上的时间和精力用于决策性思考和创新。0—-10导2工作计划性和条理性很强,并能顺利分配工作和权力,在达成工作目标的前提下,有时间用于决策性思考和创新.能3工作计划有延续性,能有效提出并达成目标,但授权不充分,事必躬亲。力4工作有一定计划性,初步达成工作目标,但不理想,影响力和魄力不够5工作计划性不强,不能有效激励和引导下属努力工作,常常不能达成工作目标。13%工作1各项技能娴熟,经验丰富,能运用构想克服各种难题。0—13专2具备工作所需技能,有一定经验,能解决一般性困难工作.业3基本具备必要之工作技能,日常工作尚能正常进行。技4必要之工作技能有较大缺陷,须进一步培训。能5缺乏必要之工作技能...

1、当您付费下载文档后,您只拥有了使用权限,并不意味着购买了版权,文档只能用于自身使用,不得用于其他商业用途(如 [转卖]进行直接盈利或[编辑后售卖]进行间接盈利)。
2、本站所有内容均由合作方或网友上传,本站不对文档的完整性、权威性及其观点立场正确性做任何保证或承诺!文档内容仅供研究参考,付费前请自行鉴别。
3、如文档内容存在违规,或者侵犯商业秘密、侵犯著作权等,请点击“违规举报”。

碎片内容

QE工程师绩效考核制度最终

确认删除?
VIP
微信客服
  • 扫码咨询
会员Q群
  • 会员专属群点击这里加入QQ群
客服邮箱
回到顶部