电脑桌面
添加小米粒文库到电脑桌面
安装后可以在桌面快捷访问

WI-资-002-非生产性物料管理标准

WI-资-002-非生产性物料管理标准_第1页
1/3
WI-资-002-非生产性物料管理标准_第2页
2/3
WI-资-002-非生产性物料管理标准_第3页
3/3
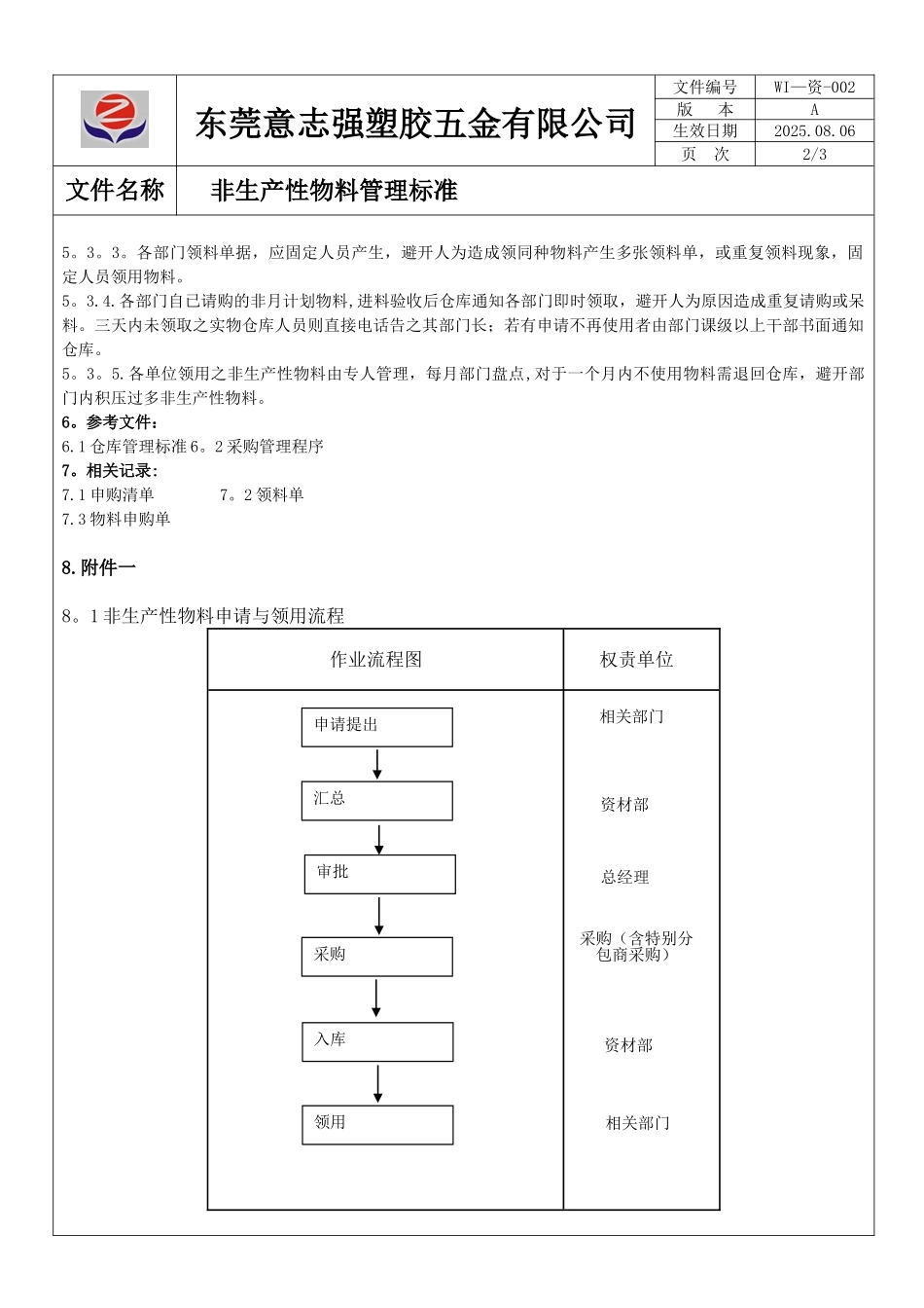
东莞意志强塑胶五金有限公司文件编号WI—资-002版 本A生效日期2025.08。06页 次2/3文件名称 非生产性物料管理标准1、目的: 为法律规范非生产性物料的申请、领用、更换或发放工作,达到节约消耗,降低生产成本,特制订本标准。2。适用范围:本公司所有非生产性物品申请、领用、更换或发放均属之.3、定义:3。1.非生产性物料:除生产性用料之外所有外购物料,具体包括设备维修、工具模配件、办公耗材、劳保日用等所有辅助材料3。2。以旧换新:指陈旧或完全无法使用的物料更换新的物料。如:白板笔、油性笔等。3。3。废旧纳新:指将料物有用的价值使用完毕后,将剩下的没有利用价值的部分重新去纳回新的相同物料。如:封箱胶纸、拉伸膜等。4、职责:4.1 非生产性物料的请购:相关单位4。2 非生产物料的购买/控制:采购/资材部4。3 非生产物料的验证:相关使用单位4。4 非生产物料的审查、批准:总经理或授权签署人5、作业内容:5。1 非生产性物料的请购:5.1.1.所有非生产物料的请购先经部门长签核后,根据实际库存情况资材部门核实总经理或授权签署人核准后,采购才可受理购买物料,避开重复请购。5。1.2。各部门所做月计划须与上月该部门实际使用量作对比(月计划须体现上月有用量),经部门长批准后,仓库核实后根据实际情况请购一周或一月的用量.周计划必须提前三天,月计划必须在当月 25 号之前提报申请。周计划与月计划请购需总经理或授权签署人核准后方可购买. 5.1。3.设备的请购申请单位需提供详细实物图纸之资料或详细描述信息,否则采购不予受理。5。2。非生产性物料的购买:5.2.1.采购整理、确认申购单据是否有效,弄清申购单位提供申购物品之具体信息,不盲目购买。5.2.2.购买需先寻价、比价、核价、再下单购买之程序,特别情况需先电话知会总经理后补签购买单据。5.2。3。采购应及时购买,并在申购单上注明物料回厂之日期.5。2。4。采购需以“物美价廉"、“货比三家”之购买方针,不得以高出市场行情价而购买物料,不得以高价购买低值物料,不得弄虚作假。5.2.5.部门请购周计划物料须于三天内回厂,月计划须于次月 2 号前回厂。5.2 非生产性物料的验收:5。2。1.仓库人员需在收货时对其外观基本品质检查验收,必须保证验收数量与送货单据数量相符.5.2.2。品管人员对物料依“检验和试验程序”进行检验。5。3 非生产性物料的领用:5。3.1.非生产物料的领用原则:① 必须以旧换新或废旧纳新,如:手套、拉伸膜、打包带、封箱胶纸等易...

1、当您付费下载文档后,您只拥有了使用权限,并不意味着购买了版权,文档只能用于自身使用,不得用于其他商业用途(如 [转卖]进行直接盈利或[编辑后售卖]进行间接盈利)。
2、本站所有内容均由合作方或网友上传,本站不对文档的完整性、权威性及其观点立场正确性做任何保证或承诺!文档内容仅供研究参考,付费前请自行鉴别。
3、如文档内容存在违规,或者侵犯商业秘密、侵犯著作权等,请点击“违规举报”。

碎片内容

WI-资-002-非生产性物料管理标准

您可能关注的文档

确认删除?
VIP
微信客服
  • 扫码咨询
会员Q群
  • 会员专属群点击这里加入QQ群
客服邮箱
回到顶部