电脑桌面
添加小米粒文库到电脑桌面
安装后可以在桌面快捷访问

一般抹灰分项工程检验批质量验收记录-------TJ4

一般抹灰分项工程检验批质量验收记录-------TJ4_第1页
1/16
一般抹灰分项工程检验批质量验收记录-------TJ4_第2页
2/16
一般抹灰分项工程检验批质量验收记录-------TJ4_第3页
3/16
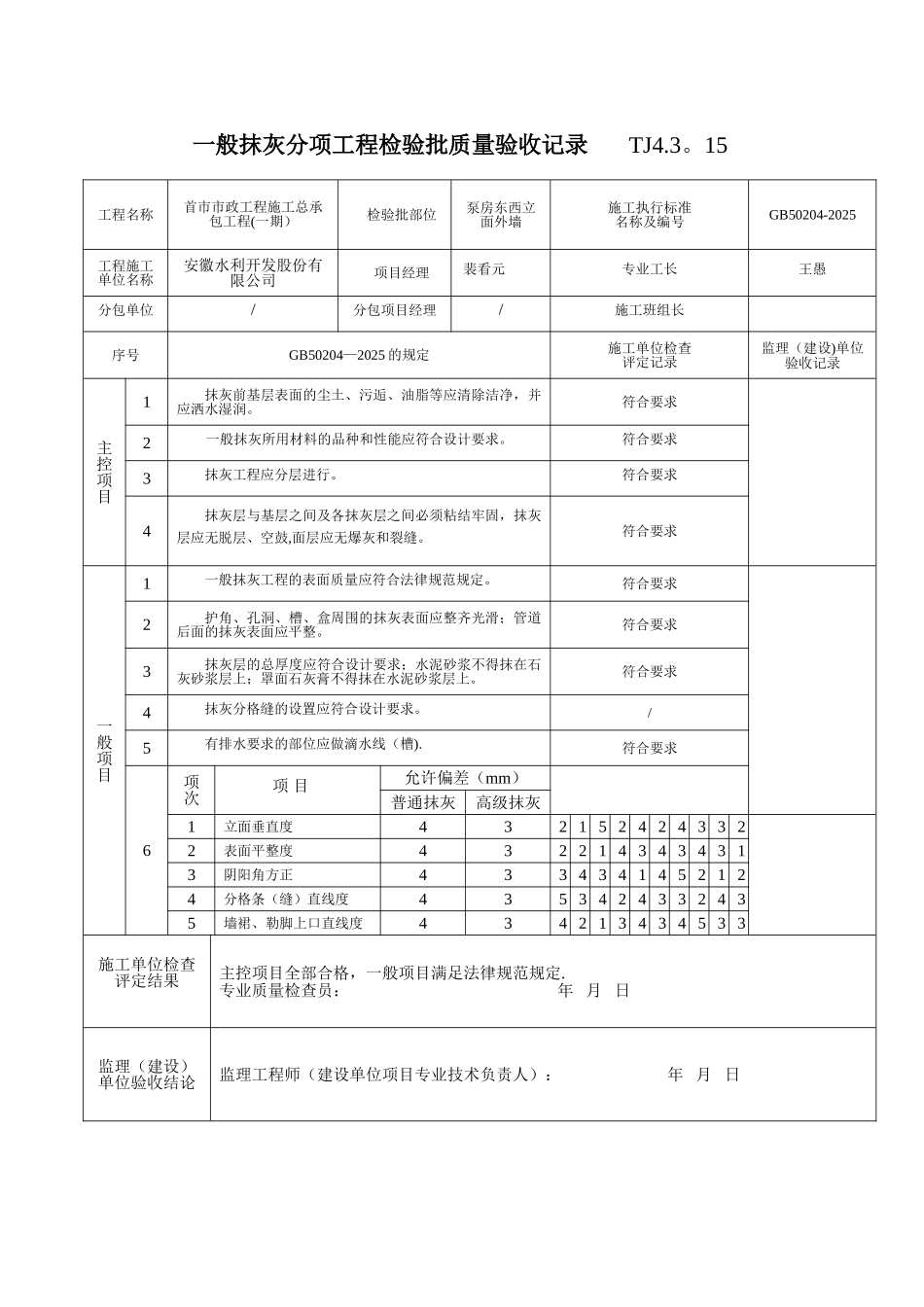
一般抹灰分项工程报验申请表工程名称:界首市市政工程施工总承包工程(一期) 编号:致:安徽盛世建设项目管理有限公司界首市城市道路、排水及景观工程项目监理部 我单位已完成了 泵房东西立面外墙抹灰 工作,现报上该工程报验申请表,请予以审查和验收。 附件:1、一般抹灰分项工程检验批质量验收记录 承包单位(章)______________ 项目经理______________ 日 期______________审查意见: 项目监理机构_____________ 总/专业监理工程师_____________ 日 期_____________ 一般抹灰分项工程检验批质量验收记录 TJ4.3。15工程名称首市市政工程施工总承包工程(一期)检验批部位泵房东西立面外墙施工执行标准名称及编号GB50204-2025工程施工单位名称安徽水利开发股份有限公司项目经理 裴看元专业工长王愚分包单位/分包项目经理/施工班组长 序号GB50204—2025 的规定施工单位检查评定记录监理(建设)单位验收记录主控项目1抹灰前基层表面的尘土、污逅、油脂等应清除洁净,并应洒水湿润。符合要求2一般抹灰所用材料的品种和性能应符合设计要求。符合要求3抹灰工程应分层进行。符合要求4抹灰层与基层之间及各抹灰层之间必须粘结牢固,抹灰层应无脱层、空鼓,面层应无爆灰和裂缝。符合要求一般项目1一般抹灰工程的表面质量应符合法律规范规定。符合要求2护角、孔洞、槽、盒周围的抹灰表面应整齐光滑;管道后面的抹灰表面应平整。符合要求3抹灰层的总厚度应符合设计要求;水泥砂浆不得抹在石灰砂浆层上;罩面石灰膏不得抹在水泥砂浆层上。符合要求4抹灰分格缝的设置应符合设计要求。/5有排水要求的部位应做滴水线(槽).符合要求6项次项 目允许偏差(mm)普通抹灰高级抹灰1立面垂直度432 1 5 2 4 2 4 3 3 22表面平整度432 2 1 4 3 4 3 4 3 13阴阳角方正433 4 3 4 1 4 5 2 1 24分格条(缝)直线度435 3 4 2 4 3 3 2 4 35墙裙、勒脚上口直线度434 2 1 3 4 3 4 5 3 3施工单位检查评定结果主控项目全部合格,一般项目满足法律规范规定. 专业质量检查员: 年 月 日监理(建设)单位验收结论监理工程师(建设单位项目专业技术负责人): 年 月 日一般抹灰分项工程报验申请表工程名称:界首市市政工程施工总承包工程(一期) 编号:致:安徽盛世建设项目管理有限公司界首市城市道路、排水及景观工程项目监理部 我单位已完成了 泵房南北立面外墙抹灰 工作,现报上该工程报验申请表,请予以审...

1、当您付费下载文档后,您只拥有了使用权限,并不意味着购买了版权,文档只能用于自身使用,不得用于其他商业用途(如 [转卖]进行直接盈利或[编辑后售卖]进行间接盈利)。
2、本站所有内容均由合作方或网友上传,本站不对文档的完整性、权威性及其观点立场正确性做任何保证或承诺!文档内容仅供研究参考,付费前请自行鉴别。
3、如文档内容存在违规,或者侵犯商业秘密、侵犯著作权等,请点击“违规举报”。

碎片内容

一般抹灰分项工程检验批质量验收记录-------TJ4

确认删除?
VIP
微信客服
  • 扫码咨询
会员Q群
  • 会员专属群点击这里加入QQ群
客服邮箱
回到顶部