电脑桌面
添加小米粒文库到电脑桌面
安装后可以在桌面快捷访问

三级配电箱内配置

三级配电箱内配置_第1页
1/4
三级配电箱内配置_第2页
2/4
三级配电箱内配置_第3页
3/4
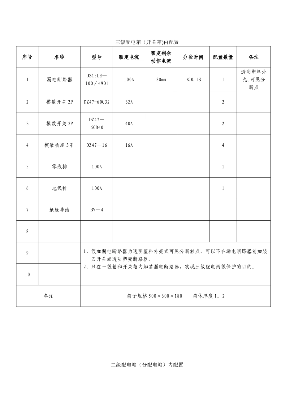
三级配电箱(开关箱)内配置序号名称型号额定电流额定剩余动作电流分段时间配置数量备注1漏电断路器DZ15LE—100/4901100A30mA≤0.1S1透明塑料外壳,可见分断点2模数开关 2PDZ47-60C3232A23模数开关 3PDZ47—60D4040A24模数插座 3 孔DZ47—1616A45零线排100A16地线排100A17绝缘导线BV—4891、假如漏电断路器为透明塑料外壳式可见分断触点,可以不在漏电断路器前加装刀开关或透明塑壳断路器。2、只在一级箱和开关箱内加装漏电断路器,实现三级配电两级保护的目的。10备注箱子规格 500×600×180 箱体厚度 1。2二级配电箱(分配电箱)内配置序号名称型号额定电流额定剩余动作电流分段时间配置数量备注1总断路器DZ20Y-400/3300400A1透明塑料外壳,可见分断点2分回路断路器DZ20Y—225/3300225A13分回路断路器DZ20Y—225/3300225A14分回路断路器DZ20Y-225/3300225A15分回路断路器DZ20Y—100/3300100A16分回路断路器DZ20Y—100/3300100A17母排40×48母排25×39零排100A10地排100A备注箱子规格 800×1500×500 (宽×高×厚) 箱体厚度 1.2一级配电箱(总箱)内配置序号名称型号额定电流额定剩余动作电流分段时间配置数量备注1总断路器DZ20Y—630/3300630A1透明塑料外壳,可见分断点2分回路漏电断路器DZ20LE—400/3300400A30mA≤0。2s23分回路漏电断路器DZ15LE—100/4901100A30mA≤0。1s145678910备注箱子规格 800×1800×500 箱体厚度 1。51、 漏电断路器 DZ15LE—400/3901 用在现场弯曲机、调直机的配电箱上2、 漏电断路器 DZ15LE-100/3901 用在现场弯曲机、调直机的配电箱上3、 断路器 DZ20Y—225/3300 用在现场塔吊、对焊接、泵车开关箱上4、 断路器 DZ20Y—100/3300 用在现场二级配电箱分断路器上塔吊专用开关箱内配置序号名称型号额定电流额定剩余动作电流分段时间配置数量备注1总断路器DZ20Y—225/3300225A1透明塑料外壳,可见分断点2漏电断路器DZ20L-250/4300200A50mA≤0.1s13额定剩余动作电流 50mA4额定不动作电流 25mA5漏电断路分断时间≤0.1s678910备注箱子规格 600×500×180 箱体厚度 1.51、漏电断路器 DZ15LE—400/3901 用在现场弯曲机、调直机的配电箱上2、漏电断路器 DZ15LE-100/3901 用在现场弯曲机、调直机的配电箱上3、断路器 DZ20Y—225/3300 用在现场塔吊、对焊接、泵车开关箱上4、断路器 DZ20Y-100/3300 用在现场二级配电箱分断路器上

1、当您付费下载文档后,您只拥有了使用权限,并不意味着购买了版权,文档只能用于自身使用,不得用于其他商业用途(如 [转卖]进行直接盈利或[编辑后售卖]进行间接盈利)。
2、本站所有内容均由合作方或网友上传,本站不对文档的完整性、权威性及其观点立场正确性做任何保证或承诺!文档内容仅供研究参考,付费前请自行鉴别。
3、如文档内容存在违规,或者侵犯商业秘密、侵犯著作权等,请点击“违规举报”。

碎片内容

三级配电箱内配置

您可能关注的文档

办公文档专营+ 关注
实名认证
内容提供者

大量办公文档,欢迎选择

确认删除?
VIP
微信客服
  • 扫码咨询
会员Q群
  • 会员专属群点击这里加入QQ群
客服邮箱
回到顶部