电脑桌面
添加小米粒文库到电脑桌面
安装后可以在桌面快捷访问

专业钢结构拆除方案

专业钢结构拆除方案_第1页
1/7
专业钢结构拆除方案_第2页
2/7
专业钢结构拆除方案_第3页
3/7
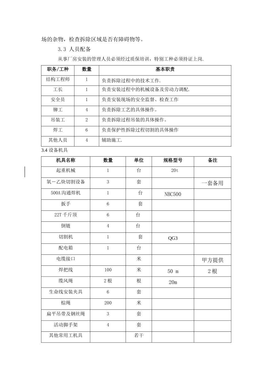
专业钢结构拆除施工方案 编制单位:山西矿山建设股份编制日期:2025 年 9 月 2 日目 录1. 工程概况........................................................12 。 编制依据 ........................................................ 0 3. 施工准备 ........................................................ 0 4 。 现场拆除 ........................................................ 2 5. 次梁 拆除 ........................................................ 4 6 . 主框架部分拆除 .................. ERROR: REFERENCE SOURCE NOT FOUND 7 . 实施中应注意的事项 .............. ERROR: REFERENCE SOURCE NOT FOUND 8 . 施工安全措施 .................................................... 7 1.工程概况一 、钢结构拆除工程简述 工程名称:钢结构拆除工程 二、钢结构拆除工程质量要求 根据建筑工程施工法律规范、钢结构拆除工程施工法律规范进行施工,所有流程和施工工艺都必须达到相关标准.2.编制依据根据建筑工程施工法律规范、钢结构拆除工程施工法律规范进行施工,所有流程和施工工艺都必须达到相关标准。3.施工准备3.1 技术准备3。1。1 根据现场实际情况(图纸)编制相应的施工作业程序。3.1.2 针对现场实际情况编制安全技术交底,并在拆除作业开始前对所有参加拆除的作业人员进行安全技术交底。3。2 场地准备将拆除所需的区域清理并做好安全区隔和挂安全警示标志,清理施工现场的杂物,检查拆除区域是否有障碍物等。3.3 人员配备从事厂房安装的管理人员必须经过质保培训,特别工种必须持证上岗.职务/工种数量基本职责结构工程师1负责拆除过程中的技术工作.工长1负责安装过程中的机械设备及劳动力调配.安全员1负责安装现场的安全监督、检查工作铆工4负责拆除工艺的具体操作。吊装工2负责拆除过程吊装的具体操作。焊工6负责保护性拆除过程切割的具体操作其他人员4辅助施工.3.4 设备机具机具名称数量单位规格型号备注起重机械1台 20t氧-乙炔切割设备3套一套备用500A 沟通焊机1台NBC500扳手6 套22T 千斤顶6台倒链4台切割机1 套QG3配电箱1台电缆接口米甲方提供焊把线100米50 m2 根缆风绳2 根根20m生命线安装夹具6套棕绳200米扁平吊带及钢丝绳3套活动脚手架4套其他常用工机具若干4.现场拆除4.1 拆除准备4。 1.1 技术准备工作(1)施工技术人员要仔细批阅与施工...

1、当您付费下载文档后,您只拥有了使用权限,并不意味着购买了版权,文档只能用于自身使用,不得用于其他商业用途(如 [转卖]进行直接盈利或[编辑后售卖]进行间接盈利)。
2、本站所有内容均由合作方或网友上传,本站不对文档的完整性、权威性及其观点立场正确性做任何保证或承诺!文档内容仅供研究参考,付费前请自行鉴别。
3、如文档内容存在违规,或者侵犯商业秘密、侵犯著作权等,请点击“违规举报”。

碎片内容

专业钢结构拆除方案

确认删除?
VIP
微信客服
  • 扫码咨询
会员Q群
  • 会员专属群点击这里加入QQ群
客服邮箱
回到顶部