电脑桌面
添加小米粒文库到电脑桌面
安装后可以在桌面快捷访问

主动防护网分项工程技术

主动防护网分项工程技术_第1页
1/25
主动防护网分项工程技术_第2页
2/25
主动防护网分项工程技术_第3页
3/25
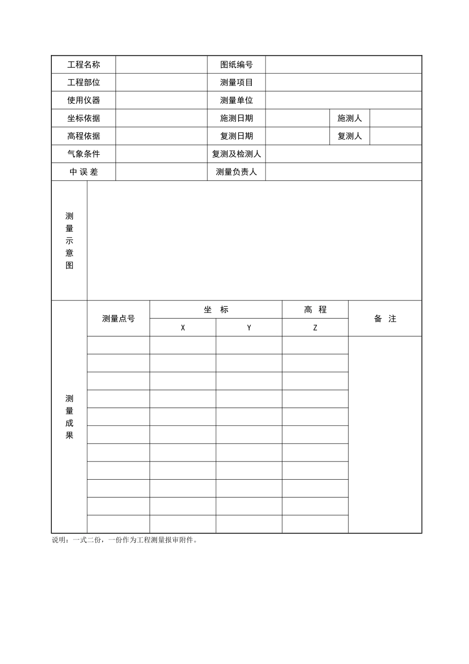
分 项 工 程 报 验 单工程名称: 合同号 NO:施 致:监理单位我单位已完成了 主动网 分项工程施工,按设计文件及有关法律规范、验评标准进行了自检,质量合格,请予以审查和验收.承包单位(章): 项目经理: 日期: 年 月 日审查意见:□ 所报隐蔽工程的技术资料齐全/不齐全,且符合/不符合要求,经现场检测、核查合格/不合格, 同意/不同意隐蔽。□ 所报分项工程的技术资料齐全/不齐全,且符合/不符合要求,经现场检测、核查合格/不合格, 同意/不同意进行下道工序。□ 所报分项工程的技术资料基本齐全,且基本符合要求,因砂浆/砼试块强度试验报告未出具,暂同意进行下道工序施工,待砂浆/砼试块试验报告补报后,予以质量认定。□ 所报分项工程的技术资料齐全/不齐全,且符合/不符合要求,经现场检测、核查合格/不合格。项目监理机构: 监理工程师: 日期: 年 月 日说明:本表由承包单位填写,一式三份,送监理机构审核后,建设、监理及承包单位各一份。锚杆格构施工测量放线报验单工程名称 合同号 NO:施 致:监理单位我单位已完成 锚杆施工点位 (工程或部位的名称)的放线工作,经自检合格,清单如下,请予查验。附件:1、专职测量人员岗位证书及测量设备检定证书; 2、测量放线依据材料及放线成果.工 程 或 部 位 名 称放 线 内 容备 注承包单位(章): 项目经理: 日期: 监理工程师查验意见:□ 查验合格□ 纠正差错后再报项目监理机构: 监理工程师: 日期: 本表由承包单位填写,一式三份,送监理机构审核后,建设、监理及承包单位各一份.表 1—4 工 程 测 量 记 录工程名称 合同号 NO:施 工程名称图纸编号工程部位测量项目使用仪器测量单位坐标依据施测日期施测人高程依据复测日期复测人气象条件复测及检测人中 误 差测量负责人测量示意图测量成果测量点号坐 标高 程备 注XYZ说明:一式二份,一份作为工程测量报审附件。锚 杆 成 孔 施 工 测 量 复 核 记 录 表工程名称 合同号 NO:施 分部工程名称测站点分项工程名称后视点测 点 编 号设 计 坐 标实 测 坐 标误 差设计高程(m)实测高程(m)示 意 图XYXY△X△Y观测者: 记录者: 日期锚 杆 成 孔 报 验 申 请 表工程名称 理县薛城镇蓝草坪滑坡治理工程 合同号 NO:施 致:三峡大学建筑设计讨论院我单位已完成了 主动网 锚杆成孔及锚杆安置 工作,现报上该工程报验申请表,请...

1、当您付费下载文档后,您只拥有了使用权限,并不意味着购买了版权,文档只能用于自身使用,不得用于其他商业用途(如 [转卖]进行直接盈利或[编辑后售卖]进行间接盈利)。
2、本站所有内容均由合作方或网友上传,本站不对文档的完整性、权威性及其观点立场正确性做任何保证或承诺!文档内容仅供研究参考,付费前请自行鉴别。
3、如文档内容存在违规,或者侵犯商业秘密、侵犯著作权等,请点击“违规举报”。

碎片内容

主动防护网分项工程技术

您可能关注的文档

确认删除?
VIP
微信客服
  • 扫码咨询
会员Q群
  • 会员专属群点击这里加入QQ群
客服邮箱
回到顶部