电脑桌面
添加小米粒文库到电脑桌面
安装后可以在桌面快捷访问

主变压器质量评定表

主变压器质量评定表_第1页
1/9
主变压器质量评定表_第2页
2/9
主变压器质量评定表_第3页
3/9
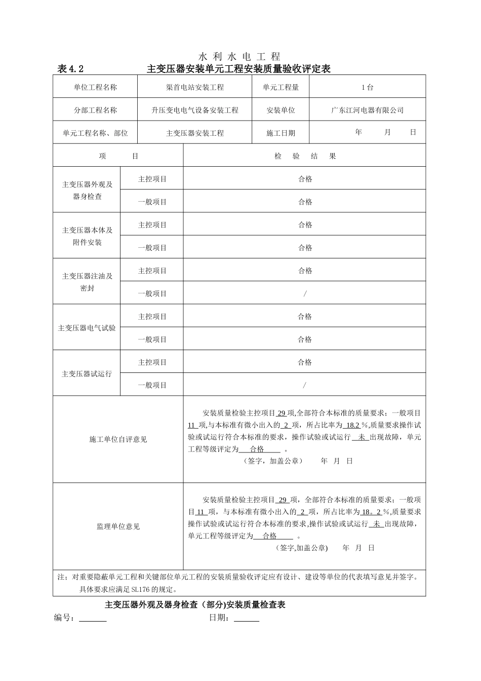
水 利 水 电 工 程表 4.2 主变压器安装单元工程安装质量验收评定表单位工程名称渠首电站安装工程单元工程量1 台分部工程名称升压变电电气设备安装工程安装单位广东江河电器有限公司单元工程名称、部位主变压器安装工程施工日期 年 月 日项 目检 验 结 果主变压器外观及器身检查主控项目合格一般项目合格主变压器本体及附件安装主控项目合格一般项目合格主变压器注油及密封主控项目合格一般项目/主变压器电气试验主控项目合格一般项目合格主变压器试运行主控项目合格一般项目/施工单位自评意见安装质量检验主控项目 29 项,全部符合本标准的质量要求;一般项目 11 项,与本标准有微小出入的 2 项,所占比率为 18.2 %,质量要求操作试验或试运行符合本标准的要求,操作试验或试运行 未 出现故障,单元工程等级评定为 合格 。 (签字,加盖公章) 年 月 日监理单位意见安装质量检验主控项目 29 项,全部符合本标准的质量要求;一般项目 11 项,与本标准有微小出入的 2 项,所占比率为 18 。 2 %,质量要求操作试验或试运行符合本标准的要求,操作试验或试运行 未 出现故障,单元工程等级评定为 合格 。 (签字,加盖公章) 年 月 日注;对重要隐蔽单元工程和关键部位单元工程的安装质量验收评定应有设计、建设等单位的代表填写意见并签字。具体要求应满足 SL176 的规定。 主变压器外观及器身检查(部分)安装质量检查表编号: 日期: 分部工程名称升压变电电气设备安装工程单元工程名称主变压器安装工程安装内容升压站主变压器安装单位广东江河电器有限公司开、完工日期项目质量标准检验结果检验人(签字)主变压器外观及器身检查主控项目1器身1)各部位无油泥、金属屑等杂物;2)各部位无损伤、边线、无移动;3)所有螺栓紧固并有防松措施;绝缘螺栓无损坏,防松绑扎完好;4)绝缘围屏(若有)绑扎应牢固,线圈引出处封闭符合产品技术文件要求符合要求2铁芯1)外观无碰伤变形,铁轭与夹件间的绝缘垫完好;2)铁芯一点接地;3)铁芯各紧固件紧固,无松动;4)铁芯绝缘合格符合要求3绕组1)绕组裸导体外观无毛刺、尖角、断股、断片、拧弯,焊接符合要求,绝缘层完整,无缺损、变位;2)各绕组线圈排列整齐、间隙均匀,油路畅通(有绝缘围屏者除外)无异物;3)压钉紧固,防松螺母锁紧;4)高压应力锥、均压屏蔽罩(500kv 高压侧)完好。无损伤;5)绕组绝缘电阻值不低于出厂值的 70%符合要求4引出线1)绝缘...

1、当您付费下载文档后,您只拥有了使用权限,并不意味着购买了版权,文档只能用于自身使用,不得用于其他商业用途(如 [转卖]进行直接盈利或[编辑后售卖]进行间接盈利)。
2、本站所有内容均由合作方或网友上传,本站不对文档的完整性、权威性及其观点立场正确性做任何保证或承诺!文档内容仅供研究参考,付费前请自行鉴别。
3、如文档内容存在违规,或者侵犯商业秘密、侵犯著作权等,请点击“违规举报”。

碎片内容

主变压器质量评定表

您可能关注的文档

一二三四传媒+ 关注
实名认证
内容提供者

大量资料供您选择,没有合适的可以联系小二。

确认删除?
VIP
微信客服
  • 扫码咨询
会员Q群
  • 会员专属群点击这里加入QQ群
客服邮箱
回到顶部