电脑桌面
添加小米粒文库到电脑桌面
安装后可以在桌面快捷访问

企业安全生产标准化

企业安全生产标准化_第1页
1/18
企业安全生产标准化_第2页
2/18
企业安全生产标准化_第3页
3/18
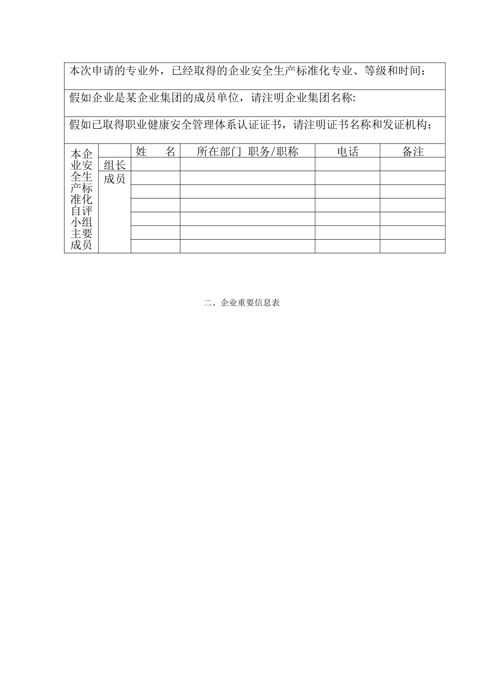
企 业 安 全 生 产 标 准 化评 审 申 请申请企业: 申请行业: 机械 专业: 申请性质: 等级: 二级 申请日期: 年 月 日 国家安全生产监督管理总局制申请材料填报说明1. “申请企业”填写申请企业名称并加盖申请企业章。2. “申请行业”按本考评办法第二条的行业分类填写。“专业”按行业所属专业填写,有专业安全生产标准化标准的,按标准确定的专业填写,如“冶金”行业中的“炼钢"、“轧钢”专业,“建材”行业中的“水泥”专业,“有色”行业中的“电解铝”、“氧化铝"专业等。3. “申请性质”为“初次评审"或“延期”。“等级”为“一级”、“二级"或“三级”.4. “企业性质”根据营业执照登记的内容填写。5. “本次申请的专业外,已经取得的企业安全生产标准化专业等级和时间”按“专业”、“等级”和证书颁发时间填写已经取得的所有专业的最高等级,如“冶金炼钢,一级,2025 年 3 月 5 日”。6. “企业概况”包括主营业务所属行业、经营范围、企业规模(包括职工人数、年产值、伤亡人数等)、进展过程、组织机构、主营业务产业概况、本企业规模(产量和业务收入)、在行业中所处地位、安全生产工作特点等. 7. “重大危险源资料"附经过备案的重大危险源登记表复印件。8. 没有上级主管单位的,“上级主管单位意见"不填.9. “安全生产监督管理部门意见栏”,申请三级的企业由当地县(市)、区安监局填写意见并盖章,申请二级的企业由当地设区的市安监局填写意见并盖章。一、基本情况表申请企业地 址企业性质安全管理机构员工总数人 专职安全管理人员人特种作业人 员人固定资产万元主营业务收入万元倒班情况□有 □没有倒班人数及 方 式法定代表人电 话传 真联 系 人电 话传 真手 机电子信箱本次申请 □初次评审 □延期□一级 □二级 □三级本次申请前本专业曾经取得的标准化等级:□一级 □二级 □三级 □无本次申请的专业外,已经取得的企业安全生产标准化专业、等级和时间:假如企业是某企业集团的成员单位,请注明企业集团名称:假如已取得职业健康安全管理体系认证证书,请注明证书名称和发证机构:本企业安全生产标准化自评小组主要成员姓名所在部门 职务/职称电话备注组长成员二、企业重要信息表1.企业概况:2。近三年本企业重伤、死亡或其他重大生产安全事故和职业病的发生情况:3。安全管理状况(主要管理措施及主要绩效):4.有无特别危险区域或限制的情况:三、其他事项表1.企业...

1、当您付费下载文档后,您只拥有了使用权限,并不意味着购买了版权,文档只能用于自身使用,不得用于其他商业用途(如 [转卖]进行直接盈利或[编辑后售卖]进行间接盈利)。
2、本站所有内容均由合作方或网友上传,本站不对文档的完整性、权威性及其观点立场正确性做任何保证或承诺!文档内容仅供研究参考,付费前请自行鉴别。
3、如文档内容存在违规,或者侵犯商业秘密、侵犯著作权等,请点击“违规举报”。

碎片内容

企业安全生产标准化

确认删除?
VIP
微信客服
  • 扫码咨询
会员Q群
  • 会员专属群点击这里加入QQ群
客服邮箱
回到顶部