电脑桌面
添加小米粒文库到电脑桌面
安装后可以在桌面快捷访问

企业安委会与职能部门安全管理制度

企业安委会与职能部门安全管理制度_第1页
1/2
企业安委会与职能部门安全管理制度_第2页
2/2
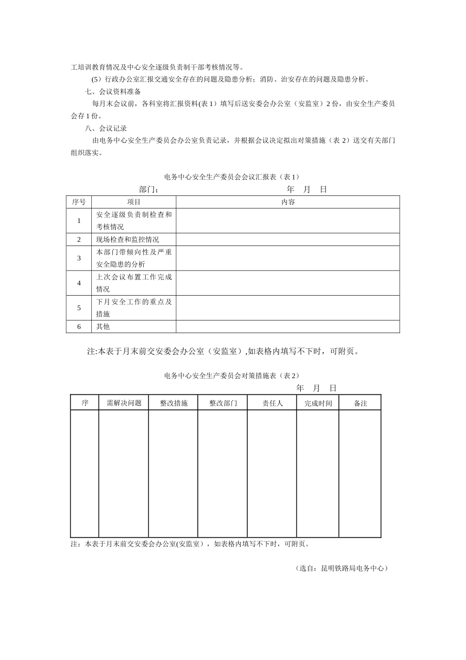
企业安委会与职能部门安全管理制度(二)二级企业安全生产委员会会议制度 根据江泽民同志“三个代表”和“隐患险于明火,防范胜于救灾 ,责任重于泰山”的重要指示精神,结合电务中心的实际,特制定本会议制度。一、成立电务中心安全生产委员会主任:电务中心主任、党委书记副主任:主管安全生产副主任、工会主席成员:副主任、总工、纪委书记、党办主任、团委书记、安监室主任、信号科科长、调度科科长、材料科科长、财务科科长、劳动人事教育科科长及副科长、行政办公室主任1.安委会办公室设在安监室,负责安委会日常工作,办公室主任由电务中心主管安全生产副主任兼任。2.安委会职责:抓好电务中心日常安全生产工作,组织、处理、协调电务中心安全生产过程中存在的问题和各种突发事件。二、会议周期及时间电务中心安全生产委员会会议原则上每月召开一次,会议时间为每月最后一个星期的星期一。三、会议主持人电务中心安全生产委员会主任(主任、党委书记)或副主任(主管安全生产副主任、工会主席)。四、参加会议人员电务申心主任、党委书记、副主任、工会主席、纪委书记、总工、党办主任、团委书记、安监室主任、信号科科长、调度科科长、劳动人事教育科科长、材料科科长、财务科科长、行政办公室主任。五、会议目的及内容1。宣传贯彻国家、省、铁道部、路局有关安全生产的方针、政策、法规、措施、制度等以及安全生产工作布置,要结合电务中心实际组织实施。2.讨论电务中心的安全生产情况,解剖、分析存在的问题,总结安全生产中的经验教训,制定安全生产对策和措施,布置电务中心的安全生产任务.3。对关于电务申心安全生产的重大问题进行讨论,并作出决策或决定;协调各科室有关安全生产的事项。 六、发言要求 1。汇报主要内容 (1)安全逐级负责制落实及考核情况, (2)下现场检查安全情况; (3)本部门关于安全生产工作及存在的问题; (4)对上次会议布置的工作完成情况; (5)下步安全工作计划的重点和措施。 2。发言时间每部门不超过 10 分钟。 3。发言顺序为:安监室、信号科、调度科、劳动人事教育科、行政办公室及其他需要发言的部门。 4。会议主要发言部门及要求 (1)安监室汇报各领工区的安全逐级负责制结果(事故、安全隐患)考核情况;全电务中心安全生产带倾向性的共性问题及严重的安全隐患分析。 (2)信号科汇报电务中心管内信号设备维修质量,维修中存在的影响安全生产的共性问题及分析。 (3)调度科汇报电务中心管...

1、当您付费下载文档后,您只拥有了使用权限,并不意味着购买了版权,文档只能用于自身使用,不得用于其他商业用途(如 [转卖]进行直接盈利或[编辑后售卖]进行间接盈利)。
2、本站所有内容均由合作方或网友上传,本站不对文档的完整性、权威性及其观点立场正确性做任何保证或承诺!文档内容仅供研究参考,付费前请自行鉴别。
3、如文档内容存在违规,或者侵犯商业秘密、侵犯著作权等,请点击“违规举报”。

碎片内容

企业安委会与职能部门安全管理制度

您可能关注的文档

津创媒+ 关注
实名认证
内容提供者

欢迎交流文创,小店资料希望满足您的需要。

确认删除?
VIP
微信客服
  • 扫码咨询
会员Q群
  • 会员专属群点击这里加入QQ群
客服邮箱
回到顶部