电脑桌面
添加小米粒文库到电脑桌面
安装后可以在桌面快捷访问

企业生产安全事故应急预案编制所需材料

企业生产安全事故应急预案编制所需材料_第1页
1/3
企业生产安全事故应急预案编制所需材料_第2页
2/3
企业生产安全事故应急预案编制所需材料_第3页
3/3
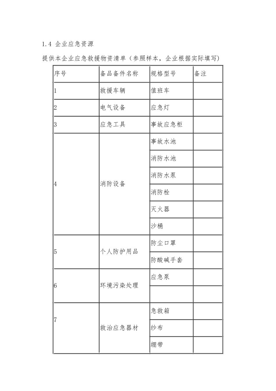
企业生产安全事故应急预案编制所需材料1 企业情况1。1 企业基本概况一、企业名称、地址;二、主要产品名称、年产量、职工人数;三、企业周边单位情况(东、南、西、北四个方位),周边单位信息;四、安全生产组织管理架构,安全专职人员情况、近三年安全培训情况、近三年应急演练情况(消防演练、人员疏散演练等情况)、近三年安全事故情况.1。2 生产工艺一、工艺流程图。工艺中反应的条件,反应方程式,操作方式等相关内容。二、主要生产设备清单(汇总表)三、主要原材料清单(储量、地点、使用单位等)1.3 生产经营活动中使用的危险化学品一、列表说明单位内使用危险化学品的品名、使用的部门及具体岗位、使用的数量(每班、每年)二、列表说明危险化学品的储存区域名称、储存面积、储存方式(室内、室外,若以储罐方式则写明储罐的体积、地上储罐还是埋地储罐)、危险化学品运输方式三、危险化学品储存点位于企业总平面图的位置(附图)1.4 企业应急资源提供本企业应急救援物资清单(参照样本,企业根据实际填写)序号备品备件名称规格型号备注1救援车辆值班车2电气设备应急灯3应急工具事故应急柜4消防设备事故水池消防水池消防水泵消防栓灭火器沙桶5个人防护用品防尘口罩防酸碱手套6环境污染处理应急泵7救治应急器材急救箱纱布绷带1.5 公司应急人员联系电话(单位内联系电话及手机)1.6 公司 24 小时值班电话1.7 公司原有的应急救援预案(电子版)

1、当您付费下载文档后,您只拥有了使用权限,并不意味着购买了版权,文档只能用于自身使用,不得用于其他商业用途(如 [转卖]进行直接盈利或[编辑后售卖]进行间接盈利)。
2、本站所有内容均由合作方或网友上传,本站不对文档的完整性、权威性及其观点立场正确性做任何保证或承诺!文档内容仅供研究参考,付费前请自行鉴别。
3、如文档内容存在违规,或者侵犯商业秘密、侵犯著作权等,请点击“违规举报”。

碎片内容

企业生产安全事故应急预案编制所需材料

一帆文传+ 关注
实名认证
内容提供者

欢迎光临店铺,各类公文供您挑选。

确认删除?
VIP
微信客服
  • 扫码咨询
会员Q群
  • 会员专属群点击这里加入QQ群
客服邮箱
回到顶部