电脑桌面
添加小米粒文库到电脑桌面
安装后可以在桌面快捷访问

供应商管理表格

供应商管理表格_第1页
1/10
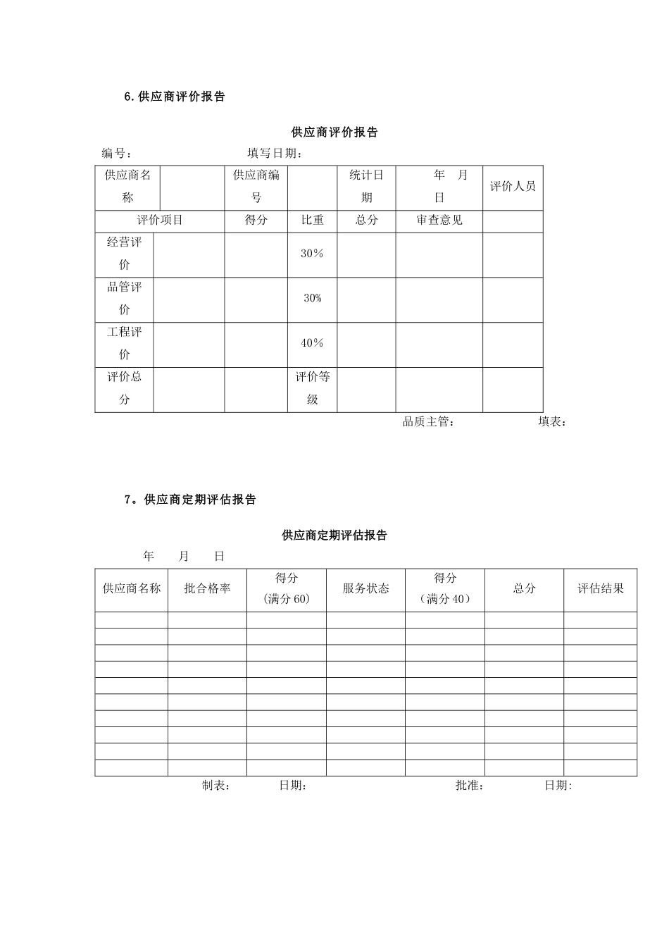
供应商管理表格_第2页
2/10
供应商管理表格_第3页
3/10
供应商信息资料卡供应商信息资料卡公司基本情况名 称地 址营业执照号注册资本联系人部门、职务电话传真E-mail信用度产品情况产品名规格价格质量可供量市场份额运输方式运输时间运输费用备注供应商调查表企业名称负责人或联系人姓名地址邮编电话传真企业成立时间主要产品职工总数其中技术人员 人;工人 人年销量/年产值(万元)生产能力样机/样品/样件生产周期生产特点□成批生产 □流水线大量生产□单台生产主要生产设备□齐全,良好□基本齐全,尚可□不齐全使用或依据的产品、质量标准国际标准名称/编号国家/行业标准名称/编号企业标准名称/编号其他工艺文件□齐备□有一部分□没有检验机构及检测设备□有检验机构及检测人员,检测设备良好□只有兼职检验人员,检测设备一般□无检验人员,检测设备短缺,需外协测试设备校准情况□有计量室□全部委托外部计量机构主要客户(公司/行业)主要原材料来源新产品开发能力□能自行设计开发新产品□只能开发简单产品□没有自行开发能力国际合作经验□是外资企业□是合资企业□与外企业合作生产全部/部分产品□无对外合作经验职工培训情况□常常,正规地进行 □不常常开展培训是否经过产品或体系认证□是(指出具体内容) □否供应方企业负责人签名盖章:评审日期: 年 月 日6.供应商评价报告供应商评价报告编号: 填写日期:供应商名称供应商编号统计日期年 月 日评价人员评价项目得分比重总分审查意见经营评价30%品管评价30%工程评价40%评价总分评价等级品质主管: 填表:7。供应商定期评估报告供应商定期评估报告年 月 日供应商名称批合格率得分(满分 60)服务状态得分(满分 40)总分评估结果制表: 日期: 批准: 日期:8.供应商评价表供应商评价表编号:企业名称企业电话企业传真评审频次第 次评价评审方式□实地考察 □文件调查业务联系人:联系方式:企业负责人:联系方式:财务负责人:联系方式:供应商生产能力评价评定项目结论产品质量囗 可靠 囗 一般 囗 较差 囗 其他管理体系囗 9001 囗 14001 囗 18001 囗 其他交货情况囗 很好 囗 一般 囗 较差 囗 其他产品防护囗 很好囗 一般 囗 较差囗 其他服务态度囗 很好 囗 一般 囗 较差 囗 其他付款条件囗 很好 囗 一般 囗 较差 囗 其他产品价格:囗 很好 囗 一般 囗 较差 囗 其他其他资料评价结果囗 优秀 囗 合格 囗 候选 囗 进一步调查 囗 不合格评审会签部门意见和建议:...

1、当您付费下载文档后,您只拥有了使用权限,并不意味着购买了版权,文档只能用于自身使用,不得用于其他商业用途(如 [转卖]进行直接盈利或[编辑后售卖]进行间接盈利)。
2、本站所有内容均由合作方或网友上传,本站不对文档的完整性、权威性及其观点立场正确性做任何保证或承诺!文档内容仅供研究参考,付费前请自行鉴别。
3、如文档内容存在违规,或者侵犯商业秘密、侵犯著作权等,请点击“违规举报”。

碎片内容

供应商管理表格

确认删除?
VIP
微信客服
  • 扫码咨询
会员Q群
  • 会员专属群点击这里加入QQ群
客服邮箱
回到顶部