电脑桌面
添加小米粒文库到电脑桌面
安装后可以在桌面快捷访问

停车场工程施工工艺及要求

停车场工程施工工艺及要求_第1页
1/9
停车场工程施工工艺及要求_第2页
2/9
停车场工程施工工艺及要求_第3页
3/9
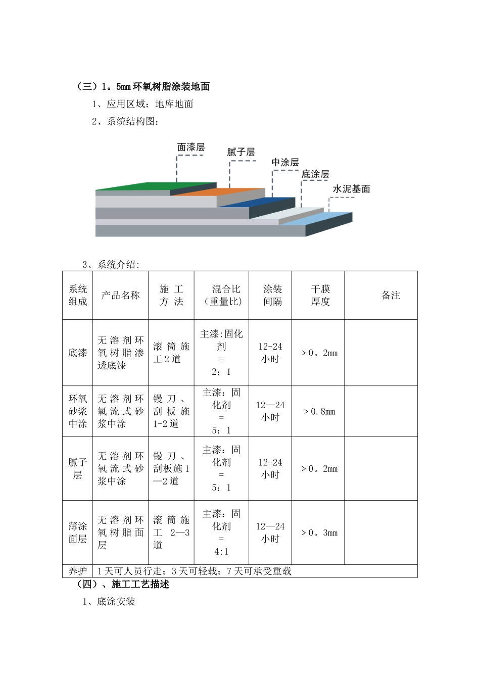
停车场工程施工工艺及要求一、无溶剂环氧树脂地坪施工工艺(一)地面基层处理1、环氧地坪基层处理①、现场清理:清理现场,使地坪操作面没有任何障碍物。使用工业吸尘器对原有混凝土地面进行吸尘处理。②、检查地面空鼓:采纳敲击法对地面每平方米 5 个点检查地面有否空鼓现象,重点是施工缝、伸缩缝和裂缝处.标志出空鼓处。对于局部、小面积空鼓处,采纳电动切割机将空鼓部分切除,并用速凝高强水泥自流平修补。③、含水率测定:把 45cm×45cm 塑料薄膜平放在混凝土表面,用胶带纸密封四边 16 小时后,薄膜下出现水珠或混凝土表面变黑,说明混凝土过湿,将该区域标志。④、排除水分:对含水率超标区域,最好的除湿方法是通风排湿,首先加强含水率超标区域的通风。对通风不利或正常通风不宜排除水分的区域应增加大功率排风扇加速通风效果。⑤、研磨预处理:使用研磨机对明显凹凸不平的区域进行研磨预处理.⑥、灰尘清理:使用工业真空吸尘器对地面进行吸尘处理,必要时进行多次吸尘处理.2、地面空鼓处理采纳灌注环氧灌缝胶的方法进行处理。(二)地面缝隙及凹坑处理1、标志缝隙及凹坑:使用自喷漆标志出不规则裂缝和凹坑部位.2、裂缝剔除及凹坑剔凿:使用切割机和剔凿工具将不规则裂缝切开并处理洁净.使得剔凿工具将凹坑、施工缝和伸缩剔凿洁净。3、缝隙及凹坑打底:用油漆刷将配制好的环氧底漆涂布于处理好的凹坑和缝隙中.4、环氧胶泥修补:使用配制好的环氧胶泥修补凹坑、不规则裂缝和无需留置填充弹性材料的施工缝。对伸缩缝和需要填充弹性材料的施工缝作留缝处理.(三)1。5mm 环氧树脂涂装地面1、应用区域:地库地面2、系统结构图:3、系统介绍: 系统组成产品名称施 工方 法混合比(重量比)涂装间隔干膜厚度备注底漆无 溶 剂 环氧 树 脂 渗透底漆滚 筒 施工 2 道主漆:固化剂=2:112-24小时﹥0。2mm环氧砂浆中涂无 溶 剂 环氧 流 式 砂浆中涂镘 刀 、刮 板 施1-2 道主漆:固化剂=5:112—24小时﹥0.8mm腻子层无 溶 剂 环氧 流 式 砂浆中涂镘 刀 、刮板施 1—2 道主漆:固化剂=5:112-24小时﹥0。2mm薄涂面层无 溶 剂 环氧 树 脂 面层滚 筒 施工2—3道主漆:固化剂=4:112—24小时﹥0。3mm养护1 天可人员行走;3 天可轻载;7 天可承受重载(四)、施工工艺描述1、底涂安装底涂层一:在处理好的地坪吸尘后涂刷环氧地坪底漆,环氧地坪底漆按无溶剂及固化剂的重量比用量具准确计量并搅拌均匀。实行滚...

1、当您付费下载文档后,您只拥有了使用权限,并不意味着购买了版权,文档只能用于自身使用,不得用于其他商业用途(如 [转卖]进行直接盈利或[编辑后售卖]进行间接盈利)。
2、本站所有内容均由合作方或网友上传,本站不对文档的完整性、权威性及其观点立场正确性做任何保证或承诺!文档内容仅供研究参考,付费前请自行鉴别。
3、如文档内容存在违规,或者侵犯商业秘密、侵犯著作权等,请点击“违规举报”。

碎片内容

停车场工程施工工艺及要求

确认删除?
VIP
微信客服
  • 扫码咨询
会员Q群
  • 会员专属群点击这里加入QQ群
客服邮箱
回到顶部