电脑桌面
添加小米粒文库到电脑桌面
安装后可以在桌面快捷访问

八大高危作业风险分析及安全措施

八大高危作业风险分析及安全措施_第1页
1/15
八大高危作业风险分析及安全措施_第2页
2/15
八大高危作业风险分析及安全措施_第3页
3/15
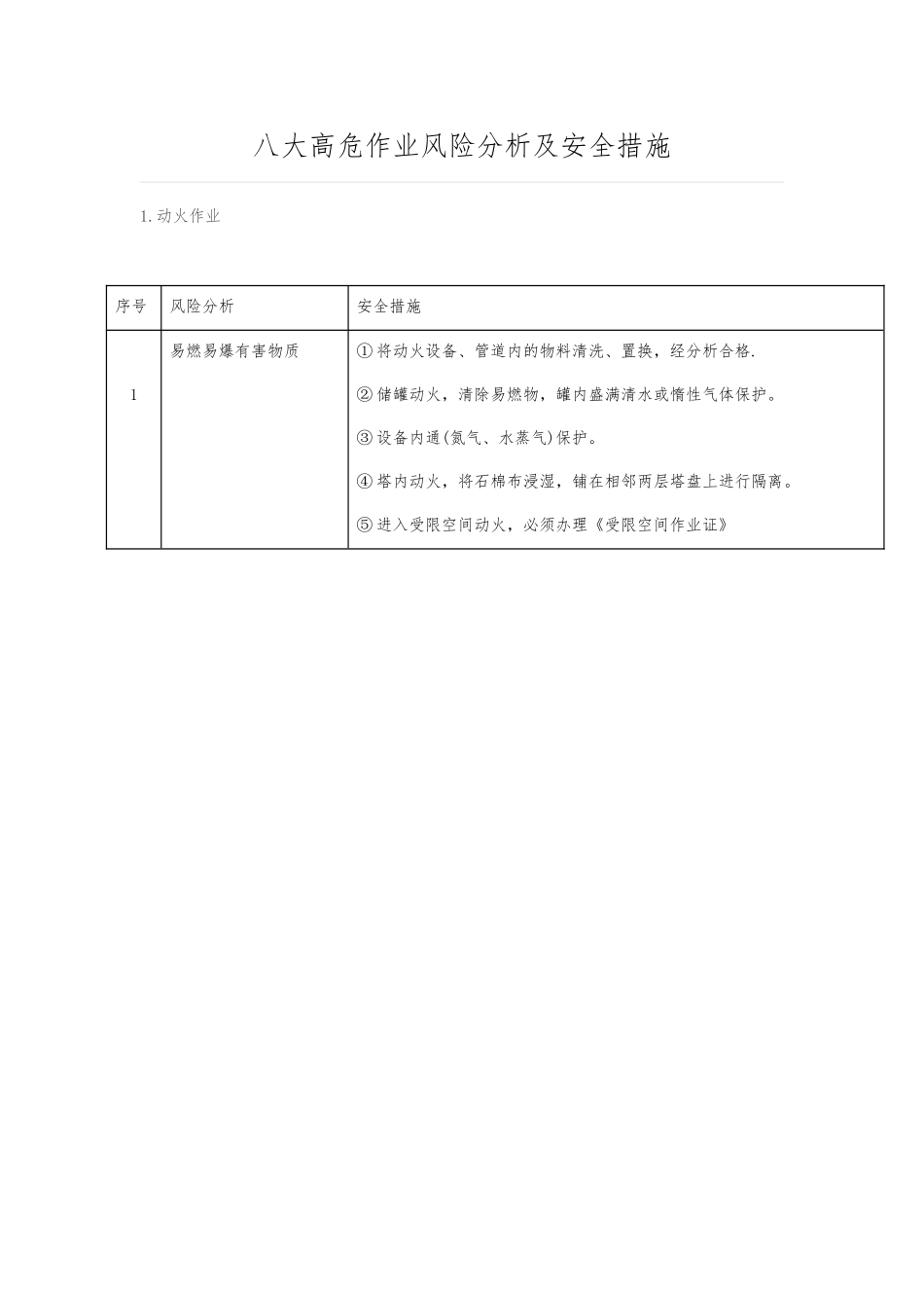
八大高危作业风险分析及安全措施1.动火作业序号风险分析安全措施1易燃易爆有害物质① 将动火设备、管道内的物料清洗、置换,经分析合格.② 储罐动火,清除易燃物,罐内盛满清水或惰性气体保护。③ 设备内通(氮气、水蒸气)保护。④ 塔内动火,将石棉布浸湿,铺在相邻两层塔盘上进行隔离。⑤ 进入受限空间动火,必须办理《受限空间作业证》2火星窜入其它设备或易燃物侵入动火设备切断与动火设备相连通的设备管道并加盲板___块隔断,挂牌,并办理《抽堵盲板作业证》。3动火点周围有易燃物① 清除动火点周围易燃物,动火附近的下水井、地漏、地沟、电缆沟等清除易燃后予封闭。② 电缆沟动火,清除沟内易燃气体、液体,必要时将沟两端隔绝.4泄漏电流(感应电)危害电焊回路线应搭接在焊件上,不得与其它设备搭接,禁止穿越下水道(井).5火星飞溅① 高处动火办理《高处作业证》,并实行措施,防止火花飞溅。②注意火星飞溅方向,用水冲淋火星落点。6气瓶间距不足或放置不当① 氧气瓶、溶解乙炔气瓶间距不小于 5m,二者与动火地点之间均不小于10m.② 气瓶不准在烈日下曝晒,溶解乙炔气瓶禁止卧放。7电、气焊工具有缺陷动火作业前,应检查电、气焊工具,保证安全可靠,不准带病使用.8作业过程中,易燃物外泄动火过程中,遇有跑料、串料和易燃气体,应立即停止动火。9 通风不良① 室内动火,应将门窗打开,周围设备应遮盖,密封下水漏斗,清除油污,附近不得有用溶剂等易燃物质的清洗作业。② 采纳局部强制通风;10未定时监测① 取样与动火间隔不得超过 30min,如超过此间隔或动火作业中断时间超过 30min,必须重新取样分析。② 做采样点应有代表性,特别动火的分析样品应保留至动火结束。③ 动火过程中,中断动火时,现场不得留有余火,重新动火前应仔细检查现场条件是否有变化,如有变化,不得动火。11 监护不当① 监火人应熟悉现场环境和检查确认安全措施落实到位,具备相关安全知识和应急技能,与岗位保持联系,随时掌握工况变化,并坚守现场。② 监火人随时扑灭飞溅的火花,发现异常立即通知动火人停止作业,联系有关人员实行措施。2.进入受限空间作业12应急设施不足或措施不当① 动火现场备有灭火工具(如蒸汽管、水管、灭火器、砂子、铁铣等)。② 固定泡沫灭火系统进行预启动状态。13 涉及危险作业组合,未落实相应安全措施若涉及下釜、高处、抽堵盲板、管道设备检修作业等危险作业时,应同时办理相关作业许可证。14 施工条件发生重大变...

1、当您付费下载文档后,您只拥有了使用权限,并不意味着购买了版权,文档只能用于自身使用,不得用于其他商业用途(如 [转卖]进行直接盈利或[编辑后售卖]进行间接盈利)。
2、本站所有内容均由合作方或网友上传,本站不对文档的完整性、权威性及其观点立场正确性做任何保证或承诺!文档内容仅供研究参考,付费前请自行鉴别。
3、如文档内容存在违规,或者侵犯商业秘密、侵犯著作权等,请点击“违规举报”。

碎片内容

八大高危作业风险分析及安全措施

人从众+ 关注
实名认证
内容提供者

欢迎光临小店,本店以公文和教育为主,希望符合您的需求。

确认删除?
VIP
微信客服
  • 扫码咨询
会员Q群
  • 会员专属群点击这里加入QQ群
客服邮箱
回到顶部