电脑桌面
添加小米粒文库到电脑桌面
安装后可以在桌面快捷访问

公路工程施工表格

公路工程施工表格_第1页
1/69
公路工程施工表格_第2页
2/69
公路工程施工表格_第3页
3/69
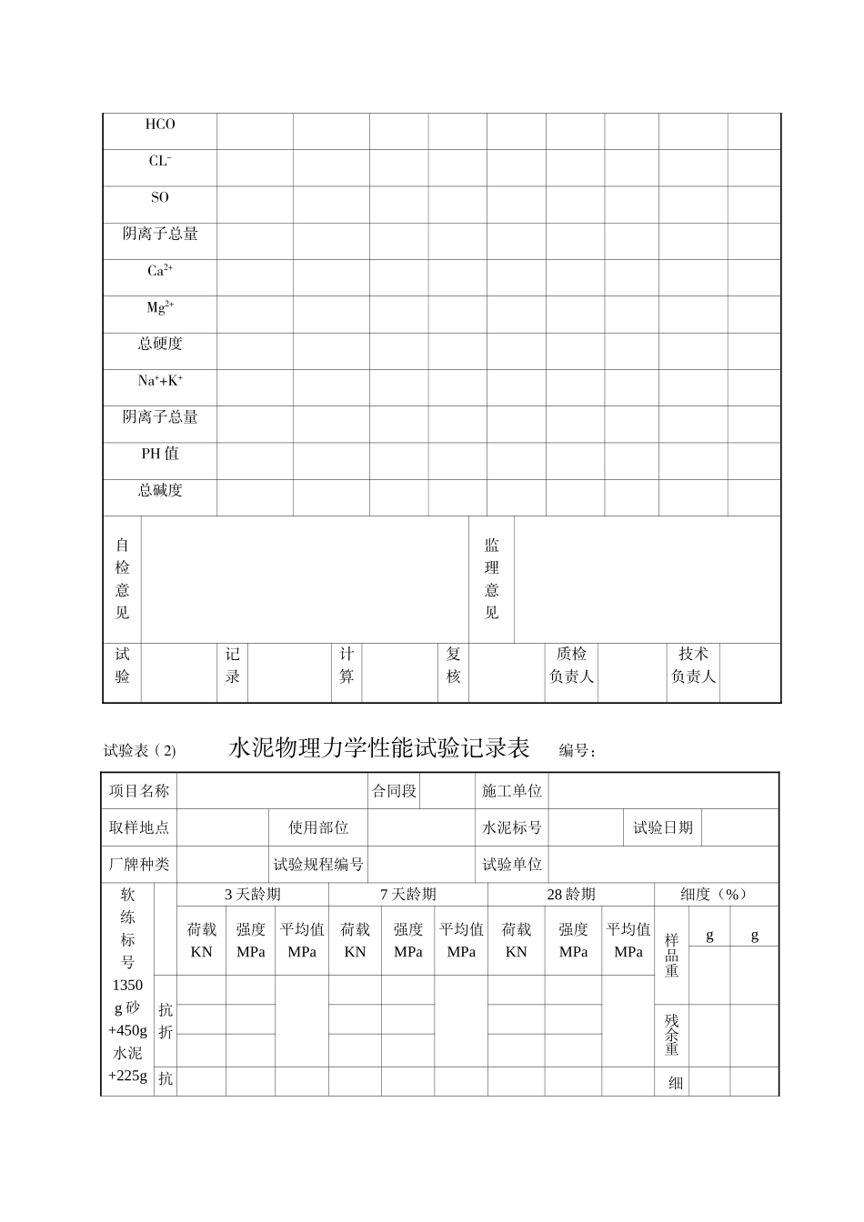
第四部分工程质量检验室内试验记录表目录试验表 l 水质分析试验记录表试验表 2 水泥物理力学性能试验记录表试验表 3 塑料排水板性能试验表试验表 4 粗、细骨料含泥量试验记录表试验表 5 碎石针片状含量试验记录表试验表 6 粗集料筛分试验记录表试验表 7 细集料筛分试验记录表试验表 8 粗集料视比重、松散容重及空隙率试验记录表试验表 9 压碎值试验记录表试验表 10 石料抗压强度试验记录表试验表 11 磨耗试验记录表试验表 12 粗集料磨光值试验记录表试验表 13 土颗粒组成分析(筛分法)试验记录表试验表 14 土颗料组成分析(比重计法)试验记录表试验表 15 液塑限联合测定试验记录表试验表 16 承载比(CBR)试验记录表试验表 17 土壤膨胀量试验记录表试验表 18 重型击实试验记录表试验表 19 含水量试验记录表试验表 20 相对密度试验记录表试验表 21 天然稠度试验记录表试验表 22 室内回弹模量试验记录表试验表 23 野外回弹模量试验记录表试验表 24 标准砂标定试验记录表(灌砂法用)试验表 25 半刚性基层无侧限抗压强度试验记录表试验表 26 水泥或石灰剂量测定试验记录表试验表 27 回弹法测试原始记录试验表 28 结构或构件混凝土回弹强度计算表试验表 29 水泥砼配合比设计计算表试验表 30 水泥砼(砂浆)配合比设计强度试验记录表试验表 31 水泥砼(砂浆)抗压抗折强度试验记录表试验表 32 钢材力学性能试验记录表试验表 33 钢材焊接力学性能试验记录表试验表 34 预应力钢筋冷拉试验记录表试验表 35 沥青三大指标试验记录表试验表 36 沥青粘结力试验记录表试验表 37 粘稠沥青含水量试验记录表试验表 38 沥青粘度试验记录表试验表 39 沥青加热损失试验记录表试验表 40 沥青闪点和燃点试验记录表试验表 41 沥青混合料中沥青含量及混合料筛分记录表试验表 42 沥青混合料马歇尔试验记录表试验表 43 沥青混凝土沥青用量选定图试验记录表试验表 44 沥青混凝土芯样密实度试验记录表试验表 45 土工合成材料单位面积质量试验记录表试验表 46 土工合成材料厚度试验记录表试验表 47 土工格栅、土工网网孔尺寸测试记录表试验表 48 土工合成材料条带拉伸试验记录表试验表 49 土工合成材料撕裂试验记录表试验表 50 土工合成材料 CBR 顶破试验记录表试验表 51 土工合成材料落锥穿透试验记录表试验表 52 土工合成材料孔径(干筛法)试验记录表试验表 53 ...

1、当您付费下载文档后,您只拥有了使用权限,并不意味着购买了版权,文档只能用于自身使用,不得用于其他商业用途(如 [转卖]进行直接盈利或[编辑后售卖]进行间接盈利)。
2、本站所有内容均由合作方或网友上传,本站不对文档的完整性、权威性及其观点立场正确性做任何保证或承诺!文档内容仅供研究参考,付费前请自行鉴别。
3、如文档内容存在违规,或者侵犯商业秘密、侵犯著作权等,请点击“违规举报”。

碎片内容

公路工程施工表格

您可能关注的文档

确认删除?
VIP
微信客服
  • 扫码咨询
会员Q群
  • 会员专属群点击这里加入QQ群
客服邮箱
回到顶部