电脑桌面
添加小米粒文库到电脑桌面
安装后可以在桌面快捷访问

兴安热电厂电气工程质量验收分级项目划分表1

兴安热电厂电气工程质量验收分级项目划分表1_第1页
1/15
兴安热电厂电气工程质量验收分级项目划分表1_第2页
2/15
兴安热电厂电气工程质量验收分级项目划分表1_第3页
3/15
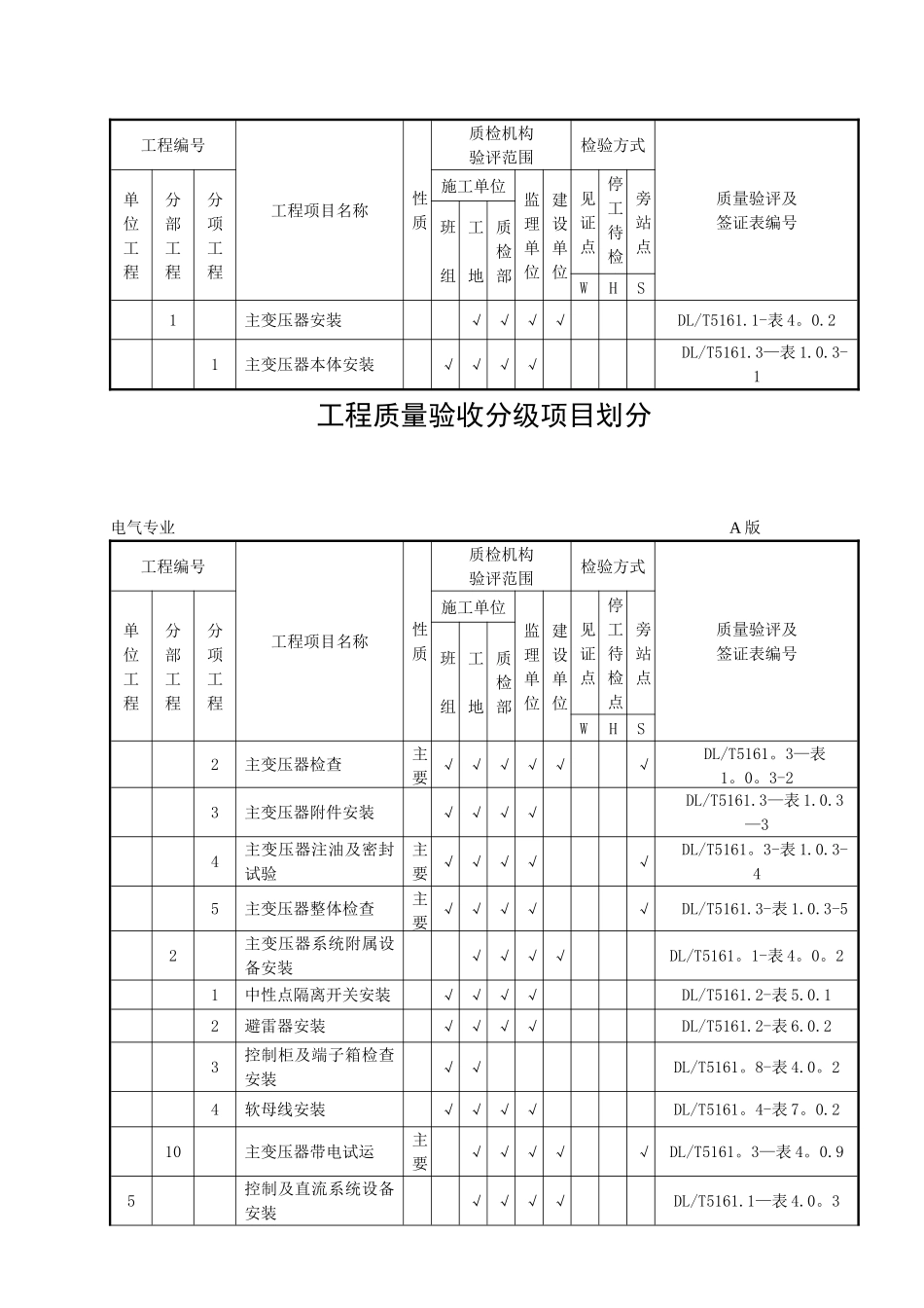
工程质量验收分级项目划分电气专业 A 版工程编号工程项目名称性质质检机构验评范围检验方式质量验评及签证表编号单位工程分部工程分项工程施工单位监理单位建设单位见证点停工待检点旁站点班组工地质检部WHS1发电机电气与引出线安装√ √ √ √DL/T5161.1—表 4.0.31发电机电气与出线设备安装√ √ √ √DL/T5161.1—表 4.0.21发电机本体检查主要 √ √ √ √ √√DL/T5161.7-表 1。0。12发电机附件安装主要√ √ √ √√DL/T5161.7—表 1.0。23励磁设备检查安装√ √ √ √DL/T5161。7—表 2.1。2DL/T5161.3—表 1.0.14互感器检查安装√ √DL/T5161。3—表 3.0.15箱、柜(盘)安装√ √DL/T5161.8-表 1。0。2DL/T5161。8—表 2。0.1DL/T5161.8-表 4.0。2DL/T5161。8-表 6.0.26电阻器安装√ √ DL/T5161.12—表 3.0。27交(直)流励磁母线安装主要 √ √ √ √√DL/T5161.4-表 3。0.28微正压装置安装√ √DL/T5161.8-表 1.0。2DL/T5161。8-表 4。0。22发电机引出线安装√ √ √ √DL/T5161.1-表 4。0。21铁构架制作安装√ √DL/T5161。4—表 1.0.22封闭母线安装主要 √ √ √ √√DL/T5161.4-表 5.0。23电流互感器安装√ √ √ √DL/T5161.3—表 3。0。110发电机启动试运主要√ √ √ √√DL/T5161.7—表 3.0。72主变压器系统设备安装√ √ √ √DL/T5161.1—表 4。0。3工程编号工程项目名称性质质检机构验评范围检验方式质量验评及签证表编号单位工程分部工程分项工程施工单位监理单位建设单位见证点停工待检点旁站点班组工地质检部WHS1主变压器安装√ √ √ √DL/T5161.1-表 4。0.21主变压器本体安装√ √ √ √ DL/T5161.3—表 1.0.3-1工程质量验收分级项目划分电气专业 A 版工程编号工程项目名称性质质检机构验评范围检验方式质量验评及签证表编号单位工程分部工程分项工程施工单位监理单位建设单位见证点停工待检点旁站点班组工地质检部WHS2主变压器检查主要√ √ √ √ √√ DL/T5161。3—表1。0。3-23主变压器附件安装√ √ √ √ DL/T5161.3—表 1.0.3—34主变压器注油及密封试验主要 √ √ √ √√ DL/T5161。3-表 1.0.3-45主变压器整体检查主要√ √ √ √√ DL/T5161.3-表 1.0.3-52主变压器系统附属设备安装√ √ √ √DL/T5161。1-表 4。0。21中性点隔离开关安装√ √ √ √DL/T5161.2-表 5.0.12避雷器安装√ √ √ √...

1、当您付费下载文档后,您只拥有了使用权限,并不意味着购买了版权,文档只能用于自身使用,不得用于其他商业用途(如 [转卖]进行直接盈利或[编辑后售卖]进行间接盈利)。
2、本站所有内容均由合作方或网友上传,本站不对文档的完整性、权威性及其观点立场正确性做任何保证或承诺!文档内容仅供研究参考,付费前请自行鉴别。
3、如文档内容存在违规,或者侵犯商业秘密、侵犯著作权等,请点击“违规举报”。

碎片内容

兴安热电厂电气工程质量验收分级项目划分表1

您可能关注的文档

一帆文传+ 关注
实名认证
内容提供者

欢迎光临店铺,各类公文供您挑选。

确认删除?
VIP
微信客服
  • 扫码咨询
会员Q群
  • 会员专属群点击这里加入QQ群
客服邮箱
回到顶部