电脑桌面
添加小米粒文库到电脑桌面
安装后可以在桌面快捷访问

冠梁、栈桥板施工技术交底

冠梁、栈桥板施工技术交底_第1页
1/6
冠梁、栈桥板施工技术交底_第2页
2/6
冠梁、栈桥板施工技术交底_第3页
3/6
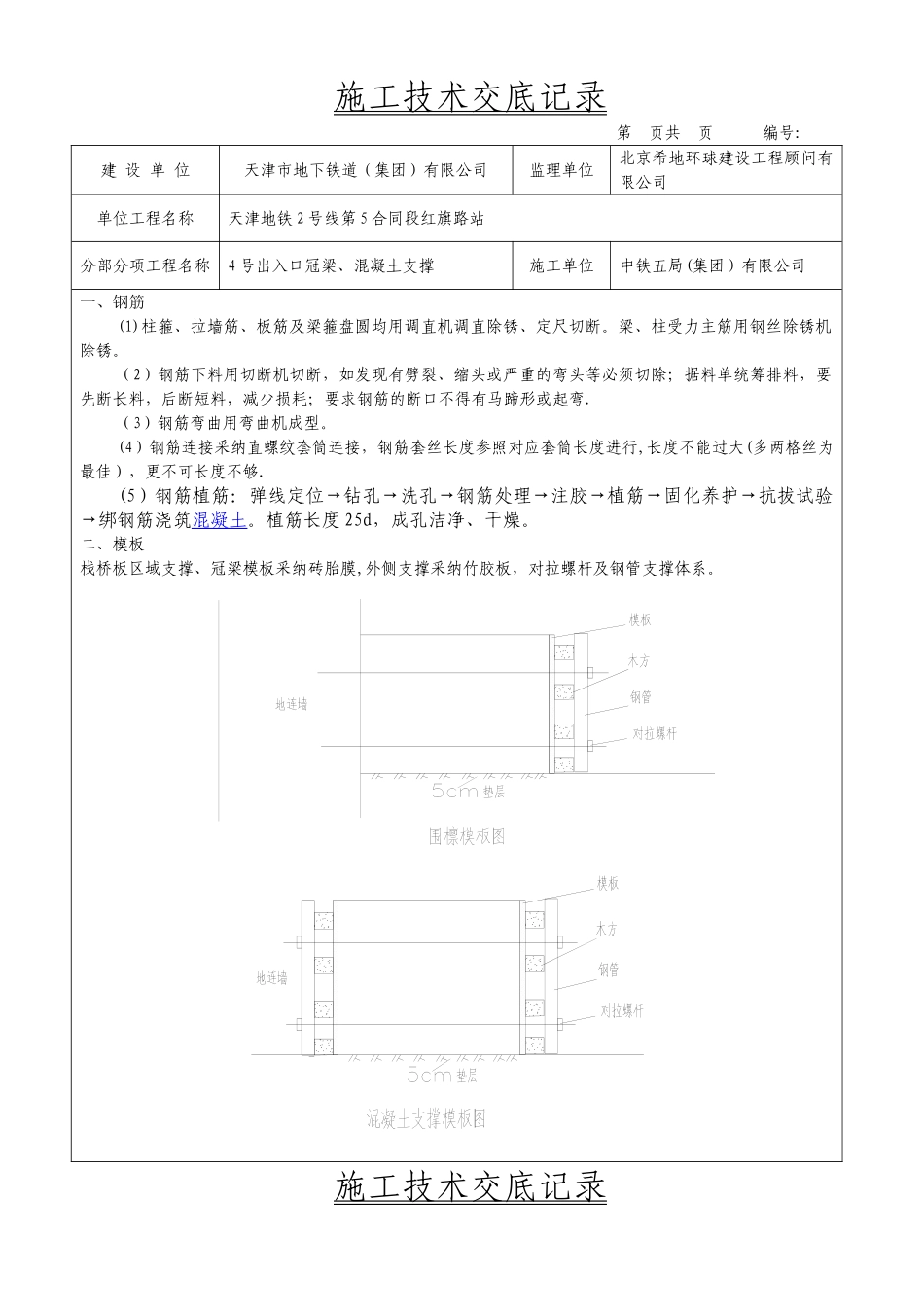
施工技术交底记录 第 页共 页 编号: 建 设 单 位天津市地下铁道(集团)有限公司监理单位北京希地环球建设工程顾问有限公司单位工程名称天津地铁 2 号线第 5 合同段红旗路站分部分项工程名称4 号出入口冠梁、混凝土支撑施工单位中铁五局(集团)有限公司内容:一、施工平面图虚线内为本次施工范围二、栈桥板、冠梁配筋图施工技术交底记录 第 页共 页 编号: 建 设 单 位天津市地下铁道(集团)有限公司监理单位北京希地环球建设工程顾问有限公司单位工程名称天津地铁 2 号线第 5 合同段红旗路站分部分项工程名称4 号出入口冠梁、混凝土支撑施工单位中铁五局(集团)有限公司施工技术交底记录 第 页共 页 编号: 建 设 单 位天津市地下铁道(集团)有限公司监理单位北京希地环球建设工程顾问有限公司单位工程名称天津地铁 2 号线第 5 合同段红旗路站分部分项工程名称4 号出入口冠梁、混凝土支撑施工单位中铁五局(集团)有限公司一、钢筋(1)柱箍、拉墙筋、板筋及梁箍盘圆均用调直机调直除锈、定尺切断。梁、柱受力主筋用钢丝除锈机除锈。(2)钢筋下料用切断机切断,如发现有劈裂、缩头或严重的弯头等必须切除;据料单统筹排料,要先断长料,后断短料,减少损耗;要求钢筋的断口不得有马蹄形或起弯.(3)钢筋弯曲用弯曲机成型。(4)钢筋连接采纳直螺纹套筒连接,钢筋套丝长度参照对应套筒长度进行,长度不能过大(多两格丝为最佳),更不可长度不够.(5)钢筋植筋:弹线定位→钻孔→洗孔→钢筋处理→注胶→植筋→固化养护→抗拔试验→绑钢筋浇筑混凝土。植筋长度 25d,成孔洁净、干燥。二、模板栈桥板区域支撑、冠梁模板采纳砖胎膜,外侧支撑采纳竹胶板,对拉螺杆及钢管支撑体系。施工技术交底记录 第 页共 页 编号: 建 设 单 位天津市地下铁道(集团)有限公司监理单位北京希地环球建设工程顾问有限公司单位工程名称天津地铁 2 号线第 5 合同段红旗路站分部分项工程名称4 号出入口冠梁、混凝土支撑施工单位中铁五局(集团)有限公司模 板 采 纳 18 厚 木 质 层 板 , 并 根 据 梁 高 , 长 配 置 其 标 尺 寸 模 型 板 , 采 纳 横 向 用 100*100 木方、2φ48×3。5 钢管作背杆,内外模板由 φ14 对拉螺栓连接。模板支撑内层楞条采纳 100×100 木方间距 200㎜,外层楞条采纳 2φ48×3。5 钢管间距 600㎜,外墙设 φ14 对拉螺栓水平 600mm 及竖向间距 ...

1、当您付费下载文档后,您只拥有了使用权限,并不意味着购买了版权,文档只能用于自身使用,不得用于其他商业用途(如 [转卖]进行直接盈利或[编辑后售卖]进行间接盈利)。
2、本站所有内容均由合作方或网友上传,本站不对文档的完整性、权威性及其观点立场正确性做任何保证或承诺!文档内容仅供研究参考,付费前请自行鉴别。
3、如文档内容存在违规,或者侵犯商业秘密、侵犯著作权等,请点击“违规举报”。

碎片内容

冠梁、栈桥板施工技术交底

您可能关注的文档

确认删除?
VIP
微信客服
  • 扫码咨询
会员Q群
  • 会员专属群点击这里加入QQ群
客服邮箱
回到顶部