电脑桌面
添加小米粒文库到电脑桌面
安装后可以在桌面快捷访问

净化工程施工组织设计

净化工程施工组织设计_第1页
1/59
净化工程施工组织设计_第2页
2/59
净化工程施工组织设计_第3页
3/59
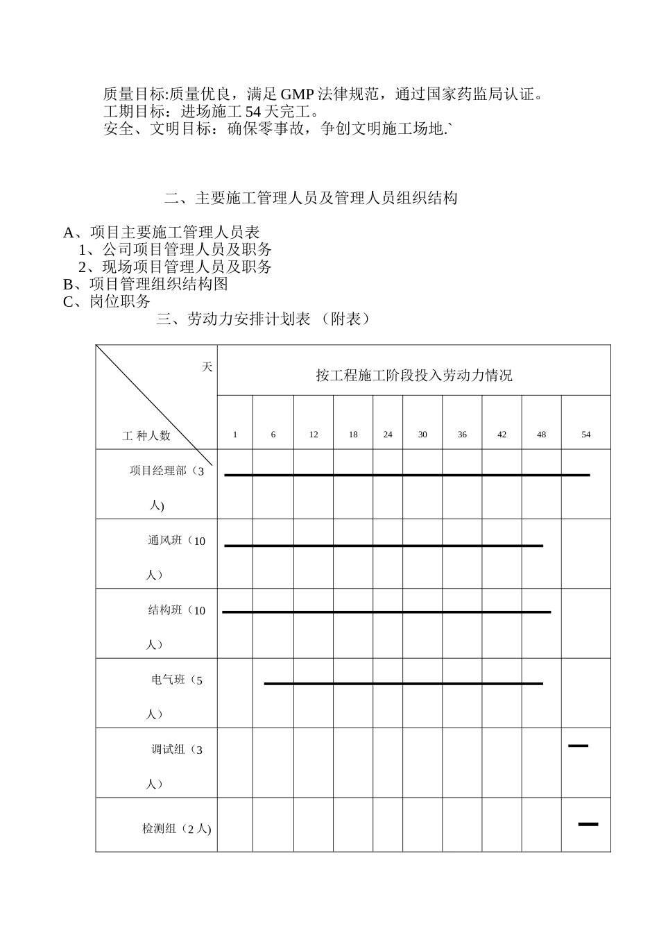
施 工 组 织 设 计目 录1、工程概况2、主要施工管理人员及管理人员组织结构3、劳动力安排表4、施工机械保证措施5、计划投入的主要施工机械设备表6、施工协调与配合7、施工进度计划8、进度保证及抢工措施9、主要施工方法及技术措施(1)洁净厂房净化施工管理规则(2)净化装修施工技术方案(3)空调工程施工技术方案(4)管道工程施工技术方案(5)保温工程施工技术方案(6)电气工程施工技术方案(7)设备安装工程施工方案(8)厂房测试方案10、 保温工程质量措施11、 工程质量通病防治措施12、 施工合理化建议和降低成本措施13、 质量管理体系14、 保证安全生产的措施15、 保证文明施工的措施16、 编制依据及法律规范标准一、 工程概况1、工程简介A、建设单位: B、项目名称:C、工程地点:D、设计单位:2、主要工作内容A、工程范围:以设计图为依据,工程内容包括:彩钢板结构装饰部分、通风管道部分、空调通风设备部分、照明电气部分、空调自动化控制系统的安装及材料采购。B、承包方式:包工包料(除预算清单中已报价部分设备,其他设备为甲供)、包工期、包质量、包安全、包施工、包空调系统的联动调试。3、工程特点和难点特点:本次安装工程专业性强:设备、管线工程量大,工程有百级净化要求,而且百级区的面积大,所以对于百级区安装时的密封工作和噪音控制由为关键和细仔。施工环境的污染控制不容忽视;因特别专业需要,会出现多工种交叉施工、工期紧的局面,所以合理布置工作面和合理布置工种交叉也需要重视。难点:本工程工期紧凑,如何处理各工种的交叉施工、确定最佳作业顺序、制定完善抢工措施,成为本工程的难点。同时因 GMP 的特别要求,如何控制施工过程中的交叉污染是本工程的关键。4、项目管理目标质量目标:质量优良,满足 GMP 法律规范,通过国家药监局认证。工期目标:进场施工 54 天完工。安全、文明目标:确保零事故,争创文明施工场地.` 二、主要施工管理人员及管理人员组织结构A、项目主要施工管理人员表1、公司项目管理人员及职务2、现场项目管理人员及职务B、项目管理组织结构图C、岗位职务三、劳动力安排计划表 (附表)天工 种人数按工程施工阶段投入劳动力情况161218243036424854项目经理部(3人)通风班(10人)结构班(10人)电气班(5人)调试组(3人)检测组(2 人)四、施工机械保证措施 为安全、合理、有效的使用施工机械,依据施工的配置情况及在场的使用情况,对施工机械组织进退场。1、...

1、当您付费下载文档后,您只拥有了使用权限,并不意味着购买了版权,文档只能用于自身使用,不得用于其他商业用途(如 [转卖]进行直接盈利或[编辑后售卖]进行间接盈利)。
2、本站所有内容均由合作方或网友上传,本站不对文档的完整性、权威性及其观点立场正确性做任何保证或承诺!文档内容仅供研究参考,付费前请自行鉴别。
3、如文档内容存在违规,或者侵犯商业秘密、侵犯著作权等,请点击“违规举报”。

碎片内容

净化工程施工组织设计

您可能关注的文档

确认删除?
VIP
微信客服
  • 扫码咨询
会员Q群
  • 会员专属群点击这里加入QQ群
客服邮箱
回到顶部