电脑桌面
添加小米粒文库到电脑桌面
安装后可以在桌面快捷访问

制冷与空调作业实操考核标准

制冷与空调作业实操考核标准_第1页
1/67
制冷与空调作业实操考核标准_第2页
2/67
制冷与空调作业实操考核标准_第3页
3/67
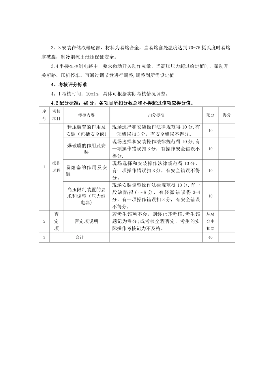
制冷与空调作业实操考试标准说明:制冷与空调设备运行操作作业、制冷与空调设备安装修理作业实操考核各含 22 道题,分值 40 分为否决题,分值30 分的为非否决题。每人抽取 3 道题,其中抽取 1 道 40 分的题目,抽取 2 道 30 分的题目。一. 制冷与空调设备运行操作作业实际操作考核试题(22)项目一 万用表、钳型电流表、绝缘电阻表的正确操作1。准备工作1。1 场地准备:不少于 5 个工位操作空间,要有操作平台,操作空间不少于 10 平方米。1.2 工具准备:万用表、钳型电流表、绝缘电流表若干等。1.3 个人安全防护用品。2.操作步骤2.1 正确选用测量挡位(电压、电流、电阻、电容测量)和量程;测量前两只表笔碰头表针摆动并回零;测量电容前应先将电容放电。2.2 被侧导线不得与钳型电流表表钳有接触.2。3 绝缘电阻表也叫兆欧表,是用来测量绝缘电阻的专用仪表。使用时将两侧两头一头卡接在电机接线柱上,另一头接外壳,摇 90~150 转。2。4 验收内容:(1)万用表的正确使用(电压、电流、电阻、电容测量)。(2)钳型电流表正确使用。(3)绝缘电阻表的正确使用(500 伏).3。安全技术要求3。1 使用万用表前要正确选档,测直流时要判明极性,不可测试时换挡,测量时人体不得接触被测端及万用表上裸露的带电部分。3.2 使用钳形电流表时不可测量裸导线上的电流,测量时要与附近带电体保持距离,使用后将挡位置于电流最高档。3.3 使用绝缘电阻表前要将表放平稳,电缆放电,接地以保证安全。4.考核评分标准4。1 考核时间:10min,具体可根据实际考核情况调整。4。2 配分标准:30 分,各项目所扣分数总和不得超过该项应得分值。序号考核项目考核内容扣分标准配分得分1操作过程万用表的正确使用正确选择测量挡位,且操作法律规范得 10 分,有一项错误扣 3 分,有安全错误不得分。10钳型电流表正确使用正确选择测量挡位,且操作法律规范得 10 分,有一处错误扣 3 分,有安全错误不得分。10绝缘电阻表的正确使用正确使用兆欧表,操作法律规范得 10 分,有一项错误扣 3 分,有安全错误不得分.10验收要求否定项说明:若考生发生否定项情况,则终止其考核,考生该题记为零分.02合计30项目二 制冷设备超压保护装置认知1。准备工作1.1 场地准备:不少于 5 个工位操作空间,要有操作平台,操作空间不少于 10 平方米。1.2 零部件准备:安全阀,高、低压力控制器,油压差控制器若干.1。3 个人安全防护用品。2.操作步骤2。1...

1、当您付费下载文档后,您只拥有了使用权限,并不意味着购买了版权,文档只能用于自身使用,不得用于其他商业用途(如 [转卖]进行直接盈利或[编辑后售卖]进行间接盈利)。
2、本站所有内容均由合作方或网友上传,本站不对文档的完整性、权威性及其观点立场正确性做任何保证或承诺!文档内容仅供研究参考,付费前请自行鉴别。
3、如文档内容存在违规,或者侵犯商业秘密、侵犯著作权等,请点击“违规举报”。

碎片内容

制冷与空调作业实操考核标准

您可能关注的文档

确认删除?
VIP
微信客服
  • 扫码咨询
会员Q群
  • 会员专属群点击这里加入QQ群
客服邮箱
回到顶部