电脑桌面
添加小米粒文库到电脑桌面
安装后可以在桌面快捷访问

加强装车过程控制-提高装车效率QCVIP专享

加强装车过程控制-提高装车效率QC_第1页
1/14
加强装车过程控制-提高装车效率QC_第2页
2/14
加强装车过程控制-提高装车效率QC_第3页
3/14
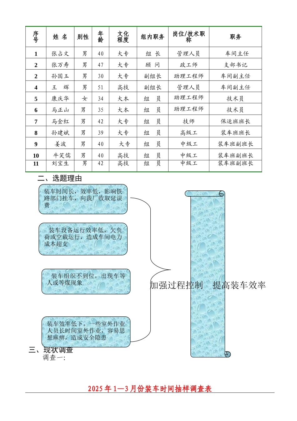
QC 成果发布加强过程控制 提高装车效率二分区储运车间装车系统 QC 小组二 0 一三年五月前 言太西洗煤厂年入洗原煤 700 万吨,产品品种达 13 种,产品销售发运主要以铁路发运为主,多年来由于产品销售受铁路运量不足、运输不畅影响,造成产品时常出现积压,转运,造成生产成本增加。加快车皮周转,力争快装多运,改善路企关系是减少产品库存压力的有效方法。因此,2025 年我车间装车系统 QC 小组就如何加强装车过程控制,提高装车效率,缩短装车时间开展了现场攻关,分析找出了影响装车效率,延长装车时间的各种因素,并有针对性的制定了纠正预防措施,着力解决了影响装车效率的各种问题,有效的提高了装车效率,缩短了装车时间。一、小组概况小组名称二分区储运车间装车系统 QC 小组成立时间2025 年 1 月格 言立足生产现场,解决实际问题课题名称加强过程控制 提高装车效率小组类型现场型组 长张占文小组成员11 人活动日期2025.2~2025.12出 勤 率100%QC 教育时间平均 40 课时活动情况20 次注册时间2025 年 01 月 15小组成员:二、选题理由三、现状调查调查一:2025 年 1—3 月份装车时间抽样调查表序号姓 名性 别年龄文化程度组内职务岗位/技术职称职务1张占文男40大专组 长管理人员 车间主任2张万寿男47大专顾 问政工师支部书记2孙国玉男30大专副组长助理工程师车间副主任4王 辉男51高技副组长管理人员 车间副主任5康庆华女34大本组 员助理工程师技术员6马正山男35大本组 员助理工程师技术员7马金红男42大专组 员技师保运班班长8孙建斌男39大专组 员高级工装车班班长9姜波男40 大专组 员 中级工装车班副班长 10 牛笑儒男40高技组 员中级工装车班副班长11刘宝生男42高技组 员中级工装车班副班长加强过程控制 提高装车效率装车时间长,效率低,影响铁路部门挂车,向我厂收取延误费 装车设备运行效率低,欠负荷或空载运行,造成车间电力成本超支 装车组织不到位,出现车等人或等煤现象装车效率低下,一些室外作业人员长时间室外作业,容易思想麻痹,造成安全隐患日期进车时间车数装车品种装车车数开装时间装完时间挂车数挂出时间剩余车数挂车影响时间总共用时(分)每批次车皮平均装车组织时间1 月 10 日2:4024洗末244:255:50246:3000190′7′55″1 月 6 日3:0020精 30—80173:457:2059:4512145′165′8′15″精 30-8039:009:501510:201 月 16 日17:354730-802318:1020:...

1、当您付费下载文档后,您只拥有了使用权限,并不意味着购买了版权,文档只能用于自身使用,不得用于其他商业用途(如 [转卖]进行直接盈利或[编辑后售卖]进行间接盈利)。
2、本站所有内容均由合作方或网友上传,本站不对文档的完整性、权威性及其观点立场正确性做任何保证或承诺!文档内容仅供研究参考,付费前请自行鉴别。
3、如文档内容存在违规,或者侵犯商业秘密、侵犯著作权等,请点击“违规举报”。

碎片内容

加强装车过程控制-提高装车效率QC

元素商铺+ 关注
实名认证
内容提供者

欢迎挑选合适的文档

确认删除?
VIP
微信客服
  • 扫码咨询
会员Q群
  • 会员专属群点击这里加入QQ群
客服邮箱
回到顶部