电脑桌面
添加小米粒文库到电脑桌面
安装后可以在桌面快捷访问

加气块施工工艺

加气块施工工艺_第1页
1/14
加气块施工工艺_第2页
2/14
加气块施工工艺_第3页
3/14
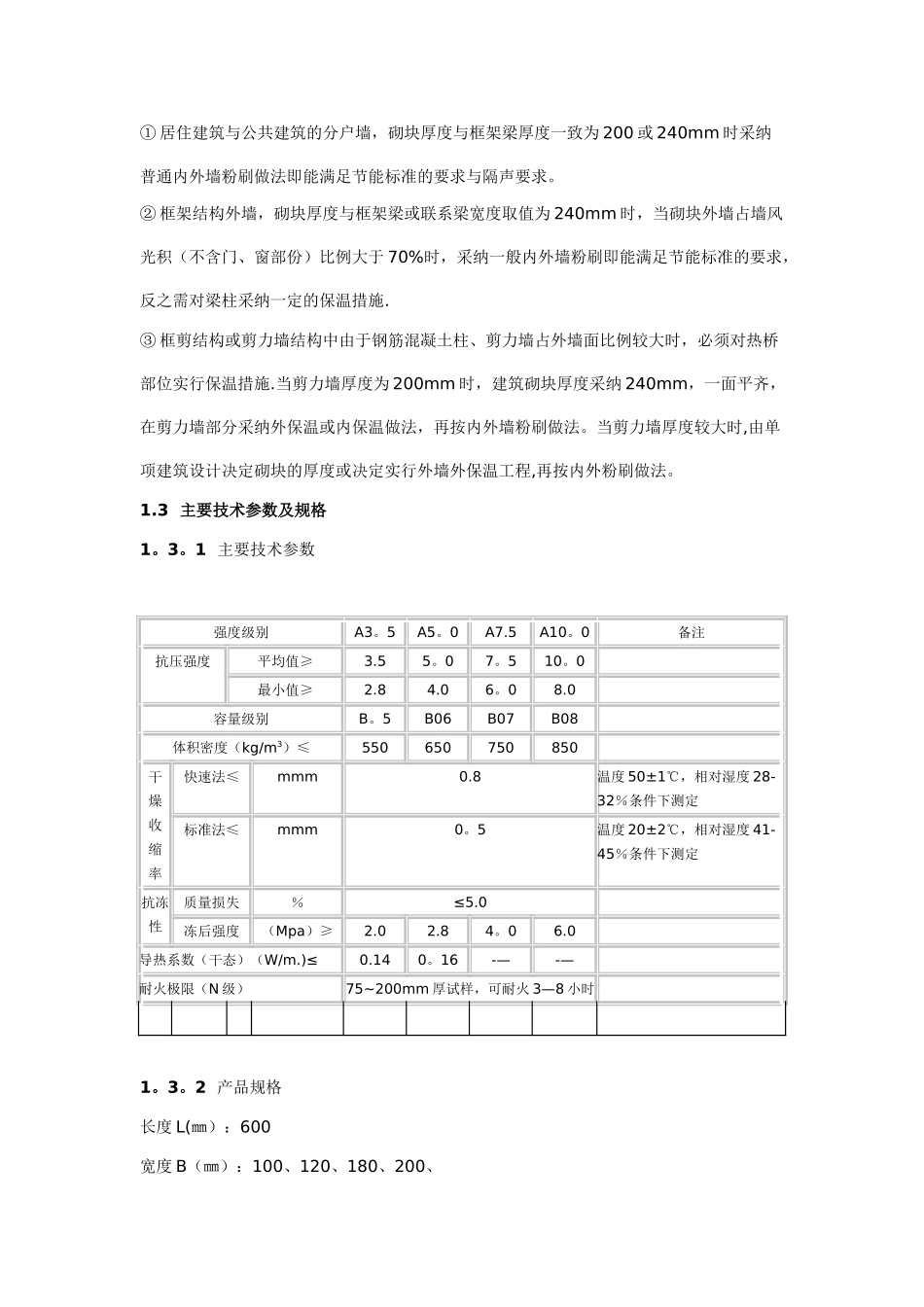
砌体施工方案一、工程概况冷静街 1#地块商业办公大楼工程位于宁波市海曙区,解放南路东侧,开明路西侧,规划大沙泥街以南,冷静街经北,本工程总用地面积约 15130㎡,总建筑面积为 62160㎡,地上建筑面积 40424㎡,地下室为二层,地下室建筑面积 21736㎡。本工程由主楼和四层裙房组成,主楼最高 16 层,逐层退台,。1。 蒸压砂加气混凝土砌块的特性、建筑节能做法及主要技术参数、规格1.1 砂加气混凝土砌块的十大特性1.1.1 多孔性是加气混凝土最主要的特性一般加气混凝土的孔隙达 70%。大部分气孔的孔径为 0。5~2㎜,平均孔径约在 1㎜左右。1.1。2 砌块强度偏低但在砌体中强度利用系数提高 砂加气混凝土虽然抗压强度低于粘土砖,但由于砂加气混凝土块体较大,制品均质性较好,砂加气混凝土砌体强度约为立方体砌块强度的 80%,而粘土砖仅为 30%左右.所以砂加气混凝土在砌体工程中的强度利用系数高于粘土类砖。1.1.3 在短期荷载作用下,砂加气混凝土的弹性模量较小但弹性系数较大蒸压砂加气混凝土的弹性模量约为(0。15~0。25)×104Ma,而 100 号普通混凝土的弹性模量为 2×104Ma,约为加气混凝土的 10 倍。因此在相同荷载下,加气混凝土砌块的变形较大,在应用时必须引起注意。1。1.4 在长期荷载作用下砂加气混凝土砌块的徐变值较小据讨论测定表明,在允许应力范围内,砂加气混凝土的徐变指数 σ1(σ1 =徐变值/初始变形)为 0。8~1.2,而普通混凝土则为 1~4.原因是砂加气混凝土经高压蒸气养护,化学反应进行比较完全之故.1。1.5 砂加气混凝土砌块的干燥收缩稍大砂加气混凝土采纳高压蒸气养护,已大大降低了制品收缩值。但是,在加气混凝土中一般没有粗骨料,不能象普通混凝土制品主要依靠粗骨料来减少收缩。砂加气混凝土最大干燥收缩值为 0.5㎜/m[温度 20℃,相对湿度(43±2)%]。所以,为避开墙体出现收缩裂缝,必须在结构和建筑上实行一定的措施。严格控制制品上墙前的 28d 自然养护期,上墙含水率宜控制在 15%以下。1。1.6 砂加气混凝土砌块吸水导湿性缓慢由于砂加气混凝土砌块的气孔大部分是“墨水瓶"结构的气孔,只有少部分是水份蒸发形成的毛细孔。所以,肚大口小,毛细管作用较差,造成砂加气混凝土吸水导湿缓慢的特性,吸水速度比粘土砖慢几十倍.加气混凝土平衡含水率较小,因此在建筑物中制品干燥后可以达到一个较低的自然含水率,有利于室内小气候的调节.1。1.7 砂加气混凝土砌块保温隔热性能比粘土砖和...

1、当您付费下载文档后,您只拥有了使用权限,并不意味着购买了版权,文档只能用于自身使用,不得用于其他商业用途(如 [转卖]进行直接盈利或[编辑后售卖]进行间接盈利)。
2、本站所有内容均由合作方或网友上传,本站不对文档的完整性、权威性及其观点立场正确性做任何保证或承诺!文档内容仅供研究参考,付费前请自行鉴别。
3、如文档内容存在违规,或者侵犯商业秘密、侵犯著作权等,请点击“违规举报”。

碎片内容

加气块施工工艺

您可能关注的文档

确认删除?
VIP
微信客服
  • 扫码咨询
会员Q群
  • 会员专属群点击这里加入QQ群
客服邮箱
回到顶部