电脑桌面
添加小米粒文库到电脑桌面
安装后可以在桌面快捷访问

加气块砌筑技术交底

加气块砌筑技术交底_第1页
1/4
加气块砌筑技术交底_第2页
2/4
加气块砌筑技术交底_第3页
3/4
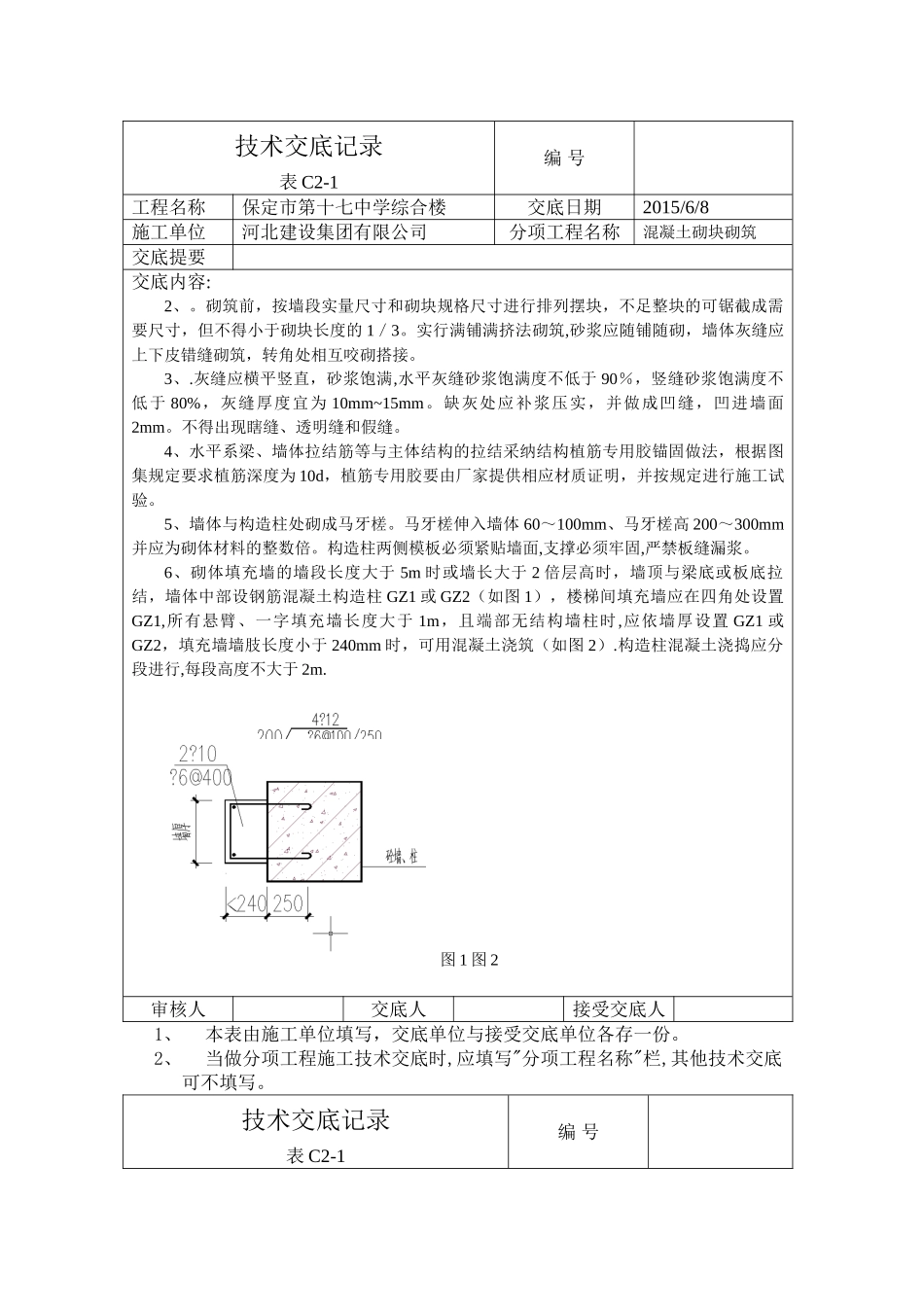
技术交底记录表 C2—1编号工程名称保定市第十七中学综合楼交底日期2015/6/8施工单位河北建设集团有限公司分项工程名称混凝土砌块砌筑交底提要交底内容:一、施工准备(一)材料准备及要求1、加气砼块及水泥砖 A3.5 加气混凝土砌块,规格为 600mm×200mm×250mm(200、150mm)宽为 200mm,干容重≤7。0KN/m³。材料在运输、装卸过程中严禁抛掷和倾倒.进场后应按品种、规格分别堆放整齐,堆置高度不宜超过 2 米,应防止雨淋.砌筑前可向砌筑面适当浇水湿润。 2、水泥:用 32.5 号矿渣硅酸盐水泥,新奇无结块;水泥进场应分批对其强度、安定性进行复验;不同品种的水泥禁止混用。 3、砂:中砂,含泥量不超过 5%,使用前过 5mm 孔径的筛。 4、拌制砂浆使用饮用水。(二)机具准备1、砌筑用具:磅秤、手推车、5mm 筛子、铁锹、皮数杆、托线板、线坠、水平尺、小白线、瓦刀、大铲、铁锨工具袋等. 2、主要施工机械设备:物料提升机 2 台、砂浆搅拌机.(三)作业条件准备1、施工测量:每层楼面要弹出轴线、墙身线、水平系梁位置线、拉结筋位置线、门洞口位置线、管道预留洞位置及标高线(建筑 500mm 控制线);所有测量施工线必须经复核符合设计图纸要求,并做好预检及验收手续。 2、砌筑前,墙基层应经验收合格;砌筑加气混凝土墙部位的楼地面、灰渣杂物及高出部分应清除洁净。 3、现场存放场地应夯实、平整、不积水,码放应整齐,堆置高度不宜超过 2m。装运过程轻拿轻放,避开损坏,并尽量减少二次倒运.4、在砌块墙底部,砌好四皮砖高度的水泥砖墙,卫生间、盥洗室、开水间底部浇筑200mm 高,宽度同墙宽混凝土基础坎台,地下室回填土部分墙体砌筑水泥砖墙。 5、砌筑前 1d,应将加气混凝土砌块及与原结构相接处,洒水湿润,以保证砌体良好粘结.6、按砌块每皮高度制作皮数杆,并竖立于墙的两端,在两相对皮数杆之间拉准线。二、施工操作工艺 (一)加气混凝土砌块砌筑1、工艺流程:构造柱绑扎→基层清理→墙体放线→砌块排砖→立皮数杆→拉水平线→拌制砂浆→墙体根部砌筑混凝土普通实心小砖→砌筑墙体→预埋钢筋→设置门、窗过梁及加强混凝土块→砌筑墙体→浇筑构造柱→墙顶封顶(不少于 15 天)→清理施工现场。 审核人交底人接受交底人1、本表由施工单位填写,交底单位与接受交底单位各存一份.2、当做分项工程施工技术交底时,应填写"分项工程名称”栏,其他技术交底可不填写。技术交底记录表 C2-1编 号工程名称保定市第十七中学综合...

1、当您付费下载文档后,您只拥有了使用权限,并不意味着购买了版权,文档只能用于自身使用,不得用于其他商业用途(如 [转卖]进行直接盈利或[编辑后售卖]进行间接盈利)。
2、本站所有内容均由合作方或网友上传,本站不对文档的完整性、权威性及其观点立场正确性做任何保证或承诺!文档内容仅供研究参考,付费前请自行鉴别。
3、如文档内容存在违规,或者侵犯商业秘密、侵犯著作权等,请点击“违规举报”。

碎片内容

加气块砌筑技术交底

您可能关注的文档

确认删除?
VIP
微信客服
  • 扫码咨询
会员Q群
  • 会员专属群点击这里加入QQ群
客服邮箱
回到顶部