电脑桌面
添加小米粒文库到电脑桌面
安装后可以在桌面快捷访问

劳务分包队伍考核表

劳务分包队伍考核表_第1页
1/3
劳务分包队伍考核表_第2页
2/3
劳务分包队伍考核表_第3页
3/3
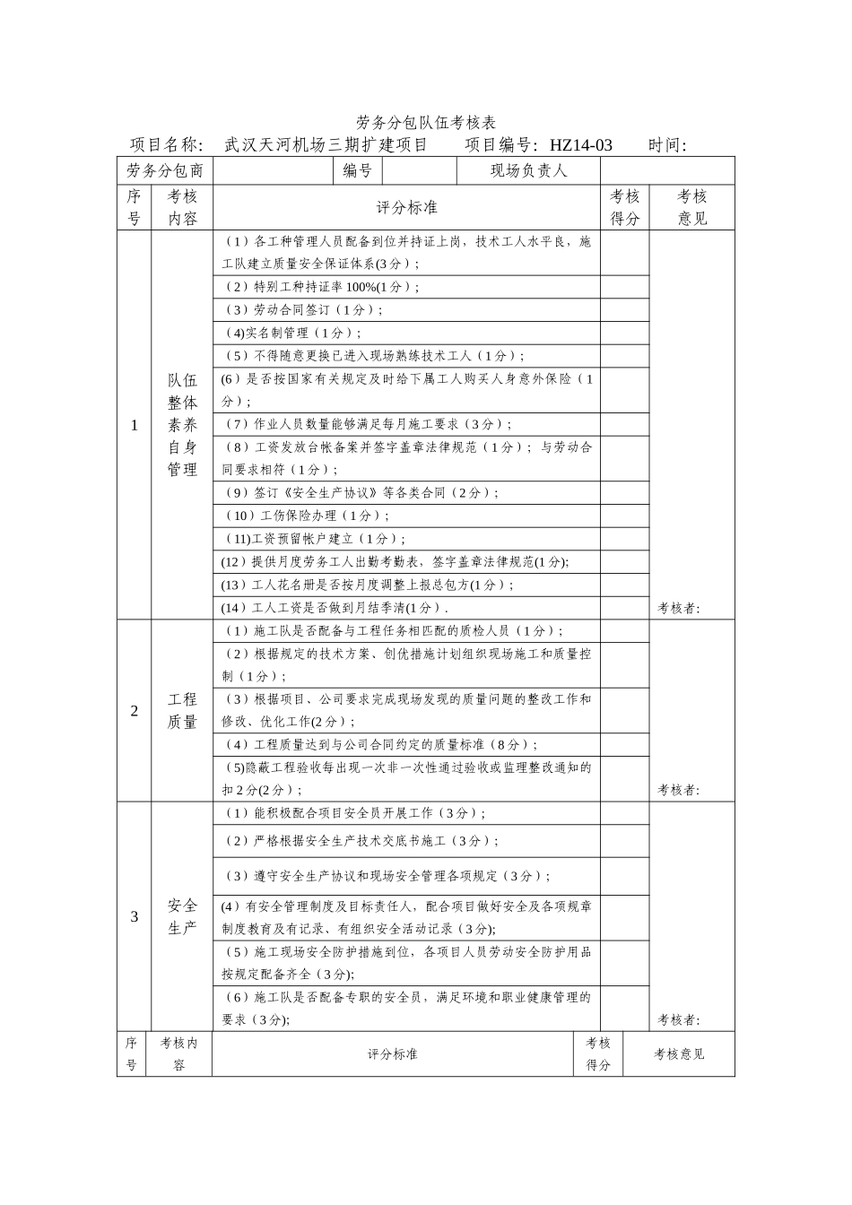
劳务分包队伍考核表项目名称: 武汉天河机场三期扩建项目 项目编号:HZ14-03 时间: 劳务分包商编号现场负责人序号考核内容评分标准考核得分考核意见1队伍整体素养自身管理(1)各工种管理人员配备到位并持证上岗,技术工人水平良,施工队建立质量安全保证体系(3 分);考核者:(2)特别工种持证率 100%(1 分);(3)劳动合同签订(1 分);(4)实名制管理(1 分);(5)不得随意更换已进入现场熟练技术工人(1 分);(6)是否按国家有关规定及时给下属工人购买人身意外保险(1分);(7)作业人员数量能够满足每月施工要求(3 分);(8)工资发放台帐备案并签字盖章法律规范(1 分);与劳动合同要求相符(1 分);(9)签订《安全生产协议》等各类合同(2 分);(10)工伤保险办理(1 分);(11)工资预留帐户建立(1 分);(12)提供月度劳务工人出勤考勤表,签字盖章法律规范(1 分);(13)工人花名册是否按月度调整上报总包方(1 分);(14)工人工资是否做到月结季清(1 分).2工程质量(1)施工队是否配备与工程任务相匹配的质检人员(1 分);考核者: (2)根据规定的技术方案、创优措施计划组织现场施工和质量控制(1 分);(3)根据项目、公司要求完成现场发现的质量问题的整改工作和修改、优化工作(2 分);(4)工程质量达到与公司合同约定的质量标准(8 分);(5)隐蔽工程验收每出现一次非一次性通过验收或监理整改通知的扣 2 分(2 分);3安全生产(1)能积极配合项目安全员开展工作(3 分);考核者:(2)严格根据安全生产技术交底书施工(3 分);(3)遵守安全生产协议和现场安全管理各项规定(3 分);(4)有安全管理制度及目标责任人,配合项目做好安全及各项规章制度教育及有记录、有组织安全活动记录(3 分);(5)施工现场安全防护措施到位,各项目人员劳动安全防护用品按规定配备齐全(3 分);(6)施工队是否配备专职的安全员,满足环境和职业健康管理的要求(3 分);序号考核内容评分标准考核得分考核意见4施 工 进度 完 成情况能够根据项目部编制的施工进度计划和现场签证为考核依据完成施工生产任务(12 分)考核者: 5合 同 履约(1)严格履行合同,人工费严格按《劳务分包合同》规定执行(3 分)考核者: (2)合同履约能力好信誉能按合同规定的义务,并及时配备总包单位做好现场质量、安全、文明施工结算等工作,不因为劳动力不足、技术力量不够等问题不履行合同规定的工作...

1、当您付费下载文档后,您只拥有了使用权限,并不意味着购买了版权,文档只能用于自身使用,不得用于其他商业用途(如 [转卖]进行直接盈利或[编辑后售卖]进行间接盈利)。
2、本站所有内容均由合作方或网友上传,本站不对文档的完整性、权威性及其观点立场正确性做任何保证或承诺!文档内容仅供研究参考,付费前请自行鉴别。
3、如文档内容存在违规,或者侵犯商业秘密、侵犯著作权等,请点击“违规举报”。

碎片内容

劳务分包队伍考核表

您可能关注的文档

确认删除?
VIP
微信客服
  • 扫码咨询
会员Q群
  • 会员专属群点击这里加入QQ群
客服邮箱
回到顶部