电脑桌面
添加小米粒文库到电脑桌面
安装后可以在桌面快捷访问

电力公司铁构件技术详评细则

电力公司铁构件技术详评细则_第1页
1/5
电力公司铁构件技术详评细则_第2页
2/5
电力公司铁构件技术详评细则_第3页
3/5
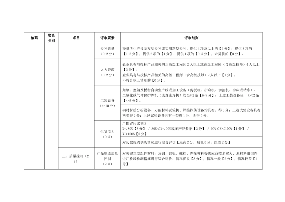
编码物资类别项目评审要素评审细则PW-TFJ-JS铁附件一、业绩水平(4-10)供货业绩(4-10)公告作出业绩要求的:业绩满足公告要求得【4 分】;超过公告要求 50%及以上得【6 分】;超过公告要求 100%及以上得【8 分】;超过公告要求 200%及以上得【10 分】;公告未作业绩要求的,但额外提供业绩的:按供货业绩从大到小分为两档,分别得【8 分】、【10 分】。二、资源实力(10-57)创新能力(2-13)企业参与制定与投标产品相关的行业及以上标准 1 项得【3 分】;企业参与制定与投标产品相关的企标或团标标准 1 项得【2 分】;不符合以上情形的得【0 分】。企业具有类似投标产品的中文核心及以上论文或发明专利或软著,且单位排序第一,满足上述任意一项,得【2 分】分;企业具有类似投标产品的中文核心及以上论文或发明专利或软著,单位排序非第一作者,得【1 分】分;不符合以上情形的,得【0 分】分。企业获得与投标产品相关的省部级及以上科技奖励,得【2 分】分;企业获得与投标产品相关的其他科技奖励,得【1 分】分;不符合以上情形的,得【0 分】分。设计图纸为自主研发、部分设计软件具有自主设计能力及软件著作权并经过验证,拥有针对投标产品质量提升重要作用的发明、实用新型专利以及相关著作权等知识产权项【4-6 分】;设计图纸自主研发,设计软件全部引进【2-4 分】。编码物资类别项目评审要素评审细则设备工艺优化改进(3-6)工艺文件、作业指导书齐全且有详细的质量保证措施及检验验证措施,原材料检验检测记录齐全,可追溯性强【5-6 分】; 工艺文件、作业指导书有详细的质量保证措施及检验验证措施,措施中未含原材料复检措施、关键加工工序质量控制措施的其中一项,原材料检验检测记录较齐全,可追溯性较强【4-5 分】; 工艺文件、作业指导书具有比较详细的质量保证措施及检验验证措施,措施中未含原材料复检措施、关键加工工序质量控制措施,原材料检验检测记录不齐全,可追溯性一般【3-4 分】。原材料组部件改进(0-7 分)对扁钢、圆钢、角钢、螺栓等原材料自行生产或选用优质产品,组件生产过程采用绿色环保工艺,且整体产品通过运行验证质量优秀可靠,得【4-7 分】;上述组件部分自行生产或选用优质产品、个别选用一般产品,得【2-4 分】;上述组件选用一般产品,得【0-2 分】。。自主可控水平(0-10 分)对原材料及关键主要组部件全部满足自主可控要求,整体产品通过运行验证质量优秀可靠,...

1、当您付费下载文档后,您只拥有了使用权限,并不意味着购买了版权,文档只能用于自身使用,不得用于其他商业用途(如 [转卖]进行直接盈利或[编辑后售卖]进行间接盈利)。
2、本站所有内容均由合作方或网友上传,本站不对文档的完整性、权威性及其观点立场正确性做任何保证或承诺!文档内容仅供研究参考,付费前请自行鉴别。
3、如文档内容存在违规,或者侵犯商业秘密、侵犯著作权等,请点击“违规举报”。

碎片内容

电力公司铁构件技术详评细则

文章天下+ 关注
实名认证
内容提供者

各种文档应有尽有

确认删除?
VIP
微信客服
  • 扫码咨询
会员Q群
  • 会员专属群点击这里加入QQ群
客服邮箱
回到顶部