电脑桌面
添加小米粒文库到电脑桌面
安装后可以在桌面快捷访问

变压器接地电阻测量的操作分析研究 电气工程管理专业VIP专享

变压器接地电阻测量的操作分析研究  电气工程管理专业_第1页
1/3
变压器接地电阻测量的操作分析研究  电气工程管理专业_第2页
2/3
变压器接地电阻测量的操作分析研究  电气工程管理专业_第3页
3/3
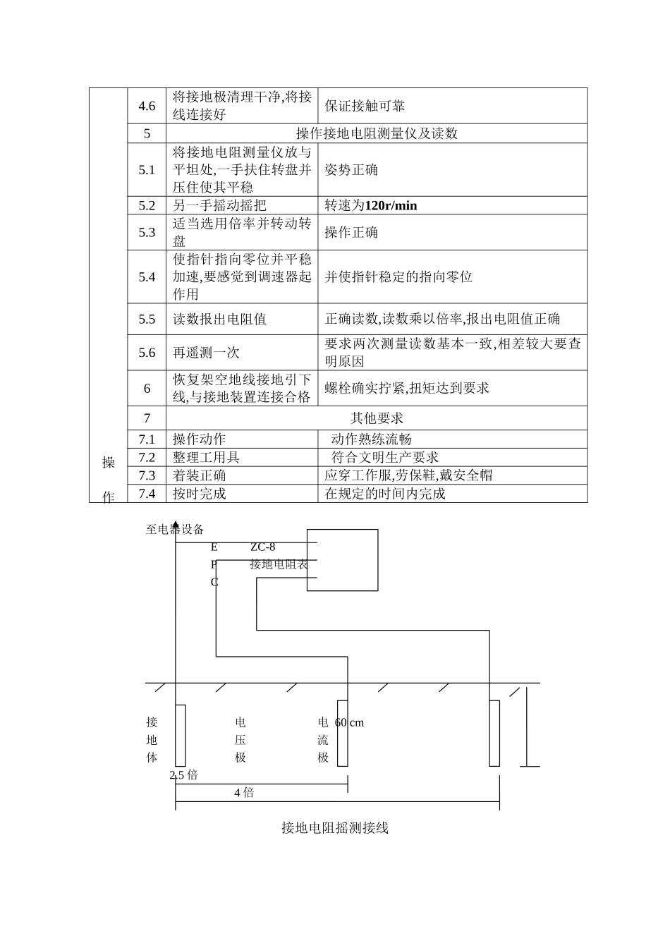
项目内容变压器接地电阻测量的操作需 要 说 明的问 题 和 要求1.用国产ZC-8型接地电阻测量仪测试2.只侧一组接地体电阻值3.告知接地体形式4.提供接地体形式图5.着装正确工 具 、 材料、设备、场地1.ZC-8型接地电阻测量仪一只2.连接线3.接地棒4.手锤5.绝缘手套6.在培训线路上操作操作步 骤 序号项目名称1接地电阻测量仪检查调整1.1外观检查检查合格并有有效的检测合格证1.2指针度盘检查检查并静态调整指针1.3将电表桩头短接, 摇动摇把动态检查,阻值应为01.4连接线的检查截面不小于1~1.5m㎡,塑铜线质量好1.5连接线外绝缘层检查检查绝缘层良好,无脱落与龟裂2查看有关图纸资料了解接地形式及接地体的长度3布置电流极和电压极3.1断开接地装置与架空地线接地引下线的连接戴绝缘手套,操作正确3.2 布置电流极接线长度为接地体长的4倍左右3.3布置电压极接线长度为接地体长的2.5倍左右4技术要求4.1布线要求布线方向应与线路或地下金属管道垂直4.2连接线要求连接线与接地棒接触良好4.3引线要求电压极与电流极引线应保持5m以上的距离4.4接地棒打入土中打入土中的深度不小于接地棒长度的3/4,并与土壤接触良好(不少50cm)4.5电表上接线正确操作4.6将接地极清理干净,将接线连接好保证接触可靠5操作接地电阻测量仪及读数5.1将接地电阻测量仪放与平坦处,一手扶住转盘并压住使其平稳姿势正确5.2另一手摇动摇把转速为120r/min5.3适当选用倍率并转动转盘操作正确5.4使指针指向零位并平稳加速,要感觉到调速器起作用并使指针稳定的指向零位5.5读数报出电阻值正确读数,读数乘以倍率,报出电阻值正确5.6再遥测一次要求两次测量读数基本一致,相差较大要查明原因6恢复架空地线接地引下线,与接地装置连接合格螺栓确实拧紧,扭矩达到要求7其他要求7.1操作动作动作熟练流畅7.2整理工用具符合文明生产要求7.3着装正确应穿工作服,劳保鞋,戴安全帽7.4按时完成在规定的时间内完成 至电器设备 E ZC-8 P 接地电阻表 C 接 电 电 60 cm 地 压 流 体 极 极 2.5 倍 4 倍接地电阻摇测接线

1、当您付费下载文档后,您只拥有了使用权限,并不意味着购买了版权,文档只能用于自身使用,不得用于其他商业用途(如 [转卖]进行直接盈利或[编辑后售卖]进行间接盈利)。
2、本站所有内容均由合作方或网友上传,本站不对文档的完整性、权威性及其观点立场正确性做任何保证或承诺!文档内容仅供研究参考,付费前请自行鉴别。
3、如文档内容存在违规,或者侵犯商业秘密、侵犯著作权等,请点击“违规举报”。

碎片内容

变压器接地电阻测量的操作分析研究 电气工程管理专业

您可能关注的文档

确认删除?
VIP
微信客服
  • 扫码咨询
会员Q群
  • 会员专属群点击这里加入QQ群
客服邮箱
回到顶部