电脑桌面
添加小米粒文库到电脑桌面
安装后可以在桌面快捷访问

单片机实例 ADC0809AD转换器基本应用技术分析研究 电子信息工程专业

单片机实例 ADC0809AD转换器基本应用技术分析研究  电子信息工程专业_第1页
1/73
单片机实例 ADC0809AD转换器基本应用技术分析研究  电子信息工程专业_第2页
2/73
单片机实例 ADC0809AD转换器基本应用技术分析研究  电子信息工程专业_第3页
3/73
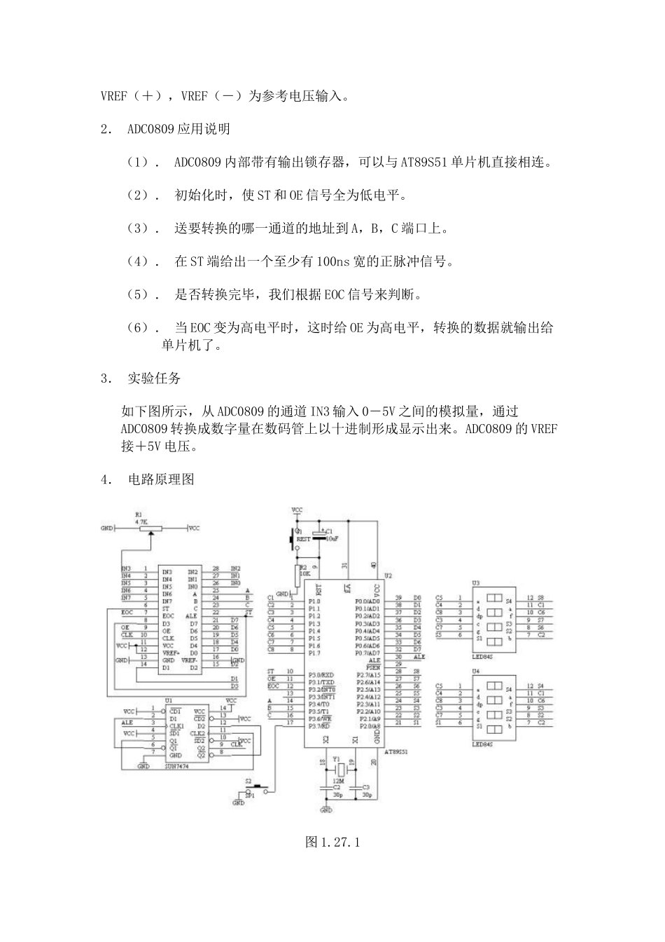
27. ADC0809A/D 转换器基本应用技术 1. 基本知识 ADC0809 是带有 8 位 A/D 转换器、8 路多路开关以及微处理机兼容的控制逻辑的 CMOS 组件。它是逐次逼近式 A/D 转换器,可以和单片机直接接口。 (1). ADC0809 的内部逻辑结构 由上图可知,ADC0809 由一个 8 路模拟开关、一个地址锁存与译码器、一个 A/D转换器和一个三态输出锁存器组成。多路开关可选通 8 个模拟通道,允许 8 路模拟量分时输入,共用 A/D 转换器进行转换。三态输出锁器用于锁存 A/D 转换完的数字量,当 OE 端为高电平时,才可以从三态输出锁存器取走转换完的数据。 (2). 引脚结构 IN0-IN7:8 条模拟量输入通道 ADC0809 对输入模拟量要求:信号单极性,电压范围是 0-5V,若信号太小,必须进行放大;输入的模拟量在转换过程中应该保持不变,如若模拟量变化太快,则需在输入前增加采样保持电路。 地址输入和控制线:4 条 ALE 为地址锁存允许输入线,高电平有效。当 ALE 线为高电平时,地址锁存与译码器将 A,B,C 三条地址线的地址信号进行锁存,经译码后被选中的通道的模拟量进转换器进行转换。A,B 和 C 为地址输入线,用于选通 IN0-IN7 上的一路模拟量输入。通道选择表如下表所示。 CBA选择的通道000IN0001IN1010IN2011IN3100IN4101IN5110IN6111IN7数字量输出及控制线:11 条 ST 为转换启动信号。当 ST 上跳沿时,所有内部寄存器清零;下跳沿时,开始进行 A/D 转换;在转换期间,ST 应保持低电平。EOC 为转换结束信号。当 EOC 为高电平时,表明转换结束;否则,表明正在进行 A/D 转换。OE 为输出允许信号,用于控制三条输出锁存器向单片机输出转换得到的数据。OE=1,输出转换得到的数据;OE=0,输出数据线呈高阻状态。D7-D0 为数字量输出线。 CLK 为时钟输入信号线。因 ADC0809 的内部没有时钟电路,所需时钟信号必须由外界提供,通常使用频率为 500KHZ, VREF(+),VREF(-)为参考电压输入。 2. ADC0809 应用说明 (1). ADC0809 内部带有输出锁存器,可以与 AT89S51 单片机直接相连。 (2). 初始化时,使 ST 和 OE 信号全为低电平。 (3). 送要转换的哪一通道的地址到 A,B,C 端口上。 (4). 在 ST 端给出一个至少有 100ns 宽的正脉冲信号。 (5). 是否转换完毕,我们根据 EOC 信号来判断。 (6). 当 EOC 变为高电平时,这时给 OE ...

1、当您付费下载文档后,您只拥有了使用权限,并不意味着购买了版权,文档只能用于自身使用,不得用于其他商业用途(如 [转卖]进行直接盈利或[编辑后售卖]进行间接盈利)。
2、本站所有内容均由合作方或网友上传,本站不对文档的完整性、权威性及其观点立场正确性做任何保证或承诺!文档内容仅供研究参考,付费前请自行鉴别。
3、如文档内容存在违规,或者侵犯商业秘密、侵犯著作权等,请点击“违规举报”。

碎片内容

单片机实例 ADC0809AD转换器基本应用技术分析研究 电子信息工程专业

您可能关注的文档

文章天下+ 关注
实名认证
内容提供者

各种文档应有尽有

确认删除?
VIP
微信客服
  • 扫码咨询
会员Q群
  • 会员专属群点击这里加入QQ群
客服邮箱
回到顶部