电脑桌面
添加小米粒文库到电脑桌面
安装后可以在桌面快捷访问

余安高速公路望谟至安龙段第7合同段ZK35+220钢筋砼盖板涵实施性施工组织设计VIP专享

余安高速公路望谟至安龙段第7合同段ZK35+220钢筋砼盖板涵实施性施工组织设计_第1页
1/19
余安高速公路望谟至安龙段第7合同段ZK35+220钢筋砼盖板涵实施性施工组织设计_第2页
2/19
余安高速公路望谟至安龙段第7合同段ZK35+220钢筋砼盖板涵实施性施工组织设计_第3页
3/19
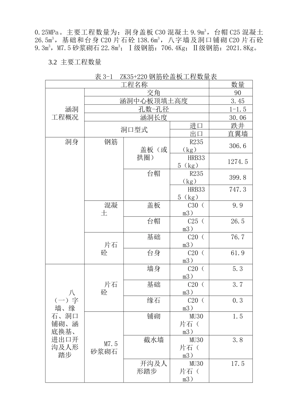
余安高速公路望谟至安龙段第 7 合同段 ZK35+220 钢筋砼盖板涵实施性施工组织设计 2013 年 12 月 10 日目 录1 编制依据...................................................................................................12 编制范围...................................................................................................13 工程概况...................................................................................................13.1 工程概况............................................................................................13.2 主要工程数量...................................................................................14 施工总体部署...........................................................................................24.1 施工组织机构及人员安排...............................................................24.2 施工队伍划分...................................................................................34.2 大临工程的分布及总体设计...........................................................34.3 施工用电、施工用水.......................................................................44.4 内业资料...........................................................................................44.5 施工程序...........................................................................................44.6 施工测量体系...................................................................................65 涵洞施工方案...........................................................................................75.1 基坑放样...........................................................................................75.2 基坑施工...........................................................................................75.3 基底处理及验收...............................................................................85.4 涵底碎石垫层换基施工...................................................................85.5 涵洞基础及涵身 C20 片石砼施工..........

1、当您付费下载文档后,您只拥有了使用权限,并不意味着购买了版权,文档只能用于自身使用,不得用于其他商业用途(如 [转卖]进行直接盈利或[编辑后售卖]进行间接盈利)。
2、本站所有内容均由合作方或网友上传,本站不对文档的完整性、权威性及其观点立场正确性做任何保证或承诺!文档内容仅供研究参考,付费前请自行鉴别。
3、如文档内容存在违规,或者侵犯商业秘密、侵犯著作权等,请点击“违规举报”。

碎片内容

余安高速公路望谟至安龙段第7合同段ZK35+220钢筋砼盖板涵实施性施工组织设计

您可能关注的文档

确认删除?
VIP
微信客服
  • 扫码咨询
会员Q群
  • 会员专属群点击这里加入QQ群
客服邮箱
回到顶部