电脑桌面
添加小米粒文库到电脑桌面
安装后可以在桌面快捷访问

《采掘)风险提示卡》规范VIP专享VIP免费

《采掘)风险提示卡》规范_第1页
1/33
《采掘)风险提示卡》规范_第2页
2/33
《采掘)风险提示卡》规范_第3页
3/33
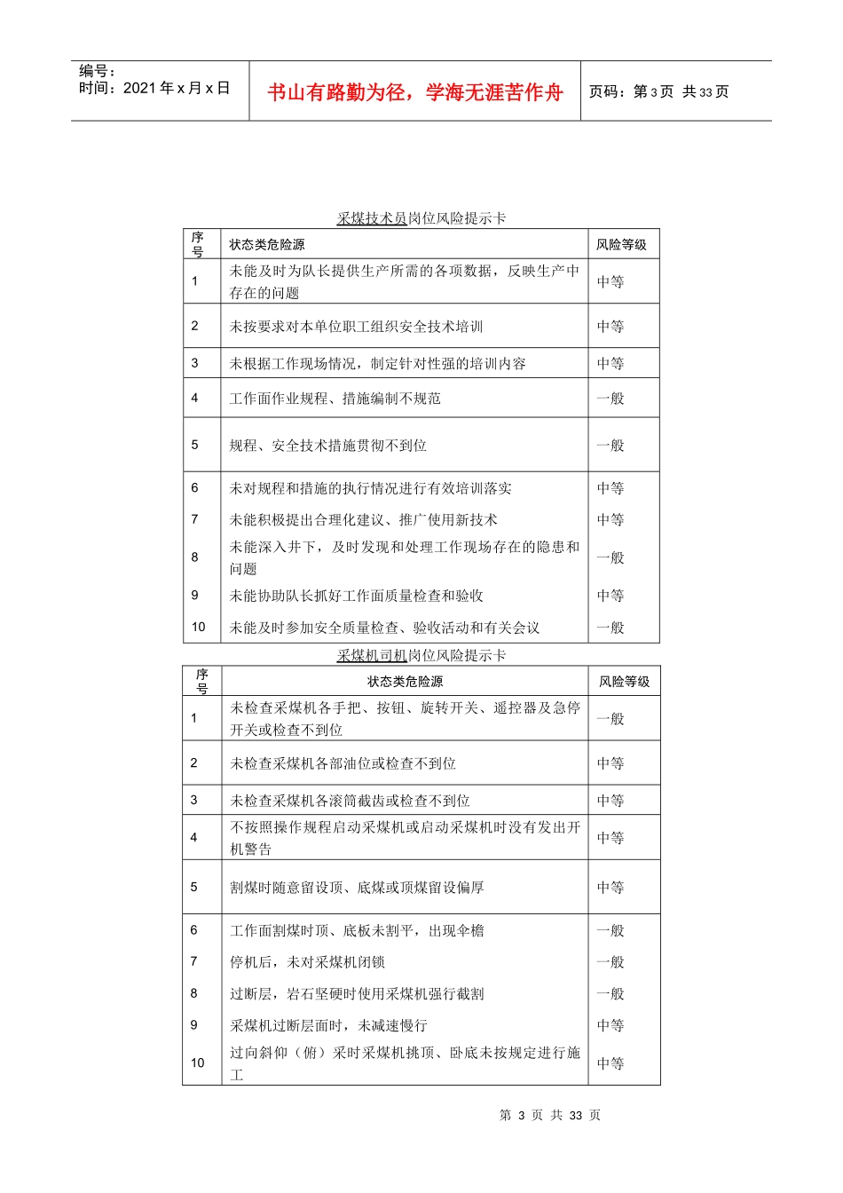
第1页共33页编号:时间:2021年x月x日书山有路勤为径,学海无涯苦作舟页码:第1页共33页风险提示卡规范各单位的风险提示卡应严格按照其辨识录入系统的危险源为基础导出整理而成,做到人手一卡,不应出现“风险提示卡”中有但本安信息系统中没有的情况,统一格式如下:采掘:生产副总经理岗位风险提示卡序号状态类危险源风险等级1未贯彻执行上级有关安全生产法律、法规、方针、政策、安全生产标准及各项规章制度中等2未合理制定安全生产计划中等3安全生产技术措施落实不到位中等4未贯彻落实下井带班制度一般5未落实生产系统风险预控管理工作中等6未落实生产系统安全设施的管理使用工作中等7未及时参加安全办公会议,落实解决生产系统内的安全问题中等8未积极协助总经理组织矿井灾变时的抢救工作中等9未能协助总经理落实党和国家有关安全法律法规,未能协助总经理落实《七条规定》中等10区队书记岗位风险提示卡序号状态类危险源风险等级1党风廉政宣传及党建资料完善等支部日常工作开展不到位一般2“三会一课”工作开展不到位一般3未对队员工培训相关政策、法规及上级文件精神一般4未召集本队党员干部职工进行政治、安全学习一般5未搞好民主管理和队务公开工作一般6未参加班前会,未在班前会上强调各项安全注意事项或强调不到位一般7未严格协助队长按照作业规程、安全技术措施组织施工中等8未组织好现场安全管理中等9未对现场进行危险源辨识中等第2页共33页第1页共33页编号:时间:2021年x月x日书山有路勤为径,学海无涯苦作舟页码:第2页共33页10未严格执行现场交接班制度和队干跟值班制度中等采煤队队长岗位风险提示卡序号状态类危险源风险等级1未能及时参加矿有关安全会议一般2未向职工及时传达相关安全会议及文件精神一般3组织职工进行安全知识学习和安全业务培训不到位中等4未建立或健全区队安全生产等各项制度中等5未定期召开班子会、安全活动会等会议一般6未参加班前会,未在班前会上强调各项安全注意事项或强调不到位中等7未严格按照作业规程、安全技术措施组织施工中等8未组织好现场安全管理中等9未对现场进行危险源辨识或辨识不全面中等10未严格执行现场交接班制度和队干跟值班制度一般采煤队副队长岗位风险提示卡序号状态类危险源风险等级1未能积极配合队长管理区队安全工作一般2没有将区队目标进行班组分解,确定目标实施,责任不明确一般3未检查顶板、巷帮情况或检查不到位中等4未对工作面各种安全防护设施有效性进行检查中等5工作面来压煤壁片帮、顶板脱落未及时安排处理中等6违章指挥中等7未按要求制定、贯彻本队各类生产管理制度中等8现场发生危急情况时,未采取合理措施处置中等9重点部位,重点环节及重点工程未现场指挥施工中等10发现隐患未及时安排整改或整改不彻底中等第3页共33页第2页共33页编号:时间:2021年x月x日书山有路勤为径,学海无涯苦作舟页码:第3页共33页采煤技术员岗位风险提示卡序号状态类危险源风险等级1未能及时为队长提供生产所需的各项数据,反映生产中存在的问题中等2未按要求对本单位职工组织安全技术培训中等3未根据工作现场情况,制定针对性强的培训内容中等4工作面作业规程、措施编制不规范一般5规程、安全技术措施贯彻不到位一般6未对规程和措施的执行情况进行有效培训落实中等7未能积极提出合理化建议、推广使用新技术中等8未能深入井下,及时发现和处理工作现场存在的隐患和问题一般9未能协助队长抓好工作面质量检查和验收中等10未能及时参加安全质量检查、验收活动和有关会议一般采煤机司机岗位风险提示卡序号状态类危险源风险等级1未检查采煤机各手把、按钮、旋转开关、遥控器及急停开关或检查不到位一般2未检查采煤机各部油位或检查不到位中等3未检查采煤机各滚筒截齿或检查不到位中等4不按照操作规程启动采煤机或启动采煤机时没有发出开机警告中等5割煤时随意留设顶、底煤或顶煤留设偏厚中等6工作面割煤时顶、底板未割平,出现伞檐一般7停机后,未对采煤机闭锁一般8过断层,岩石坚硬时使用采煤机强行截割一般9采煤机过断层面时,未减速慢行中等10过向斜仰(俯)采时采煤机挑顶、卧底未按规定进行施工中等第4页共33页第3页共33页编...

1、当您付费下载文档后,您只拥有了使用权限,并不意味着购买了版权,文档只能用于自身使用,不得用于其他商业用途(如 [转卖]进行直接盈利或[编辑后售卖]进行间接盈利)。
2、本站所有内容均由合作方或网友上传,本站不对文档的完整性、权威性及其观点立场正确性做任何保证或承诺!文档内容仅供研究参考,付费前请自行鉴别。
3、如文档内容存在违规,或者侵犯商业秘密、侵犯著作权等,请点击“违规举报”。

碎片内容

《采掘)风险提示卡》规范

确认删除?
VIP
微信客服
  • 扫码咨询
会员Q群
  • 会员专属群点击这里加入QQ群
客服邮箱
回到顶部