电脑桌面
添加小米粒文库到电脑桌面
安装后可以在桌面快捷访问

劳动合同补充VIP免费

劳动合同补充_第1页
1/2
劳动合同补充_第2页
2/2
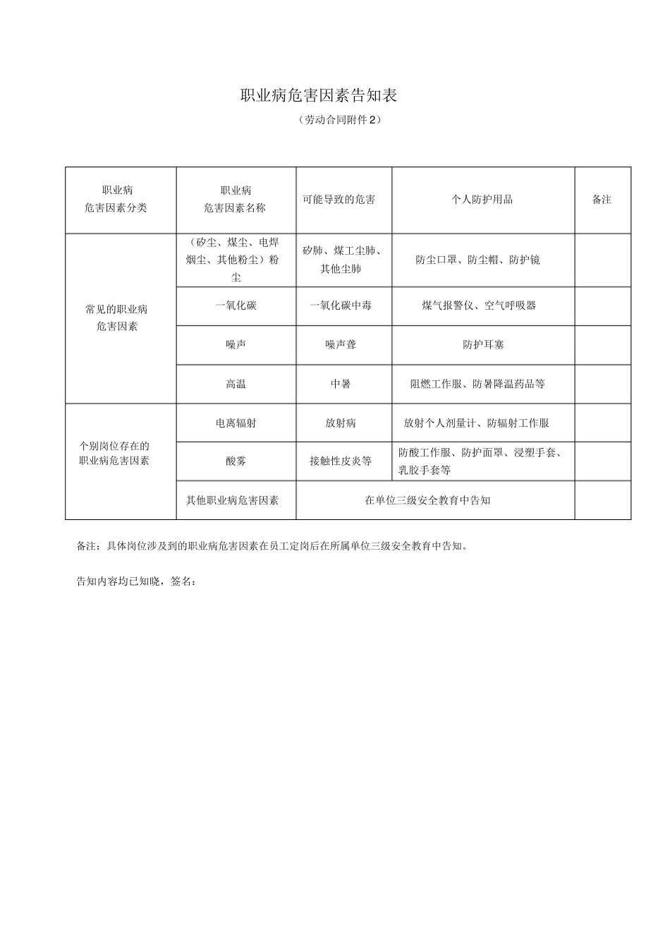
职业病危害因素告知书(劳动合同附件1)依据《中华人民共和国职业病防治法》和有关法律、法规,甲乙双方经平等协商,自愿签订补充约定。一、甲方权利与义务1、负责如实将工作过程中可能产生职业病危害及其后果、防护措施、待遇告知乙方,填写职业病危害因素告知表(见劳动合同附件2)2、负责安排乙方在上岗前、岗中、离岗以及发生急性职业危害事故时不同时期的职业健康检查,并将检查结果如实告知乙方,检查费用由甲方承担。3、负责对乙方进行上岗前和在岗期间职业安全卫生培训,指导乙方正确使用相关职业病防护设备和个人职业病防护用品。4、按照国家规定,使用达标的生产工艺设备、技术、材料,并对乙方工作区域进行职业危害防护,且按规定周期进行职业危害日常监测以及年度检测、评价,将结果在危害岗位中告知。5、不得安排处在孕期、哺乳期的乙方从事对本人和胎儿、婴儿有危害的作业。6、按照《工伤保险条例》相关规定,对因甲方工作环境导致乙方患职业病的,进行救治、补贴。二、乙方权利与义务1、自觉遵守甲方制定的本岗位的相关制度和规定。2、正确使用职业病防护设备和个人职业病防护用品。3、积极参加职业卫生培训。4、定期参加职业病健康体检。5、发现职业病危害隐患事故应及时报告甲方。6、树立自我保护意识,积极配合甲方,避免职业病发生。7、离岗时,应按照规定参加甲方组织的离岗职业健康检查。三、如甲方未按照规定如实向乙方告知,乙方有权拒绝从事职业病危害作业,甲方不得因此解除或者终止与乙方订立的劳动合同。职业病危害因素告知表(劳动合同附件2)职业病危害因素分类常见的职业病危害因素个别岗位存在的职业病危害因素职业病可能导致的危害个人防护用品备注危害因素名称(矽尘、煤尘、电焊矽肺、煤工尘肺、烟尘、其他粉尘)粉防尘口罩、防尘帽、防护镜其他尘肺尘一氧化碳一氧化碳中毒煤气报警仪、空气呼吸器噪声噪声聋防护耳塞高温中暑阻燃工作服、防暑降温药品等电离辐射放射病放射个人剂量计、防辐射工作服酸雾接触性皮炎等防酸工作服、防护面罩、浸塑手套、乳胶手套等其他职业病危害因素在单位三级安全教育中告知备注:具体岗位涉及到的职业病危害因素在员工定岗后在所属单位三级安全教育中告知。告知内容均已知晓,签名:

1、当您付费下载文档后,您只拥有了使用权限,并不意味着购买了版权,文档只能用于自身使用,不得用于其他商业用途(如 [转卖]进行直接盈利或[编辑后售卖]进行间接盈利)。
2、本站所有内容均由合作方或网友上传,本站不对文档的完整性、权威性及其观点立场正确性做任何保证或承诺!文档内容仅供研究参考,付费前请自行鉴别。
3、如文档内容存在违规,或者侵犯商业秘密、侵犯著作权等,请点击“违规举报”。

碎片内容

劳动合同补充

您可能关注的文档

确认删除?
VIP
微信客服
  • 扫码咨询
会员Q群
  • 会员专属群点击这里加入QQ群
客服邮箱
回到顶部