电脑桌面
添加小米粒文库到电脑桌面
安装后可以在桌面快捷访问

KWP2000协议分析及基于CANoe的开发测试VIP免费

KWP2000协议分析及基于CANoe的开发测试_第1页
1/9
KWP2000协议分析及基于CANoe的开发测试_第2页
2/9
KWP2000协议分析及基于CANoe的开发测试_第3页
3/9
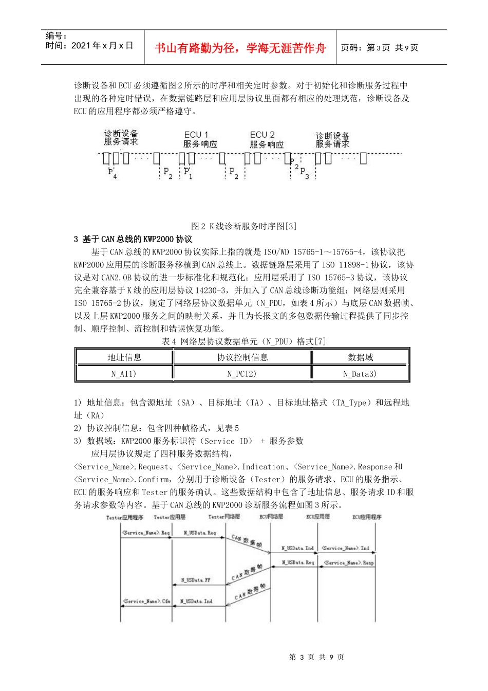
第1页共9页编号:时间:2021年x月x日书山有路勤为径,学海无涯苦作舟页码:第1页共9页KWP2000协议分析及基于CANoe的开发测试摘要:本文介绍了欧洲汽车领域广泛采用的车载诊断协议KWP2000,针对KWP2000诊断服务在K线(ISO14230)和CAN总线(ISO15765)上的两种实现方式,对协议的核心内容和发展历史进行了较为深入的剖析和对比。本文还介绍了采用Matlab/Simulink/StateFlow进行协议开发的一般流程,以及该协议在Vector公司的CANoe软硬件平台上的应用实现和开过程。关键词:KWP2000,K线,CAN总线,开发,CANoe1前言在汽车故障诊断领域,针对诊断设备和汽车ECU之间的数据交换,各大汽车公司几乎都制订了相关的标准和协议。其中,欧洲汽车领域广泛使用的一种车载诊断协议标准是KWP2000(KeywordProtocol2000),该协议实现了一套完整的车载诊断服务,并且满足E-OBD(EuropeanOnBoardDiagnose)标准。KWP2000最初是基于K线的诊断协议,由于K线物理层和数据链路层在网络管理和通讯速率上的局限性,使得K线无法满足日趋复杂的车载诊断网络的需求。而CAN网络(ControllerAreaNetwork)由于其非破坏性的网络仲裁机制、较高的通讯速率(可达1Mbps)和灵活可靠的通讯方式,在车载网络领域广受青睐,越来越多的汽车制造商把CAN总线应用于汽车控制、诊断和通讯。近年来欧洲汽车领域广泛采用了基于CAN总线的KWP2000,即ISO15765协议,而基于K线的KWP2000物理层和数据链路层协议将逐步被淘汰。在网络协议开发和测试应用方面,美国MathWorks公司和德国Vector公司提供了功能强大的开发和测试工具,可分别用于协议栈源码的开发和ECU测试。2基于K线的KWP2000协议基于K线的KWP2000协议标准主要包括ISO/WD14230-1~14230-4,各部分协议与OSI模型的对应关系如表1所示。表1KWP2000协议与OIS模型的对应关系OSI模型基于K线的KWP2000基于CAN总线的KWP2000应用层ISO14230-3ISO15765-3表述层N/AN/A会话层N/AN/A传输层N/AN/A网络层N/AISO15765-2数据链路层ISO14230-2ISO11898-1物理层ISO14230-1,ISO9141-2用户选择第2页共9页第1页共9页编号:时间:2021年x月x日书山有路勤为径,学海无涯苦作舟页码:第2页共9页ISO14230-1规定了KWP2000协议的物理层规范(K线、L线),它在ISO9141-2的基础上把数据交换系统扩展到了24V电压系统。ISO14230-2规定了KWP2000的数据链路层协议,包括报文结构、初始化过程、通讯连接管理、定时参数和错误处理等内容。K线的报文包括报文头、数据域和校验和三部分,其中报文头包含格式字节、目标地址(可选)、源地址(可选)和附加长度信息(可选),如表2所示。表2基于K线的KWP2000报文结构[3]报文头数据域校验和FmtTgt1)Src1)Len1)SId2)..Data2)..CS最长4字节最长255字节1字节1)可选字节,取决于格式字节Fmt的A1A0位2)服务标识符(ServiceID),数据域的第1个字节在开始诊断服务之前,诊断设备必须对ECU进行初始化,通过ECU的响应获取ECU的源地址、通讯波特率、支持的报文头格式、定时参数等信息。ECU所支持的报文头和定时参数信息包含在ECU返回的“关键字(KeyWord)”中(这也是协议命名的由来)。关键字由两个字节构成,如图1所示,关键字的低字节中各位的含义如表3所示。图1关键字格式[3]表3关键字低字节中各位的含义[3]Bit=0=1AL0不支持格式字节中的数据长度信息支持格式字节中的数据长度信息AL1不支持附加长度字节支持附加长度字节HB0不支持一个字节的报文头支持一个字节的报文头HB1不支持在报文头中包含目标地址/源地址支持在报文头中包含目标地址/源地址TP0*)采用正常定时参数设置采用扩展定时参数设置TP1*)采用扩展定时参数设置采用正常定时参数设置*)只允许TP0,TP1=0,1或者1,0诊断设备可以采用两种方式对ECU进行初始化——5Baud初始化和快速初始化,对于这两种初始化的时序在数据链路层协议[3]中均有明确规定。完成初始化过程后,诊断设备和ECU方可进行应用层的诊断服务和响应。ISO14230-3规定了应用层的服务规范,包括诊断管理功能组、数据传输功能组、诊断信息传输功能组、输入/输出控制功能组、远程启动ECU例程功能组、数据上载/下载功能组和扩展功能组。在诊断服务请...

1、当您付费下载文档后,您只拥有了使用权限,并不意味着购买了版权,文档只能用于自身使用,不得用于其他商业用途(如 [转卖]进行直接盈利或[编辑后售卖]进行间接盈利)。
2、本站所有内容均由合作方或网友上传,本站不对文档的完整性、权威性及其观点立场正确性做任何保证或承诺!文档内容仅供研究参考,付费前请自行鉴别。
3、如文档内容存在违规,或者侵犯商业秘密、侵犯著作权等,请点击“违规举报”。

碎片内容

KWP2000协议分析及基于CANoe的开发测试

您可能关注的文档

确认删除?
VIP
微信客服
  • 扫码咨询
会员Q群
  • 会员专属群点击这里加入QQ群
客服邮箱
回到顶部