电脑桌面
添加小米粒文库到电脑桌面
安装后可以在桌面快捷访问

QAD仓库操作流程VIP免费

QAD仓库操作流程_第1页
1/33
QAD仓库操作流程_第2页
2/33
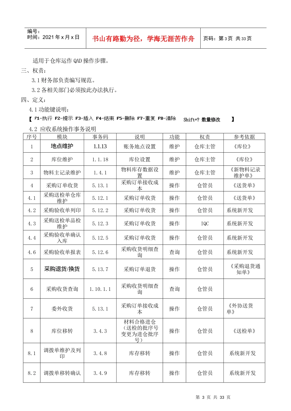
QAD仓库操作流程_第3页
3/33
第1页共33页编号:时间:2021年x月x日书山有路勤为径,学海无涯苦作舟页码:第1页共33页项次內容页次1目录12修定履历23目的34适用范围35权责36定义37内容3-48相关文件49使用表单410附件4批准审核拟制邱明霞第2页共33页第1页共33页编号:时间:2021年x月x日书山有路勤为径,学海无涯苦作舟页码:第2页共33页****修订履历****一、目的:为明确规范系统中仓库运作的操作步骤二、适用范围:版别修订日期变更頁次更改内容A-1新版发行第3页共33页第2页共33页编号:时间:2021年x月x日书山有路勤为径,学海无涯苦作舟页码:第3页共33页适用于仓库运作QAD操作步骤。三、权责:3.1财务部负责编写规范。3.2各相关部门必须按此办法执行。四、定义:4.1功能键说明:【Shift+?数量修改】4.2应收系统操作事务说明序号模块事务码说明功能权责参考依据1地点维护1.1.13账务地点设置维护仓库主管《库位》2库位维护1.1.18库位设置维护仓库主管《库位》3物料主记录维护1.4.1物料库存数据设置维护仓库主管《新物料记录维护单》4采购订单收货5.13.1采购订单接收成本操作仓管员《送货单》4.1采购送检单仓库维护5.12.1采购订单收货操作仓管员《送货单》4.2采购验收单列印5.12.2采购订单收货操作仓管员系统新开发4.3采购送检单品检维护5.12.3采购订单收货操作IQC系统新开发4.4采购验收单确认入库5.12.5采购订单收货操作仓管员系统新开发4.6采购验收单报表5.12.6采购收货明细查询查询仓管员系统新开发5采购退货/换货5.13.7采购订单退货操作仓管员《采购退货通知单》6采购收货查询1.10.1.1采购收货明细查询查询仓管员7委外收货5.13.1采购订单接收成本操作仓管员《外协送货单》8库位移转3.4.3材料合格进仓(送检的批序号变更为进仓批序号)操作仓管员《送检单》8.1调拨单维护及列印3.4.8库存移转操作仓管员系统新开发8.2调拨单移转确认3.4.9库存移转操作仓管员系统新开发第4页共33页第3页共33页编号:时间:2021年x月x日书山有路勤为径,学海无涯苦作舟页码:第4页共33页8.3调拨单移转报表查询3.4.10库存移转查询仓管员系统新开发9加工单组件发放16.10工单发料操作仓管员《工单》《领料单》9.1工单批量调拨线边仓列印16.20.19工单物料调拨操作生管员系统新开发9.2工单按流水号移转线边仓维护16.20.1工单物料调拨操作仓管员系统新开发9.3工单领料消耗批量发放16.20.18工单发料操作仓管员系统新开发10库位移转3.4.1多发的物料移转到线边仓操作仓管员《借条》11加工单退料16.10工单退料(工单发负数)操作仓管员《退料单》12加工单发料查询16.3.3工单发料状况查询查询仓管员13加工单入库16.11产成品合格入库操作仓管员《进仓单》13.1工单入库维护16.20.11产成品合格入库操作品管/生产系统新开发13.2工单入库列印16.20.12产成品合格入库操作品管/生产系统新开发13.3工单入库报表16.20.10产成品合格入库操作仓管员系统新开发14加工单入库查询16.3.1工单入库明细查询查询仓管员15销售订单发放7.9.15销售出库操作仓管员《发货通知单》16销售订单退货7.9.15销售出库负数操作仓管员《退货检验通知单》15.1销售出库3.6.11查询仓管员系统新开发17销售出库查询7.15.37.15.19销售出库明细查询(发货事务查询)查询仓管员18计划外入库3.9非采购订单及工单入库的物料进仓操作仓管员19计划外出库3.7非工单及销售订单的出库操作仓管员18.1计划外出入库维护3.6.22非工单及销售订单进出仓操作相关部门系统新开发18.2计划外出入库列印3.6.23非工单及销售订单进出仓操作相关部门系统新开发第5页共33页第4页共33页12编号:时间:2021年x月x日书山有路勤为径,学海无涯苦作舟页码:第5页共33页18.3计划外出入库确认3.6.24非工单及销售订单进出仓操作仓管员系统新开发20周期盘点3.13每月盘点盘点表操作仓管员21盘点结果录入3.14盘点差异调帐操作仓库主管22库存明细报表3.6.5库存查询查询仓管员23当前多余库存报表3.6.8呆料报表查询仓管员24未结工单明细查询16.3.1加工单入库查询查询仓管员25寄售仓库存查询7.18.4.1库存查询查询仓管员26表单打印5.13.18各表单打印操作仓管员27出入库明细查询3.6.19出入库帐务明细查询仓管员28事...

1、当您付费下载文档后,您只拥有了使用权限,并不意味着购买了版权,文档只能用于自身使用,不得用于其他商业用途(如 [转卖]进行直接盈利或[编辑后售卖]进行间接盈利)。
2、本站所有内容均由合作方或网友上传,本站不对文档的完整性、权威性及其观点立场正确性做任何保证或承诺!文档内容仅供研究参考,付费前请自行鉴别。
3、如文档内容存在违规,或者侵犯商业秘密、侵犯著作权等,请点击“违规举报”。

碎片内容

QAD仓库操作流程

您可能关注的文档

确认删除?
VIP
微信客服
  • 扫码咨询
会员Q群
  • 会员专属群点击这里加入QQ群
客服邮箱
回到顶部