电脑桌面
添加小米粒文库到电脑桌面
安装后可以在桌面快捷访问

FSC管理手册_D版VIP免费

FSC管理手册_D版_第1页
1/53
FSC管理手册_D版_第2页
2/53
FSC管理手册_D版_第3页
3/53
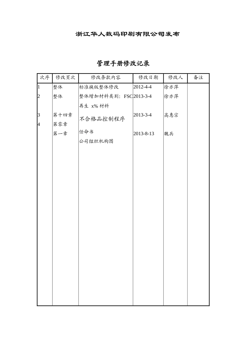
浙江华人数码印刷有限公司ZhejiangCCAVDigitalPrintingCo.,Ltd.CCAVP-FSC-01CCAVP-FSC-01FSCFSC管理手册管理手册ChainofCustodyChainofCustody((COCCOC))产销监管链要求产销监管链要求第第DD版版编制人:编制人:李红容李红容审核人:审核人:魏兵魏兵批准人:批准人:使用部门:使用部门:分发号:分发号:受控状态受控状态::20132013年年0808月月1313日发布日发布20132013年年0808月月1313日实施日实施浙江华人数码印刷有限公司发布浙江华人数码印刷有限公司发布管理手册修改记录次序修改页次修改条款内容修改日期修改人备注1234整体整体第十四章第零章第一章标准换版整体修改整体增加材料类别:FSC再生x%材料不合格品控制程序任命书公司组织机构图2012-4-42013-3-42013-3-42013-8-13徐亦萍徐亦萍高惠宗魏兵管理手册目录第零章:(0.0)颁布令和任命书第4页(0.1)手册管理第5页(0.2)公司管理方针第6-7页第一章:(1.0)公司简介第8页(1.1)公司组织机构图第9页(1.2)认证体系的范围第9—10页第二章:引用标准第10页第三章:COC管理体系职责第11—12页第四章:文件控制程序第13—14页第五章:记录控制程序第15—16页第六章:培训控制程序第17—18页第七章:材料来源控制程序第19页第八章:采购控制程序第21—22页第九章:仓库控制程序第23—24页第十章:产品标识和可追溯性控制程序第25—26页第十一章:生产过程控制程序第26—27页第十二章:销售控制程序第28—29页第十三章:FSC标签使用控制程序第30—31页第十四章:不合格品控制程序第32页附件1:生产工艺流程图第33页附件2:FSC关键控制点CCPS第34页附件3:FSC部分术语解释第35页附件4:声明第36页第0章:管理准则0.0颁布令和任命书(一)颁布令本公司依据COC管理体系要求编制成管理手册,现予批准,颁布实施。本管理手册是公司COC管理体系的法规性文件,是指导公司建立并实施管理体系的纲领和行动准则。公司全体员工必须遵照执行。(二)任命书为贯彻执行COC管理体系要求,加强管理体系运作的领导,特任命公司总经理助理魏兵同志为本公司管理者代表。管理者代表职责如下:1.确保COC管理体系过程得到建立、实施和保持;2.向最高管理者报告COC管理体系业绩,包括改进需求;3.确保在整个组织内提高对FSC的认识;4.就COC管理体系有关事宜对外联络。任命以下人员为各部门FSC体系负责人:1、任命范斌为生产部FSC体系负责人;2、任命李竟为营业部资材课FSC体系负责人;3、任命马丽娟为营业部资材课FSC体系负责人;4、任命李红容为人事行政部FSC体系负责人;5、任命刘红莉为品保部FSC体系负责人;总经理日期2013-8-130.1手册管理1.1本公司手册是依据COC管理体系要求而建立的,是本公司基本纲领和行为准则。1.2本手册由人事行政部负责编制,管理者代表审核,经总经理批准后,由人事行政部负责发放和控制,并由人事行政部负责保存手册原件及分发记录。1.3本手册经总经理批准发布后即生效,发放分“受控”、和“非受控”。1.4本手册“受控”本的发放为公司范围内和认证机构的发放。若有顾客或其他原因需用,则由管理者代表核准后,注明“非受控”后发放。1.5本手册的修改经总经理核准后由人事行政部负责修改,管理者代表审核,并经总经理批准后发放。1.6本手册的修改以修改页的形式出现,由人事行政部从“受控”手册中将已作废的页次收回并销毁。如有必要,保留一份底稿盖上“作废”标识。对“非受控”手册不予跟踪。人事行政部做好修改文件的发放登记工作。1.7本手册是本公司的财产。未经管理者代表的同意,任何人不得全部或部分复制。1.8本手册的解释权归属管理者代表。0.2公司管理方针为实现持续改进、并使产销监管链体系过程符合FSC-STD-40-004(v2.0)标准要求,公司确定了经营方针、经营目标,并做出公开承诺:(1)FSC经营方针:合理利用和维护资源,坚持可持续经营;(2)FSC经营目标:逐步提高FSC产品的利用和销售比例;(3)公开承诺:本公司将严格执行本手册规定,并做出以下承诺;致力于提高FSC认证材料和认证产品的使用,贯彻FSC的要求,公司声明不直接或间接从事以下活动:a.进行木材和林产品非法采伐和贸易...

1、当您付费下载文档后,您只拥有了使用权限,并不意味着购买了版权,文档只能用于自身使用,不得用于其他商业用途(如 [转卖]进行直接盈利或[编辑后售卖]进行间接盈利)。
2、本站所有内容均由合作方或网友上传,本站不对文档的完整性、权威性及其观点立场正确性做任何保证或承诺!文档内容仅供研究参考,付费前请自行鉴别。
3、如文档内容存在违规,或者侵犯商业秘密、侵犯著作权等,请点击“违规举报”。

碎片内容

FSC管理手册_D版

确认删除?
VIP
微信客服
  • 扫码咨询
会员Q群
  • 会员专属群点击这里加入QQ群
客服邮箱
回到顶部