电脑桌面
添加小米粒文库到电脑桌面
安装后可以在桌面快捷访问

住宅项目实测实量管理VIP免费

住宅项目实测实量管理_第1页
1/34
住宅项目实测实量管理_第2页
2/34
住宅项目实测实量管理_第3页
3/34
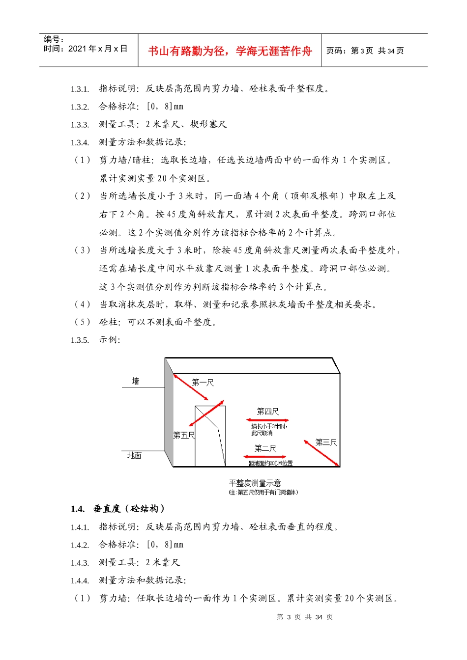
第1页共34页编号:时间:2021年x月x日书山有路勤为径,学海无涯苦作舟页码:第1页共34页精益管理之住宅实测实量管理一、编制目的:加强项目现场施工质量管理,做好过程管控。二、适用范围:适用于XX所有项目。三、检查小组成员:实测人员:统计人员:四、检查安排:五、检查流程:确定检查标段、楼栋、楼层→对现场进行测量并按实测数据填写表格→数据汇总并计算偏差及合格率→形成实测实量检查报告→将报告通过邮件发送至项目经理、主管工程师并抄送工程管理部领导六、测量工具:靠尺、塞尺、激光测距仪、阴阳角测尺、红外线水平仪、塔尺、卷尺。七、评价标准:1、和好:合格率90%以上;2、较好:合格率80%-90%;3、不予评价:合格率70%-80%;4、需加强管控:合格率70%以下。八.实测实量操作:1.混凝土结构工程1.1.基本原则1.1.1.项目处于结构施工阶段,同一标段内根据各楼栋进度,在实测前随机确第2页共34页第1页共34页编号:时间:2021年x月x日书山有路勤为径,学海无涯苦作舟页码:第2页共34页定已拆完模板的2个楼层作为混凝土结构工程的实测层。1.1.2.根据选取楼层结构平面图,实测实量选点考虑每层结构4个角和中间砼剪力墙、柱。当实测砼结构的截面尺寸、表面平整度、垂直度时,每个实测层一般选取10个实测区。1.1.3.当实测同一楼层内顶板水平极差时,每个实测层一般选取5个实测区。每个实测区实测5个点,5个点极差作为1个计算点。1.2.截面尺寸偏差(砼结构)1.2.1.指标说明:反映层高范围内剪力墙、砼柱施工尺寸与设计图尺寸的偏差。1.2.2.合格标准:截面尺寸偏差[-5,8]mm1.2.3.测量工具:5m钢卷尺1.2.4.测量方法和数据记录:(1)以钢卷尺测量同一面墙/柱截面尺寸,精确至毫米。(2)同一墙/柱面作为1个实测区,每个实测区从地面向上300mm和1500mm各测量截面尺寸1次,选取其中与设计尺寸偏差最大的数,作为判断该实测指标合格率的1个计算点。1.2.5.示例1.3.表面平整度(砼结构)第3页共34页第2页共34页编号:时间:2021年x月x日书山有路勤为径,学海无涯苦作舟页码:第3页共34页1.3.1.指标说明:反映层高范围内剪力墙、砼柱表面平整程度。1.3.2.合格标准:[0,8]mm1.3.3.测量工具:2米靠尺、楔形塞尺1.3.4.测量方法和数据记录:(1)剪力墙/暗柱:选取长边墙,任选长边墙两面中的一面作为1个实测区。累计实测实量20个实测区。(2)当所选墙长度小于3米时,同一面墙4个角(顶部及根部)中取左上及右下2个角。按45度角斜放靠尺,累计测2次表面平整度。跨洞口部位必测。这2个实测值分别作为该指标合格率的2个计算点。(3)当所选墙长度大于3米时,除按45度角斜放靠尺测量两次表面平整度外,还需在墙长度中间水平放靠尺测量1次表面平整度。跨洞口部位必测。这3个实测值分别作为判断该指标合格率的3个计算点。(4)当取消抹灰层时,取样、测量和记录参照抹灰墙面平整度相关要求。(5)砼柱:可以不测表面平整度。1.3.5.示例:1.4.垂直度(砼结构)1.4.1.指标说明:反映层高范围内剪力墙、砼柱表面垂直的程度。1.4.2.合格标准:[0,8]mm1.4.3.测量工具:2米靠尺1.4.4.测量方法和数据记录:(1)剪力墙:任取长边墙的一面作为1个实测区。累计实测实量20个实测区。第4页共34页第3页共34页编号:时间:2021年x月x日书山有路勤为径,学海无涯苦作舟页码:第4页共34页(2)当墙长度小于3米时,同一面墙距两端头竖向阴阳角约30cm位置,分别按以下原则实测2次:一是靠尺顶端接触到上部砼顶板位置时测1次垂直度,二是靠尺底端接触到下部地面位置时测1次垂直度。砼墙体洞口一侧为垂直度必测部位。这2个实测值分别作为判断该实测指标合格率的2个计算点。(3)当墙长度大于3米时,同一面墙距两端头竖向阴阳角约30cm和墙中间位置,分别按以下原则实测3次:一是靠尺顶端接触到上部砼顶板位置时测1次垂直度,二是靠尺底端接触到下部地面位置时测1次垂直度,三是在墙长度中间位置靠尺基本在高度方向居中时测1次垂直度。砼墙体洞口一侧为垂直度必测部位。这3个实测值分别作为判断该实测指标合格率的3个计算点。(4)砼柱:任选砼柱四面中的两面,分别将靠尺顶端接触到上部砼顶板和下部地面位时各...

1、当您付费下载文档后,您只拥有了使用权限,并不意味着购买了版权,文档只能用于自身使用,不得用于其他商业用途(如 [转卖]进行直接盈利或[编辑后售卖]进行间接盈利)。
2、本站所有内容均由合作方或网友上传,本站不对文档的完整性、权威性及其观点立场正确性做任何保证或承诺!文档内容仅供研究参考,付费前请自行鉴别。
3、如文档内容存在违规,或者侵犯商业秘密、侵犯著作权等,请点击“违规举报”。

碎片内容

住宅项目实测实量管理

您可能关注的文档

确认删除?
VIP
微信客服
  • 扫码咨询
会员Q群
  • 会员专属群点击这里加入QQ群
客服邮箱
回到顶部