电脑桌面
添加小米粒文库到电脑桌面
安装后可以在桌面快捷访问

马鞍山市第二中学实验班招生物理素质测试题及答案VIP免费

马鞍山市第二中学实验班招生物理素质测试题及答案_第1页
1/9
马鞍山市第二中学实验班招生物理素质测试题及答案_第2页
2/9
马鞍山市第二中学实验班招生物理素质测试题及答案_第3页
3/9
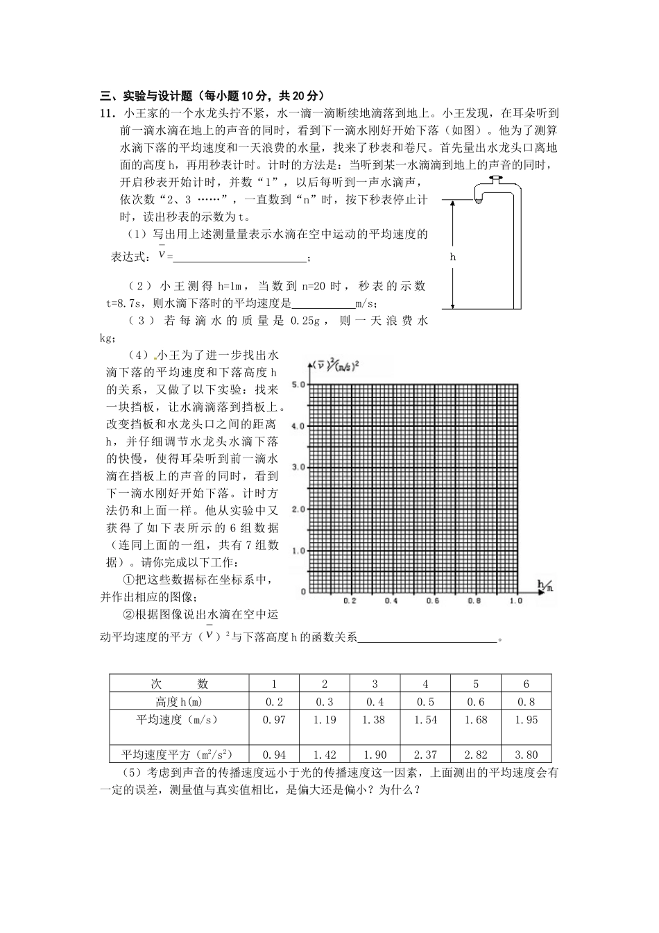
(本卷共6页,满分120分,答题时间120分钟)题号一二三四总分得分一、填空题(每小题4分,共20分)1.我国北京正负电子对撞机的储存环是周长为240m的近似圆形轨道,当环中的电流是10mA时(设电子的速度是3×107m/s),在整个环中运行的电子数目为个。(已知电子电荷量e=1.6×10-19C,结果保留1位有效数字)2.匀速前进的队伍长为a,一名通信员从队尾速跑到队首再回到队尾,通信员往返的过程中,如果队伍走过的路程为a,通信员走过的路程是。3.如图,一束光线HG从一个实心玻璃球的左面G点处射入,从实心玻璃球的右面射出。现在右图中画出了几条折射光线,能正确表示折射光线路径的是。(从入射线开始连续填写线段字母)4.机械手表中的分针与秒针可视为匀速转动,分针与秒针从重合到第二次重合,中间经历的时间为秒。5.如图所示是一个电热器电路。指示灯A、开关S、电热丝B构成一个串联回路,接在电源上发现该电路有一个元件断路,有一个元件短路,但不知道是哪个元件上有故障。今用一个校验电灯泡两端分别接在以下各处进行检测,得到如下表所示的结果。校验次序123456校验接入点a、fa、bc、de、fa、dc、f发光情况正常发光不发光发光、但不正常不发光发光、但不正常正常发光由以上检测可知:断路;短路。二、选择题(每小题所给出的四个选项中只有一个是正确的,多选、错选均不得分。每小题4分,共20分)6.炎热的夏天,当你走在晒得发烫的柏油路上时,刚好来了一辆洒水车,洒湿了路面。这时你会感到更加闷热,产生这种感觉的主要原因是()A.洒水车中的水经过曝晒,内能增加,温度很高B.水蒸发时把地面上的热带到了人的身上C.地面上的水反射了阳光,使身体得到更多的热量D.洒水后空气的湿度增加,身上的汗水较难蒸发7.如图所示是激光液面控制仪的原理:固定的一束激光AO以入射角a照射到水平液面上,反射光OB射到水平放置的光屏上,屏上用光电管将光讯号转换为电讯号,电讯号输入控制系统来控制液面的高度,若发现光点在屏上向右移动了l的距离,射到B´点,则液面的高度变化是()A.液面升高B.液面升高C.液面升高D.液面升高8.如图所示,A、B是质量均为m的两条形磁铁,置于特制台秤的托盘上,忽略台秤与磁铁间的磁力作用,平衡时B对A的支持力为F1,台秤的示数为F2,它们的大小关系是()A.F1=mg,F2=2mgB.F1>mg,F2>2mgC.F1>mg,F2=2mgD.F1>mg,F2=mg9.标有“6V,0.8W”和“6V,1.2W”的灯泡共5只,全部接到12V的电源上,若电路中没有其它元件,它们都能正常发光,那么,5只灯泡的连接方法和电源的输出功率为()A.3只“6V,0.8W”和2只“6V,1.2W”的灯泡分别并联,然后串联,4.8WB.2只“6V,0.8W”和3只“6V,1.2W”的灯泡分别并联,然后串联,5.2WC.1只“6V,0.8W”和4只“6V,1.2W”的灯泡分别并联,然后串联,5.6WD.4只“6V,0.8W”和1只“6V,1.2W”的灯泡分别并联,然后串联,4.4W10.如图是潜望镜的示意图,观察者通过该潜望镜看到的物体的像的情况是()A.同实际物体的上下、左右关系都是相反的B.同实际物体的上下、左右关系都是一致的C.同实际物体的上下关系是一致的,而左右关系是相反的D.同实际物体的上下关系是相反的,而左右关系是一致的三、实验与设计题(每小题10分,共20分)11.小王家的一个水龙头拧不紧,水一滴一滴断续地滴落到地上。小王发现,在耳朵听到前一滴水滴在地上的声音的同时,看到下一滴水刚好开始下落(如图)。他为了测算水滴下落的平均速度和一天浪费的水量,找来了秒表和卷尺。首先量出水龙头口离地面的高度h,再用秒表计时。计时的方法是:当听到某一水滴滴到地上的声音的同时,开启秒表开始计时,并数“1”,以后每听到一声水滴声,依次数“2、3……”,一直数到“n”时,按下秒表停止计时,读出秒表的示数为t。(1)写出用上述测量量表示水滴在空中运动的平均速度的表达式:=;(2)小王测得h=1m,当数到n=20时,秒表的示数t=8.7s,则水滴下落时的平均速度是m/s;(3)若每滴水的质量是0.25g,则一天浪费水kg;(4)小王为了进一步找出水滴下落的平均速度和下落高度h的关系,又做了以下实验:找来一块挡板,让水...

1、当您付费下载文档后,您只拥有了使用权限,并不意味着购买了版权,文档只能用于自身使用,不得用于其他商业用途(如 [转卖]进行直接盈利或[编辑后售卖]进行间接盈利)。
2、本站所有内容均由合作方或网友上传,本站不对文档的完整性、权威性及其观点立场正确性做任何保证或承诺!文档内容仅供研究参考,付费前请自行鉴别。
3、如文档内容存在违规,或者侵犯商业秘密、侵犯著作权等,请点击“违规举报”。

碎片内容

马鞍山市第二中学实验班招生物理素质测试题及答案

文章天下+ 关注
实名认证
内容提供者

各种文档应有尽有

相关文档

确认删除?
VIP
微信客服
  • 扫码咨询
会员Q群
  • 会员专属群点击这里加入QQ群
客服邮箱
回到顶部