电脑桌面
添加小米粒文库到电脑桌面
安装后可以在桌面快捷访问

供应商管理程序(1)VIP免费

供应商管理程序(1)_第1页
1/38
供应商管理程序(1)_第2页
2/38
供应商管理程序(1)_第3页
3/38
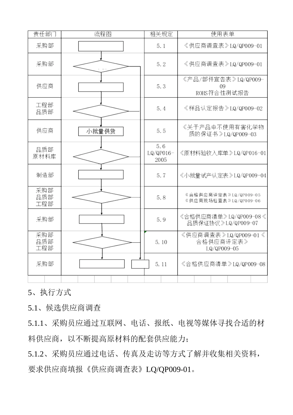
XXX电器有限公司LQ/QP009-2009供应商管理程序1、目的加强供应商管理过程的控制,确保新开发的供应商的供货能力能够满足要求,为开发新供应商和对合格供应商进行复评作业提供指导。2、适用范围适用于原物料供应商开发和复评管理过程。3、名词定义3.1、合格供应商:经过我司评估,具备向立奇公司供货资格的物料生产商和经销商。4、流程5、执行方式5.1、候选供应商调查5.1.1、采购员应通过互联网、电话、报纸、电视等媒体寻找合适的材料供应商,以不断提高原材料的配套供应能力;5.1.2、采购员应通过电话、传真及走访等方式了解并收集相关资料,要求供应商填报《供应商调查表》LQ/QP009-01。5.2、初评5.2.1、采购部长应根据调查收集的资料对候选供应商进行行初步评估;5.2.2、初评合格的供应商将被通知准备送样,不合格则直接淘汰。5.3、送样初评合格的供应商应按照采购部的要求及时送样,送样时应同时提交样品的检验报告、图纸、规格书、材质报告;有ROHS指令要求的产品,供应商还应提交有害物质的含量测试报告。5.4、样品认定5.4.1、采购员收到样品后应填写《样品认定报告》LQ/QP009-02通知品质部IQC;5.4.2、IQC应按照图纸和规格书的要求对样品进行检验和验证并将结果填写在《样品认定报告》LQ/QP009-02上;5.4.3、采购部应组织技术部主管工程师及品质部质量工程师对样品进行认定;5.4.4、样品认定不合格的供应商将被淘汰。5.5、小批量供货5.5.1、采购部可以向样品认定合格的供应商小批量订货,订货作业应符合《采购控制程序》LQ/QP017-2009的规定;5.5.2、供应商应在送货单和产品标识上注明“小批量”字样,以便跟踪控制;5.5.3、有ROHS指令要求的产品,供应商应同步提交产品的《产品中不使用有害化学物质的保证书》LQ/QP009-03;5.6、验收5.6.1、品质部IQC和原材料库按照《原材料验收控制程序》LQ/QP016-2009的规定执行验收入库,IQC应随机抽样送FREROHS符合性测试中心进行有害物质含量测试。5.6.2、对交验不合格的供应商将被淘汰。5.7、小批量试生产5.7.1、采购部应开立《小批量试产认定表》LQ/QP009-04通知相应的制造部组织试用;5.7.2、制造部应对小批量试用的原物料进行跟踪管理,并将使用情况和建议填写在《小批量试产认定表》LQ/QP009-04上返回采购部。5.8、供应商评定5.8.1、采购部应组织品质部、技术部、生产部根据供应商的资料和样品认定报告及试产情况及对供应商进行认定,认定情况及结果填写在《合格供应商评定表》LQ/QP009-05上;5.8.2、采购部应协同品质部对供应商ROHS体系进行现场审核,对供应商ROHS风险控制水平作出评估认定,对风险高的供应商应予以淘汰,现场评估由具有ROHS体系内审员资格的人员担任,检查表参考内审检查表ROHS体系部分。5.8.3、提供A类原物料的供应商,品质部和技术部认为必要时,采购部应安排对供应商QMS进行现场检查,根据现场检查的结果进行评定,检查情况及评定结论记录在《供应商现场检查表》LQ/QP009-06上;5.8.4、适当时,采购部协同行政部对供应商进行社会责任评估;5.8.5、供应商根据评定情况分为A、B、C、D四个等级,评定为D的供应商则作为不合格供应商淘汰。5.9、列为合格供应商经评定为A、B、C级的供应商,采购部应列入《合格供应商名录》LQ/QP009-08,并根据A级优先,B级次之,C级备用的原则适当分配订单额度。5.10、供应商复评5.10.1、合格供应商符合下列条件之一时应接受我司的复评:5.10.1.1、评定一年以后;5.10.1.2、连续供货3批质量不合格且纠正措施无效者;5.10.2、复评方法:5.10.2.1、交验批次不合格率+交验逾期率x(交验批次不合格率+交验逾期率)=不合格批数+逾期批数交验总批数x%〉4040~3030~2020~1010~5〈5得分510152030405.10.2.2、价格:以本公司确定的标准价(采购部应根据同类物料的市场均价确定)为对比,未定标准者以同类物料的其他供应商的价格为对比。比较结果低于10%低于5%相同高于5%高于10%高于15%得分4035302515105.10.2.3、供应商调查根据供应商提供的资料对供应商能力作出评估,满分为20分。5.10.2.4、现场检查必要时,采购部应组织品质部、技术部对供应商进行现场检查,检查情况应记入《供应商现场检...

1、当您付费下载文档后,您只拥有了使用权限,并不意味着购买了版权,文档只能用于自身使用,不得用于其他商业用途(如 [转卖]进行直接盈利或[编辑后售卖]进行间接盈利)。
2、本站所有内容均由合作方或网友上传,本站不对文档的完整性、权威性及其观点立场正确性做任何保证或承诺!文档内容仅供研究参考,付费前请自行鉴别。
3、如文档内容存在违规,或者侵犯商业秘密、侵犯著作权等,请点击“违规举报”。

碎片内容

供应商管理程序(1)

您可能关注的文档

确认删除?
VIP
微信客服
  • 扫码咨询
会员Q群
  • 会员专属群点击这里加入QQ群
客服邮箱
回到顶部