电脑桌面
添加小米粒文库到电脑桌面
安装后可以在桌面快捷访问

办公及商业楼监理实施细则(冬施)VIP免费

办公及商业楼监理实施细则(冬施)_第1页
1/12
办公及商业楼监理实施细则(冬施)_第2页
2/12
办公及商业楼监理实施细则(冬施)_第3页
3/12
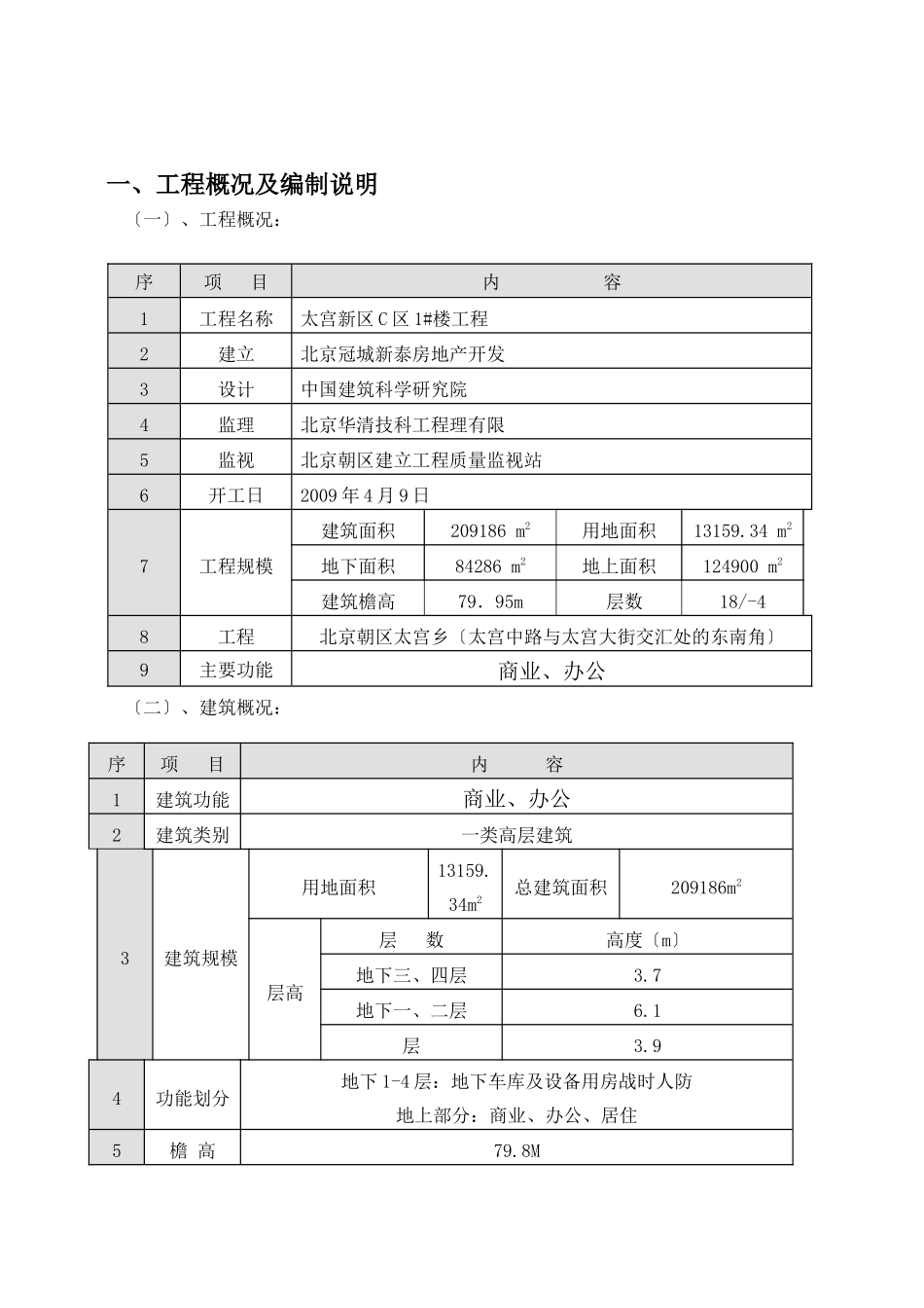
C区1#楼〔办公及商业〕监理施行细那么〔冬施〕编制人:审批人:北京华清技科工程理年月目录一、工程概况及编制说明..........................................2二、冬季施工模板工程施工质量监理施行细那么......................2〔一〕模板工程质量验评........................................2三、冬季施工钢筋工程施工质量监理施行细那么......................3钢筋工程质量验评..............................................3四、混凝土工程施工质量监理细那么................................4混凝土工程质量验评............................................4五、冬季施工建筑防水工程施工质量监理施行细那么..................9建筑防水工程施工质量验评......................................9一、工程概况及编制说明〔一〕、工程概况:序项目内容1工程名称太宫新区C区1#楼工程2建立北京冠城新泰房地产开发3设计中国建筑科学研究院4监理北京华清技科工程理有限5监视北京朝区建立工程质量监视站6开工日2009年4月9日7工程规模建筑面积209186m2用地面积13159.34m2地下面积84286m2地上面积124900m2建筑檐高79.95m层数18/-48工程北京朝区太宫乡〔太宫中路与太宫大街交汇处的东南角〕9主要功能商业、办公〔二〕、建筑概况:序项目内容1建筑功能商业、办公2建筑类别一类高层建筑3建筑规模用地面积13159.34m2总建筑面积209186m2层高层数高度〔m〕地下三、四层3.7地下一、二层6.1层3.94功能划分地下1-4层:地下车库及设备用房战时人防地上部分:商业、办公、居住5檐高79.8M6根底埋深-20.95m7建筑物尺寸地下部分167150m×173500m地上部分159600m×152600m8建筑消防耐火等级耐火等级:一级9屋面细石混凝土、水泥、地砖、砂浆楼面10楼面磨光微晶石楼面玻化砖楼面防滑地砖楼面抗静电活动地板防静电网络地板水泥楼面〔包括带防水层〕细石混凝土防水楼面水泥隔声地面细混凝土耐磨地面11踢脚水泥踢脚花岗石踢脚、地砖踢脚花岗岩踢脚12台阶条纹花岗石板贴面台阶13内墙面涂料墙面、水泥砂浆墙面耐水腻子墙面矿棉吸声板墙面、14顶棚、吊顶矿棉吸声板、铝条板、石膏板吊顶、硅酸钙吊顶铝方格栅吊顶、15门窗木门防火门、人防门16建筑防水SBS防水卷材、水泥基浸透结晶防水涂料17回填土室外外墙800mm范围内2:8灰土夯实其余素土室内素土夯实〔三〕、构造概况序项目内容1构造形式式地下为框架-剪力墙构造地上为框架构造2抗震等级抗震设防类别抗震设防裂度抗震等级构造平安设计基准丙8°框架为一级、剪力墙为三级二级50年3人防等级6级4混凝土强度等级部位混凝土强度等级根底垫层/根底C15/C35S10梁板、楼梯C35S10/C35墙C35S10、C35、C40框架柱C45、C50、C605钢筋接头形式根底梁、框架梁、框架柱的纵向钢筋和受力钢筋直径≥16mm时采用机械连接6钢筋类别HPB235级、HRB335级、HRB400级〔四〕编制说明;序名称编1?混凝土外加剂应用技术?GB50119-20032?商品混凝土质量理规程?DBJ01-6-993?混凝土冬施工技术?JGJ104-974?钢筋机械连接通用技术规程?JGJ107-20035?混凝土构造工程施工及验收?GB50204-20026?组合钢模板技术?GB50214---20017?建筑施工现场环境与卫生?JGJ46-20058?普通低碳钢热轧圆盘条?GB/T701-19979?建筑工程资料理规程?DBJ01-51-200310?建筑施工扣件式钢脚手架平安技术?JGJ130-200111?建筑给水排水及采暖工程施工质量验收?GB50242-200212?通风与空调工程施工质量验收?GB50243-2002二、冬季施工模板工程施工质量监理施行细那么〔一〕模板工程质量验评主控工程:安装现浇构造的上层模板及其支架时下层楼板应具有承受上层荷载才能或加设支架;要涂刷模板隔离剂时不得沾污钢筋和砼接槎处。一般工程:模板的接缝不得漏浆不得采用影响构造性能或土方、装饰工程的隔离剂模板构造的安装偏向应符合规定。1、施工现场的覆膜多层板模板、钢模板应垫上木方码放整齐遇到下雪时应用草帘被布遮盖。2、支模时应将模板上的冰雪和泥土去除干净方可使用。3、墙、柱支模完成后必须将模板内杂物、冰雪清扫干净模板不准浇水。4、柱、墙模板在混凝土温度降至5℃,强度到达设计强度时即可撤除梁板模板待混凝...

1、当您付费下载文档后,您只拥有了使用权限,并不意味着购买了版权,文档只能用于自身使用,不得用于其他商业用途(如 [转卖]进行直接盈利或[编辑后售卖]进行间接盈利)。
2、本站所有内容均由合作方或网友上传,本站不对文档的完整性、权威性及其观点立场正确性做任何保证或承诺!文档内容仅供研究参考,付费前请自行鉴别。
3、如文档内容存在违规,或者侵犯商业秘密、侵犯著作权等,请点击“违规举报”。

碎片内容

办公及商业楼监理实施细则(冬施)

您可能关注的文档

确认删除?
VIP
微信客服
  • 扫码咨询
会员Q群
  • 会员专属群点击这里加入QQ群
客服邮箱
回到顶部