电脑桌面
添加小米粒文库到电脑桌面
安装后可以在桌面快捷访问

公路改建工程项目监理日志VIP免费

公路改建工程项目监理日志_第1页
1/2
公路改建工程项目监理日志_第2页
2/2
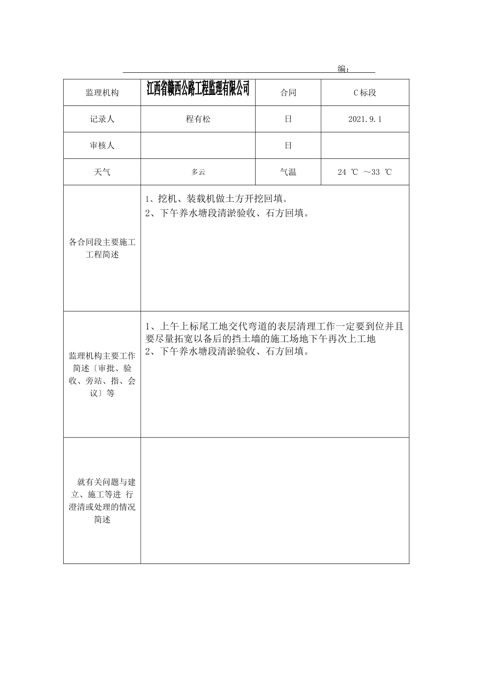
-监理人员:工程名称:江西乐平松文公路改建工程工程标段:C标段业主单位:乐平承包单位:江西兴旺建筑工程监理单位:江西赣西公路工程监理起讫时间:自2021年9月1日讫2021年9月30日乐平松文公路改建公路工程工程监理日志编:监理机构合同C标段记录人程有松日2021.9.1审核人日天气多云气温24℃~33℃各合同段主要施工工程简述1、挖机、装载机做土方开挖回填。2、下午养水塘段清淤验收、石方回填。监理机构主要工作简述〔审批、验收、旁站、指、会议〕等1、上午上标尾工地交代弯道的表层清理工作一定要到位并且要尽量拓宽以备后的挡土墙的施工场地下午再次上工地2、下午养水塘段清淤验收、石方回填。就有关问题与建立、施工等进行澄清或处理的情况简述

1、当您付费下载文档后,您只拥有了使用权限,并不意味着购买了版权,文档只能用于自身使用,不得用于其他商业用途(如 [转卖]进行直接盈利或[编辑后售卖]进行间接盈利)。
2、本站所有内容均由合作方或网友上传,本站不对文档的完整性、权威性及其观点立场正确性做任何保证或承诺!文档内容仅供研究参考,付费前请自行鉴别。
3、如文档内容存在违规,或者侵犯商业秘密、侵犯著作权等,请点击“违规举报”。

碎片内容

公路改建工程项目监理日志

您可能关注的文档

确认删除?
VIP
微信客服
  • 扫码咨询
会员Q群
  • 会员专属群点击这里加入QQ群
客服邮箱
回到顶部