电脑桌面
添加小米粒文库到电脑桌面
安装后可以在桌面快捷访问

厂房工程施工组织设计方案(经典版)VIP免费

厂房工程施工组织设计方案(经典版)_第1页
1/40
厂房工程施工组织设计方案(经典版)_第2页
2/40
厂房工程施工组织设计方案(经典版)_第3页
3/40
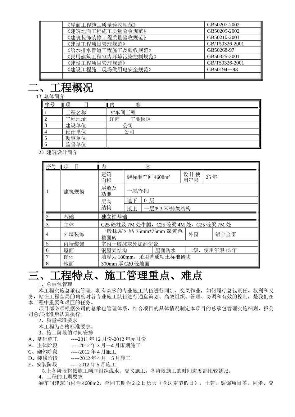
江西公司车间工程施工组织设计(施工方案)编制人:职务:职称:审核人:职务:职称:批准人:职务:职称:编制单位:江西公司编制日期:二O一一年十二月十五日目录第一章编制依据……………………………………………………………………3第二章工程概况……………………………………………………………………3第三章工程特点、施工管理重点、难点…………………………………………4第四章施工部署……………………………………………………………………4第五章工程项目管理………………………………………………………………8一)、项目管理方针…………………………………………………………………………………………………8二)、工程施工技术管理………………………………………………………………………………………………8三)、施工现场平面布置………………………………………………………………………………………………9四)、材料准备…………………………………………………………………………………………………………9五)、劳动力准备………………………………………………………………………………………………………10六)、机械设备的准备…………………………………………………………………………………………………11第六章车间主要分部分项工程施工方案…………………………………………11一)技术准备……………………………………………………………………12二)测量工程……………………………………………………………………13三)基础工程……………………………………………………………………14四)钢筋工程……………………………………………………………………17五)模板工程……………………………………………………………………19六)砼工程………………………………………………………………………21七)砌筑工程……………………………………………………………………22八)抹灰工程……………………………………………………………………23九)外墙工程……………………………………………………………………23十)地面工程……………………………………………………………………23十一)门窗工程…………………………………………………………………24十二)安装工程…………………………………………………………………24十三)脚手架工程………………………………………………………………25第七章雨季施工措施……………………………………………………………27第八章质量保证体系及措施……………………………………………………33第九章安全、消防、保卫管理体系及保证措施……………………37第十章工程质量通病防治措施……………………………………………42第十一章保证工期措施………………………………………………………45附件一:施工平面布置图附件二:沉降观测点布置图附件三:施工进度总计划表附件四:9#车间施工进度计划表一、编制依据1、图纸及勘察报告1)公司提供的9#标准车间工程图纸;2)公司提供的地质勘察报告;3)双方签订的合同,相关变更说明;3)建筑工程施工质量验收规范类别名称编号国家相关规范《工程测量规范》GB50026-93《建筑地基与地基工程施工质量验收规范》GB50202-2002《砌体工程施工质量验收规范》GB50203-2002《砼结构工程施工质量验收规范》GB50204-2002《屋面工程施工质量验收规范》GB50207-2002《建筑地面工程施工质量验收规范》GB50209-2002《建筑装饰装修工程质量验收规范》GB50210-2001《建设工程项目管理规范》GB/T50326-2001《给水排水管道工程施工及验收规范》GB50268-97《民用建筑工程室内环境污染控制规范》GB50325-2001《建设工程项目管理规范》GB/T50326-2001《建设工程施工现场供用电安全规范》GB50194-93二、工程概况1)总体简介序号项目内容1工程名称9#车间工程2工程地址江西工业园区3建设单位公司4设计单位公司5勘察单位6监督单位2)建筑设计简介序号项目内容1建筑规模建筑面积9#标准车间4608m2设计使用年限25年层数及功能一层/车间层高结构地下0层地上一层/8.3米/排架结构2基础独...

1、当您付费下载文档后,您只拥有了使用权限,并不意味着购买了版权,文档只能用于自身使用,不得用于其他商业用途(如 [转卖]进行直接盈利或[编辑后售卖]进行间接盈利)。
2、本站所有内容均由合作方或网友上传,本站不对文档的完整性、权威性及其观点立场正确性做任何保证或承诺!文档内容仅供研究参考,付费前请自行鉴别。
3、如文档内容存在违规,或者侵犯商业秘密、侵犯著作权等,请点击“违规举报”。

碎片内容

厂房工程施工组织设计方案(经典版)

确认删除?
VIP
微信客服
  • 扫码咨询
会员Q群
  • 会员专属群点击这里加入QQ群
客服邮箱
回到顶部