电脑桌面
添加小米粒文库到电脑桌面
安装后可以在桌面快捷访问

公路施工组织设计方案探析VIP免费

公路施工组织设计方案探析_第1页
1/12
公路施工组织设计方案探析_第2页
2/12
公路施工组织设计方案探析_第3页
3/12
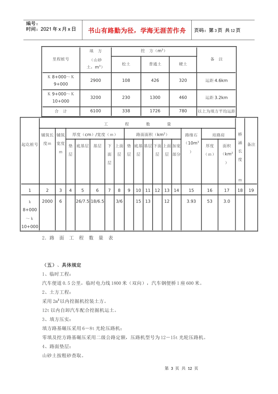
第1页共12页编号:时间:2021年x月x日书山有路勤为径,学海无涯苦作舟页码:第1页共12页公路施工组织设计方案《公路施工组织及概预算》课程设计公路施工组织设计方案长春市南关区加关至大南公路05标段目录一、编制说明及工程概况·····2(一)、编制范围·········2(二)、编制依据·········2(三)、工程概况·········2(四)、主要工程数量表······2(五)、具体规定·········3(六)施工部署··········5二、路基施工工艺········5(一)、施工准备·········5(二)、基底处理·········6(三)、路基借方施工工艺·····6(四)、路基填方施工工艺·····6第2页共12页第1页共12页编号:时间:2021年x月x日书山有路勤为径,学海无涯苦作舟页码:第2页共12页(五)、压实工艺试验·······12(六)、路堤填筑·········13(七)、路基整修·········13三、沥青路面施工工艺······13(一)、混合料的拌和·······13(二)、混合料的运输·······14(三)、混合料的摊铺·······15(四)、混合料的压实·······16(五)、接缝的处理········17四、质量保证措施········17五、安全保证措施·······17六、环境保护措施········18一、编制说明及工程概况(一)、编制范围本施工组织计划方案的编制范围为:长春市南关区加关至大南公路05标段公路(起点K8+000,终点K10+000)工程及为完成本合同段工程与工程缺陷责任期所包含的各种临时设施工程。(二)、编制依据1、业主颁发的《长春市南关区加关至大南公路05标段公路工程施工招标文件》、《设计图纸》、《标前会议纪要》及《补遗书》等。2、国家及交通部现行的公路工程设计规范、施工规范、验收标准、公路工程概预算编制办法、公路工程概预算定额、公路工程施工定额。3、公司拥有的施工设备、管理水平、技术力量和以往山岭区高速公路工程建设的施工经验。4、赴工程所在地现场考察取得的资料。(三)、工程概况本路段起点位于长东公路加官村路口,起点K8+000,终点K10+000,全长2km,距长春市50km。路线等级为平原微丘区三级公路,全部为旧路改建工程。路基宽7.5m,路面宽6m。土路肩2×0.75m,采用培路肩形式。路面面层采用3cm细粒式沥青混凝土(LH-15),基层采用18cm二灰山砂,底基层采用26cm山砂土。(四)、主要工程数量表1.路基每公里土石方数量表第3页共12页第2页共12页编号:时间:2021年x月x日书山有路勤为径,学海无涯苦作舟页码:第3页共12页里程桩号填方(山砂土,m3)挖方(m3)备注松土普通土硬土K8+000~K9+0002900108426320运距4.6kmK9+000~K10+00032002301300460运距3.2km合计61003381726780以上为填方平均运距2.路面工程数量表(五)、具体规定1、临时工程:汽车便道0.5公里,临时电力线1800米(双向),汽车钢便桥1座600米。2、土方工程:采用2m3以内挖掘机挖装土方。12t以内自卸汽车配合挖掘机运土。3、填方压实:填方路基碾压采用6-8t光轮压路机;零填及挖方路基碾压采用二级公路定额,压路机型号为12-15t光轮压路机。4、路面垫层:山砂土按粗砂查取。起讫桩号工程数量桥涵长度m备注铺筑长度m铺筑宽度m厚度(cm)/宽度(m)路面面积(km2)路缘石(10m3)培路肩垫层底基层基层下面层上面层垫层底基层基层下面层上面层加宽部分厚度(m)面积(km2)12345678910111213141516171819k8+000~k10+0002000626/7.518/6.53/61513123.93533.0第4页共12页第3页共12页编号:时间:2021年x月x日书山有路勤为径,学海无涯苦作舟页码:第4页共12页5、石灰、粉煤灰稳定土基层:按石灰:粉煤灰:砂查取基层稳定土厂拌、运输及铺筑定额。采用12t以内自卸汽车运输混合料,平均运距4.5km。采用120kw以内平地机铺筑基层混合料。应计取稳定土厂拌设备安装、拆除定额。6、沥青混凝土路面:沥青混凝土采用细粒式LH-15。12t自卸汽车运输沥青混合料运距为4.5km。应计取沥青混合料拌和设备安装拆除定额。7、路缘石:路面两侧设路缘石,路缘石采用...

1、当您付费下载文档后,您只拥有了使用权限,并不意味着购买了版权,文档只能用于自身使用,不得用于其他商业用途(如 [转卖]进行直接盈利或[编辑后售卖]进行间接盈利)。
2、本站所有内容均由合作方或网友上传,本站不对文档的完整性、权威性及其观点立场正确性做任何保证或承诺!文档内容仅供研究参考,付费前请自行鉴别。
3、如文档内容存在违规,或者侵犯商业秘密、侵犯著作权等,请点击“违规举报”。

碎片内容

公路施工组织设计方案探析

您可能关注的文档

确认删除?
VIP
微信客服
  • 扫码咨询
会员Q群
  • 会员专属群点击这里加入QQ群
客服邮箱
回到顶部